HOME
ASK A QUESTION
REPAIR GUIDES
BECOME A MEMBER
LOG IN
Login with Facebook
OR
Remember me
NOT A MEMBER?
FORGOT PASSWORD?
CONTACT US
PRIVACY POLICY
TERMS AND CONDITIONS
☰
Home
Toyota
Camry
Electrical
Alternator
Fuse
Alternator fuses location
VISECT1
MEMBER
1990 TOYOTA CAMRY
2.0L
4 CYL
AUTOMATIC
180,000 MILES
Where is the alternator fuse located?
Friday, June 21st, 2019 AT 11:36 AM
2 Replies
ASEMASTER6371
MECHANIC
52,796 POSTS
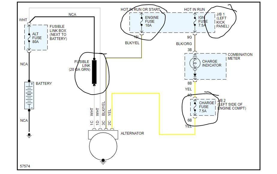
Good afternoon,
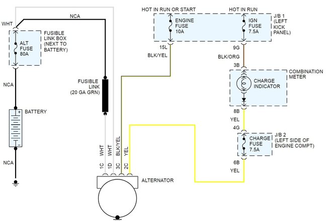
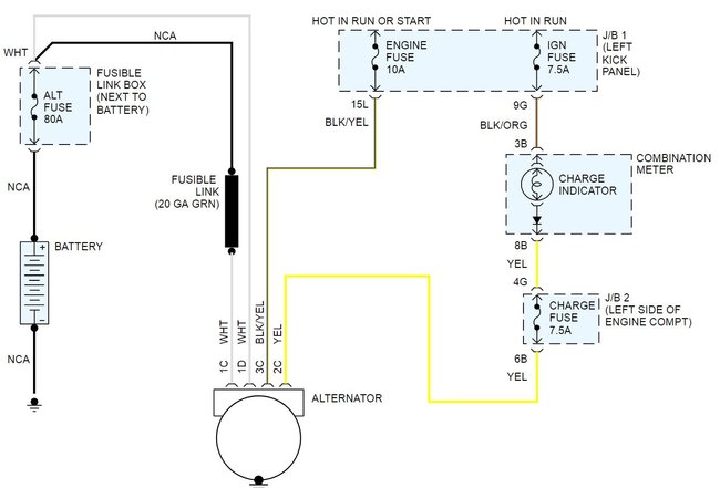
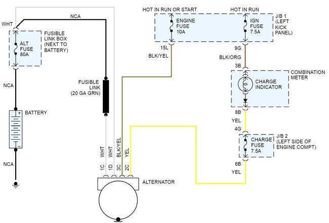
There are three. I attached a diagram and circled the fuses for you and the location is identified.
https://www.2carpros.com/articles/how-a-car-fuse-works
Roy
Image (Click to make bigger)
Was this
answer
helpful?
Yes
No
Friday, June 21st, 2019 AT 12:07 PM
STEVE W.
MECHANIC
15,546 POSTS
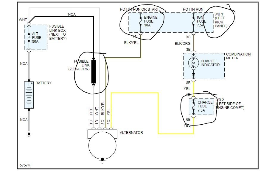
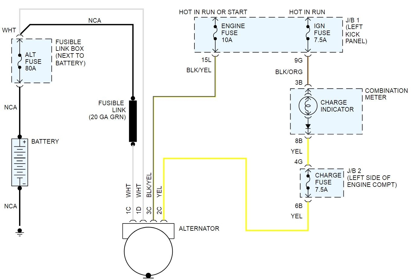
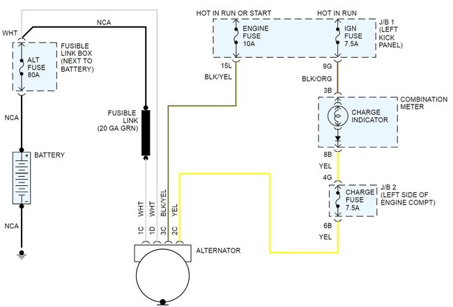
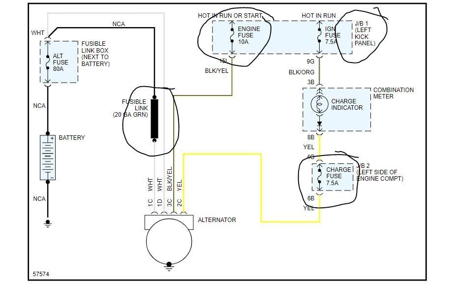
Welcome to 2CarPros. There are replaceable fusible links in the system. The main link is in a box nest to the battery. That is an 80 amp part. Then in the line to the alternator there is another fuse link that can fail.
Image (Click to make bigger)
Was this
answer
helpful?
Yes
No
Friday, June 21st, 2019 AT 12:16 PM
Please
login
or
register
to post a reply.
Related Alternator Fuse Content
How To Replace The Alternator Fuse?
Hello, I Have Toyota 98 Camry And I Have Somehow Blown The Alt (100a) Fuse. I Bought The New Fuse But I Am Unable To Replace The Blown One...
Asked by
niaz
·
10 ANSWERS
7 IMAGES
1998
TOYOTA CAMRY
VIDEO
How to Use a Test Light
Instructional repair video
GUIDE
Alternator Replacement
Got a red battery warning light on? This most likely means the alternator has gone out and needs a replacement. To confirm the failure use a voltmeter to test the alternator...
1990 Toyota Camry Alternator Wire
I'm No Mechanic. The Most Complex Repair I've Ever Done On My Car Was Putting The Driveshaft Back On Our Old Car, And I Even Screwed That...
Asked by
shaun.m.carraway
·
2 ANSWERS
1990
TOYOTA CAMRY
What Does The Main 40a Fusible Control? If The Bottom...
What Does The Main 40a Fusible Control? If The Bottom Of That Link And The Wire To That Link Is Burned Thru, Could That Kill My Battery And...
Asked by
eddyman30
·
7 ANSWERS
1 IMAGE
1990
TOYOTA CAMRY
1990 Toyota Camry Broken Bolt
I Went To Replace My Alternator Over The Weekend, And The Tentioner Bolt Broke. Some How It Got Cross Treaded And Snapped At The End Of The...
Asked by
SteveJones81
·
1 ANSWER
1990
TOYOTA CAMRY
How Do I Remove The Alternator?
How Do I Remove The Alternator? Im In Progress Of What I've Done So Far, I've Yet To Remove The Bolts. What Do I Need To Do Next...
Asked by
mike3202
·
21 ANSWERS
7 IMAGES
2000
TOYOTA CAMRY
VIEW MORE
Ask a Car Question. It's Free!
Alternator Replacement
Alternator Replacement
Alternator Replacement