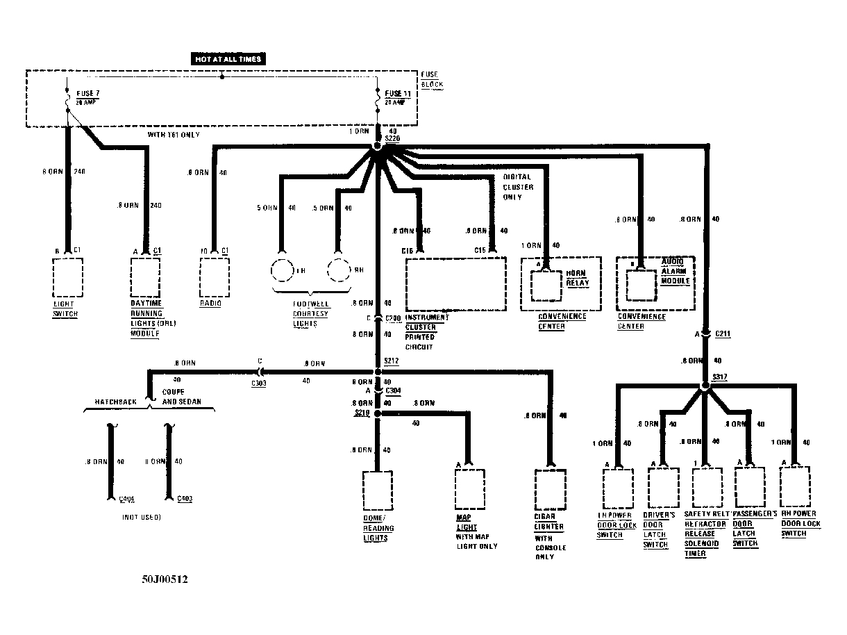
No power to three fuses

Tiny
DOCC74
  • MEMBER
  • 1989 CHEVROLET CORSICA
  • 2.8L
  • V6
  • 2WD
  • AUTOMATIC
  • 135,000 MILES
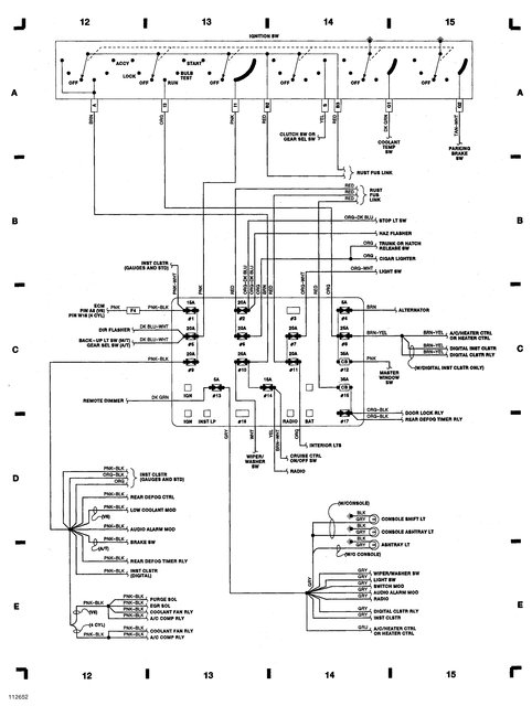
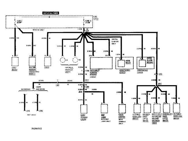
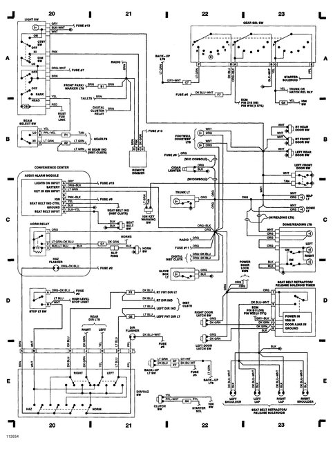
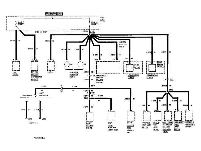
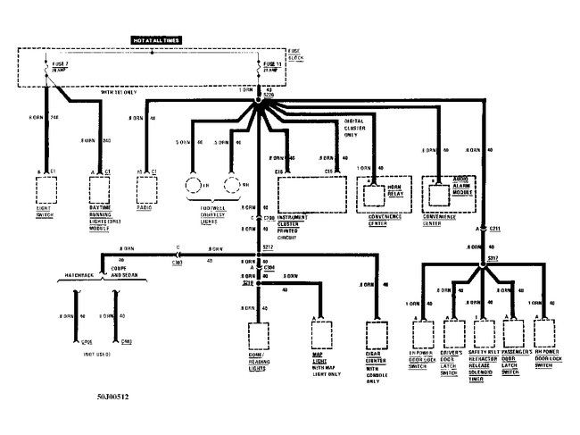
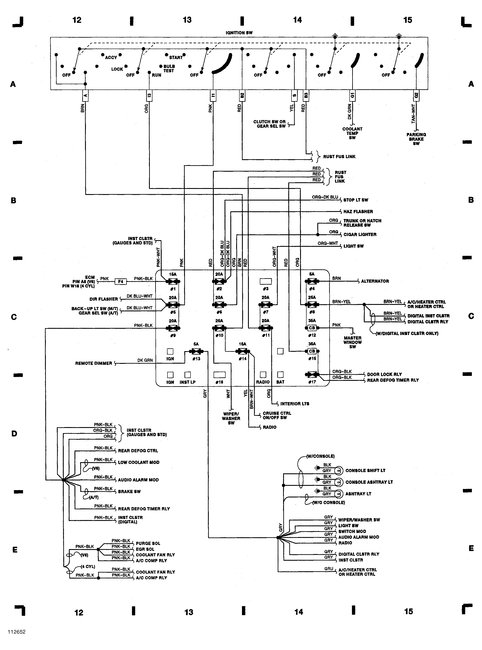
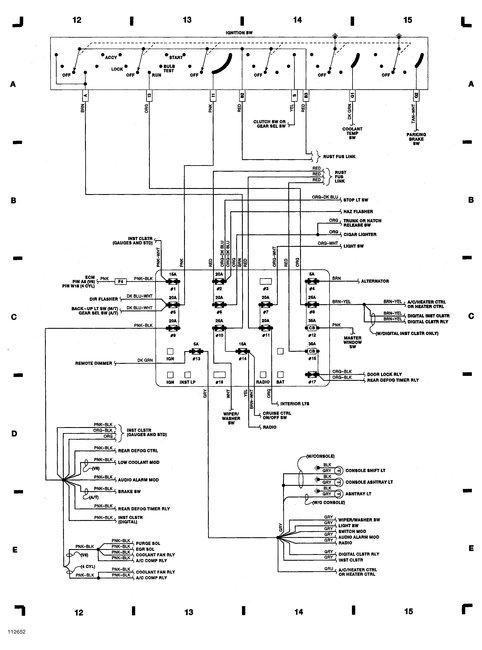
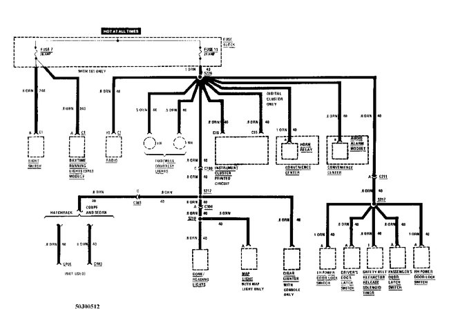
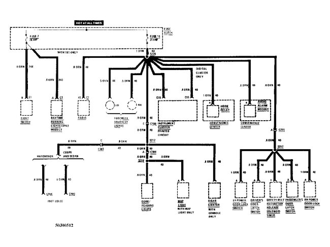
I have no power to fuse 7, 11, and 13. Is there a relay I can replace?
Saturday, July 7th, 2018 AT 10:24 AM

7 Replies

Tiny
STEVE W.
  • MECHANIC
  • 15,694 POSTS
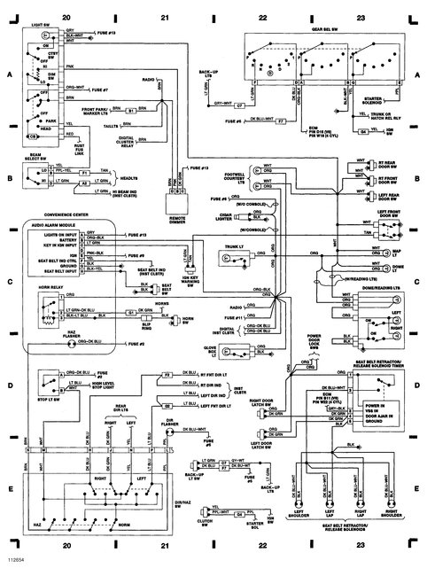
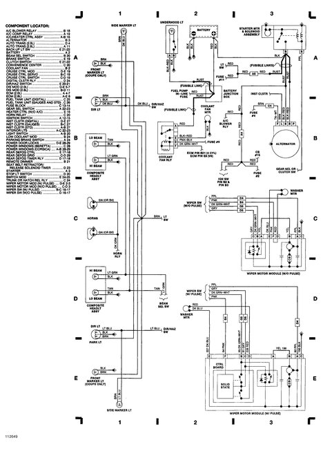
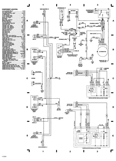
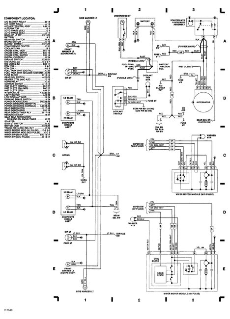
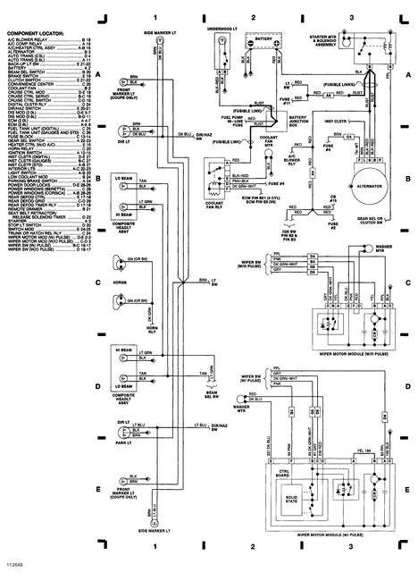
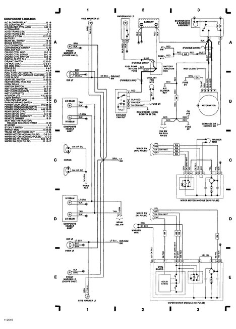
If you have tested them to verify there is no power then you need to check a couple items under the hood. Fuses 7 and 11 both receive power from the same fusible link. Fuse 13 is also fed from that through the light switch. My first thought is that you have a bad light switch that has shorted and caused the rust colored fusible link attached to the battery post on the starter to fail. However you need to actually test the link first as it could simply be corroded or broken. There are three different links connected to the starter post, two connect to the charging system and the other powers the fuses you have a problem with. They are all rust color which means they will be some shade of red. The one you want will connect to a solid red wire, the other two connect to red with black stripe or one has both red and red with black. To test them is easy, use a test light and probe the red wire after the link connects. No power = bad fuse link.

I would also pull the light switch and check it for melted contacts, they are common because of the power routed through the switch. If you replace the fuse link and the switch is bad you could melt the link or worse.
Was this
answer
helpful?
Yes
No
+1
Monday, July 9th, 2018 AT 2:54 PM
Tiny
DOCC74
  • MEMBER
  • 9 POSTS
Thank you, at least one link at the starter is toast. I will update when I get the time to replace them.
Was this
answer
helpful?
Yes
No
+1
Monday, July 9th, 2018 AT 6:16 PM
Tiny
STEVE W.
  • MECHANIC
  • 15,694 POSTS
That is probably the one, just be careful of the light switch. They like to burn up.
Was this
answer
helpful?
Yes
No
Monday, July 9th, 2018 AT 8:05 PM
Tiny
DOCC74
  • MEMBER
  • 9 POSTS
The switch seams fine, but I am installing a new one and I figured while I am in there doing one I might as well do the others.
Was this
answer
helpful?
Yes
No
Tuesday, July 10th, 2018 AT 3:24 AM
Tiny
STEVE W.
  • MECHANIC
  • 15,694 POSTS
Yeah, it is always a good thing to ensure a balanced load. Let us know how it turns out, please.
Was this
answer
helpful?
Yes
No
Thursday, July 12th, 2018 AT 12:40 PM
Tiny
DOCC74
  • MEMBER
  • 9 POSTS
Yes, the fusible link was the issue.
Was this
answer
helpful?
Yes
No
Sunday, November 4th, 2018 AT 3:34 AM
Tiny
STEVE W.
  • MECHANIC
  • 15,694 POSTS
Thanks for the update. Glad to hear you found the issue. Thank you for using 2CarPros. Please return anytime with your automotive questions.
Was this
answer
helpful?
Yes
No
+1
Sunday, November 4th, 2018 AT 4:12 PM

Please login or register to post a reply.