Fuse number for headlights and taillights

Tiny
MOTEAMANN
  • MEMBER
  • 2003 FORD F-250
  • TURBO
  • 445,000 MILES
I think I blew fuse that controls headlights and taillights.
Thursday, November 14th, 2019 AT 10:36 AM

1 Reply

Tiny
ASEMASTER6371
  • MECHANIC
  • 52,796 POSTS
Good afternoon,

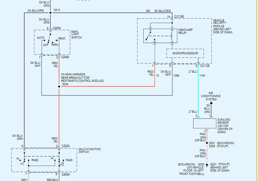
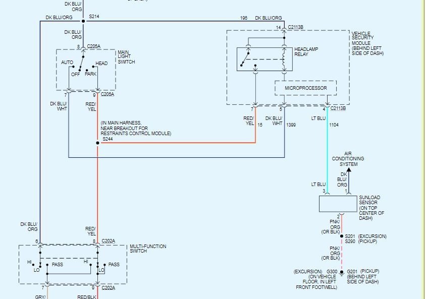
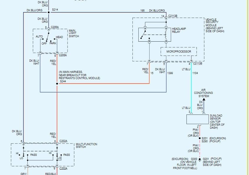
There are some fuses for the lights. I attached a wiring diagram of the headlights and tail lights. Make sure there is power at the fuses. That is not a visual test, it is a voltage test.

https://www.2carpros.com/articles/how-a-car-fuse-works

Roy
Was this
answer
helpful?
Yes
No
Thursday, November 14th, 2019 AT 10:58 AM

Please login or register to post a reply.