Sunday, November 21st, 2021 AT 6:22 AM
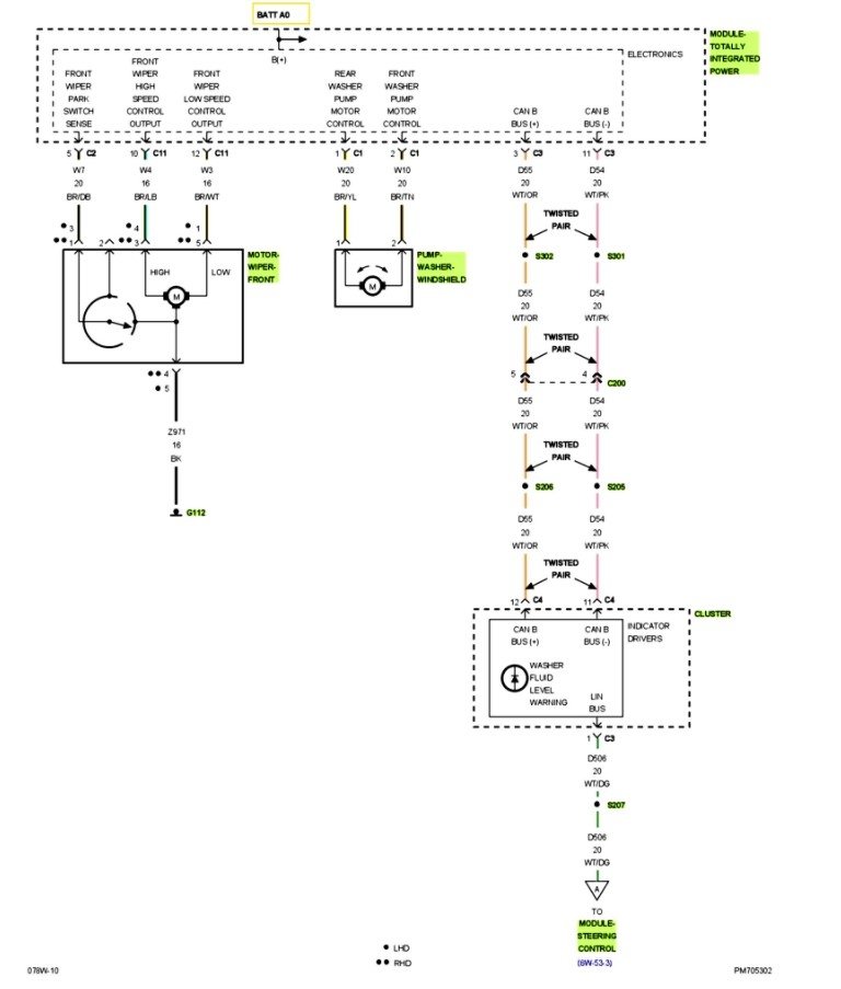
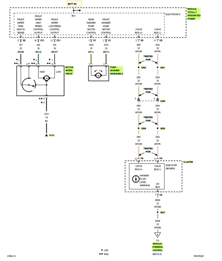
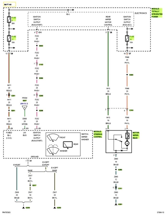
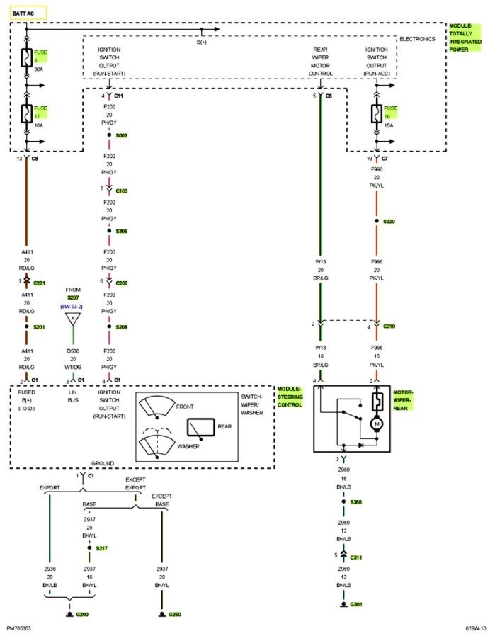
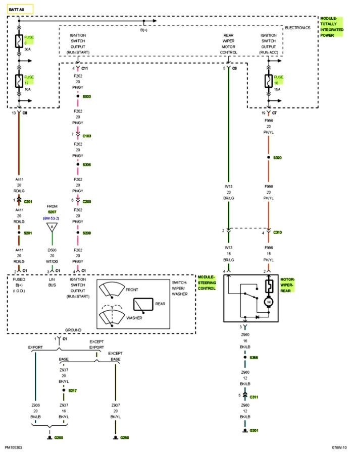
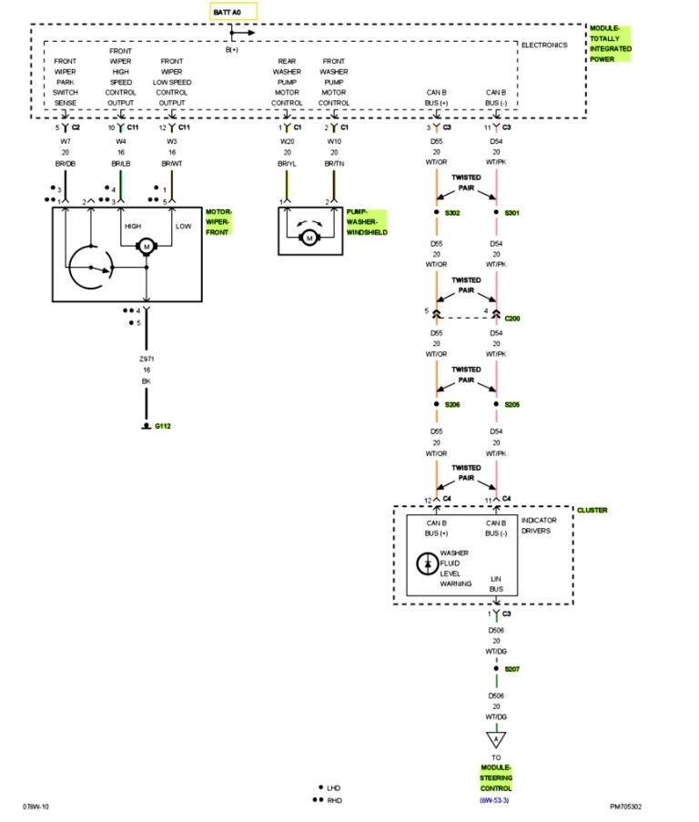
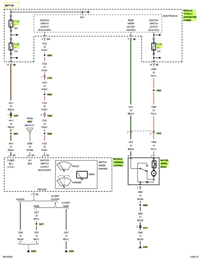
Windshield wiper control handle broke completely off and now my wipers stay on all the time. I don't have the owner's manual and I can't seem to find an accurate diagram of the fuse box online. So, my question is, where is the fuse for the front wiper blades located in my fuse box?







