Where is the fuse located for the left turn signal and brake lamp?

2011 FORD F-150
120,000 MILES • 5.0L • V8 • 4WD • AUTOMATIC
Avatar
JHAMP
  • MEMBER
  • 1 POST
Left turn signal and brake lamp is not working bulbs are good so going to check the fuse but there is no literature on location of said fuses.
Nov 29, 2021 at 12:22 PM
Repair Safety Notice: This information is for general instructional purposes only. Vehicle repair can be dangerous. Verify all information, follow manufacturer service procedures, use proper tools and safety equipment, and consult a qualified repair shop when needed.
Advertisement
Avatar
JACOBANDNICKOLAS
  • CAR REPAIR CONTRIBUTOR
  • 110,190 POSTS
Hi,

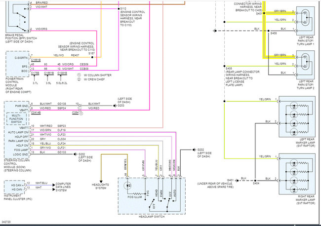
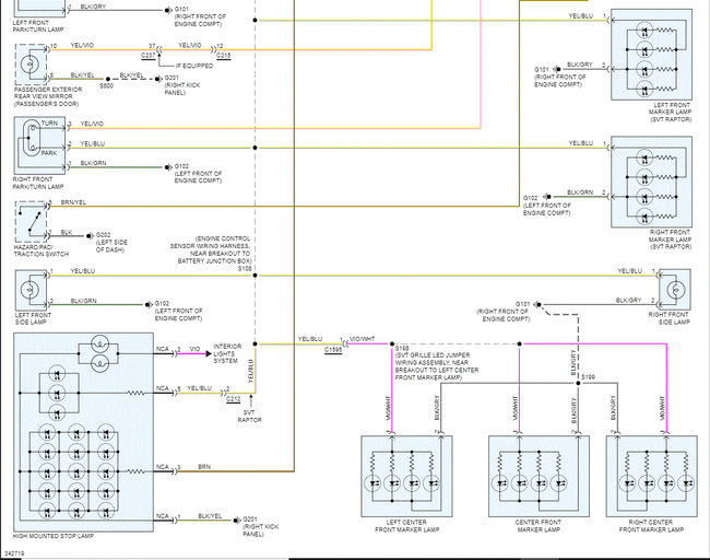
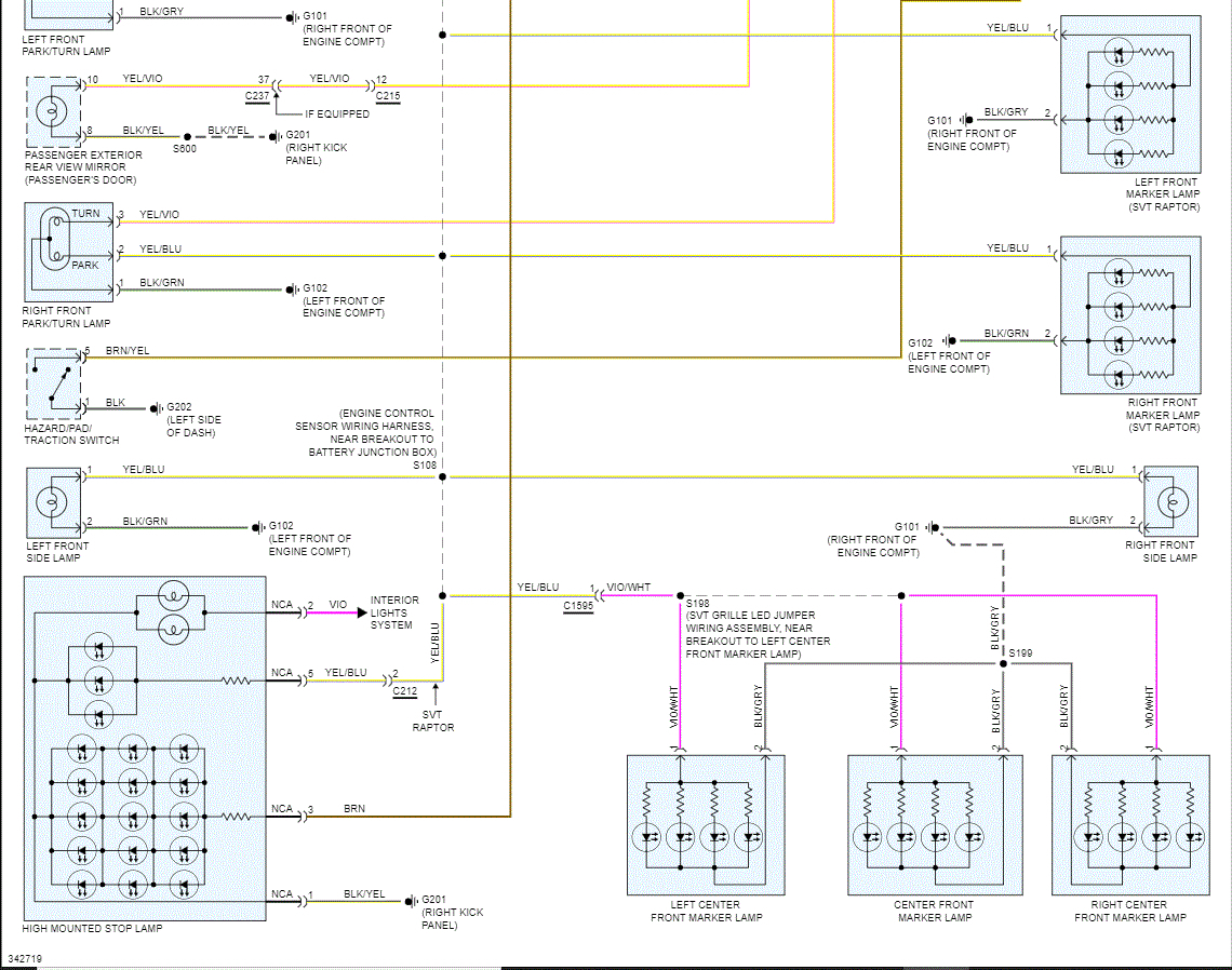
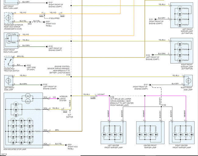
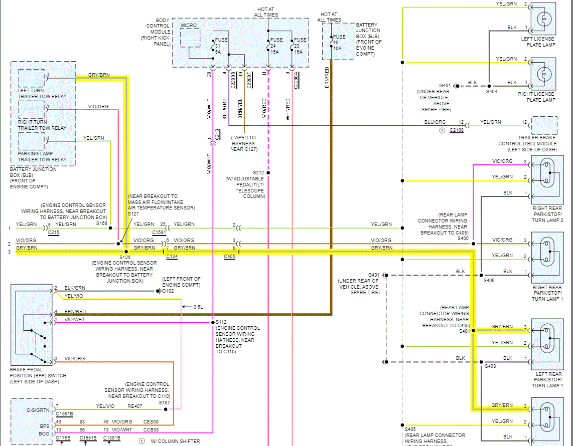
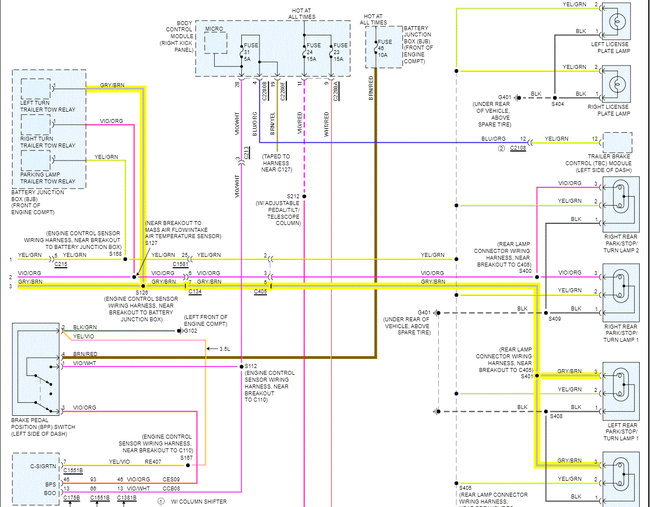
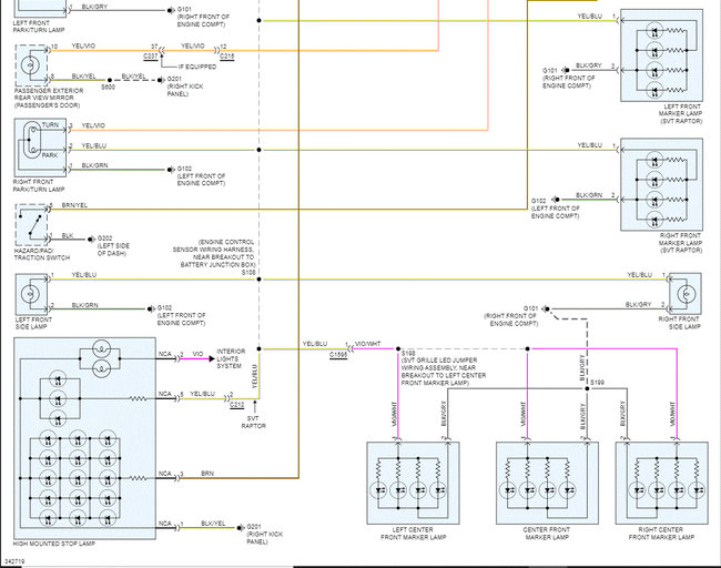
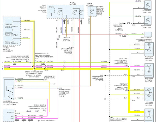
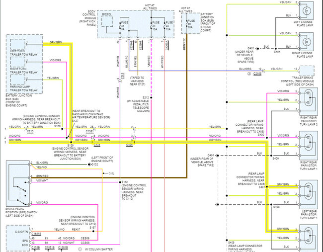
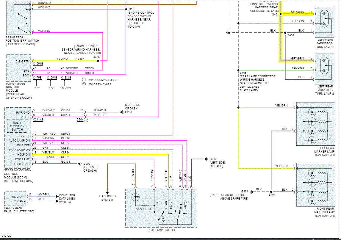
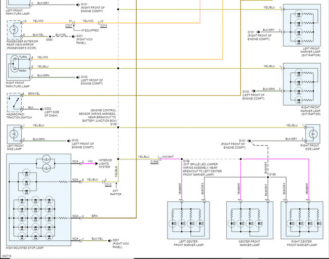
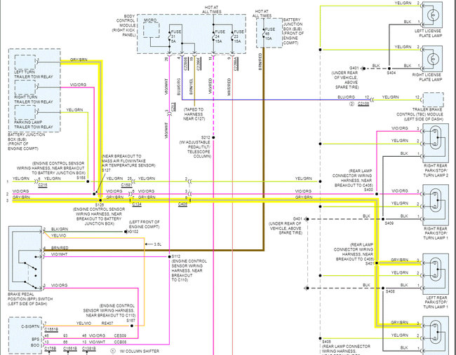
First, I attached the wiring schematic for a reference tool. The left signal and brake lamp is powered by fuse 14 in the interior fuse box (BCM).

The first 4 pics below are the schematic. I had to cut each of the two pics in half to make them readable for you, but I did overlap them and highlight the wires involved.

Pics 5 and 6 show the fuse legend and the location in the fuse box to check.

In addition to checking the fuse, make sure there is power both to and from it. The fuse could be good but have no power to it.

Here is a link you may find helpful:

https://www.2carpros.com/articles/how-to-check-a-car-fuse

Let me know what you find or if I can help in any way.

Take care,

Joe

See pics below.
Nov 29, 2021 at 7:04 PM
Advertisement