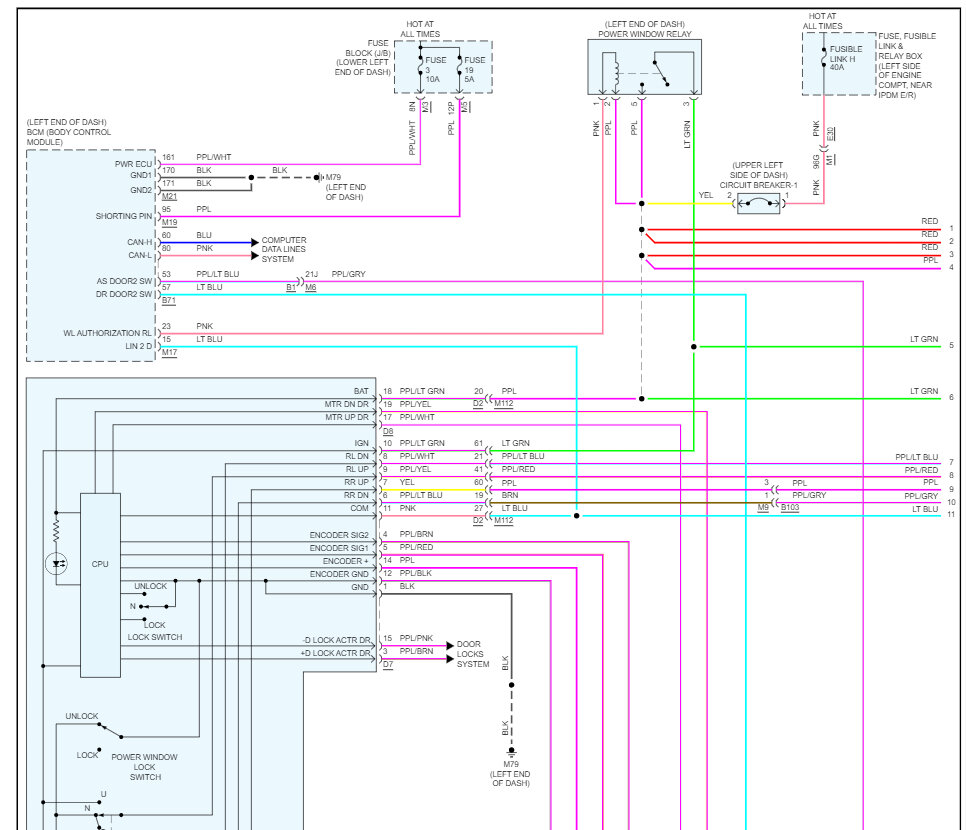
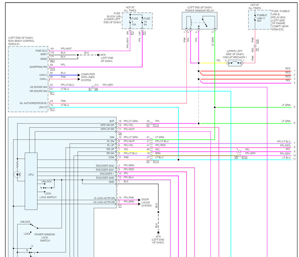
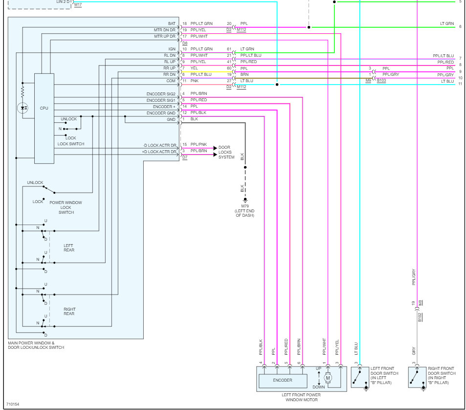
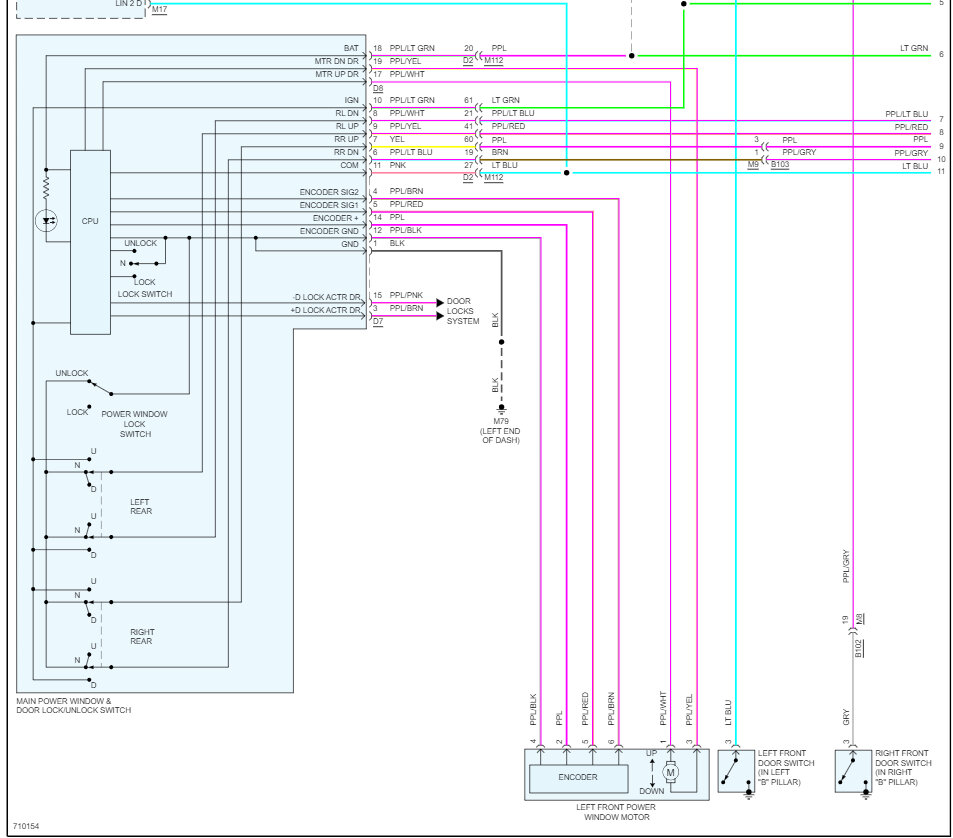
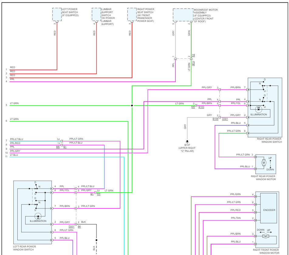
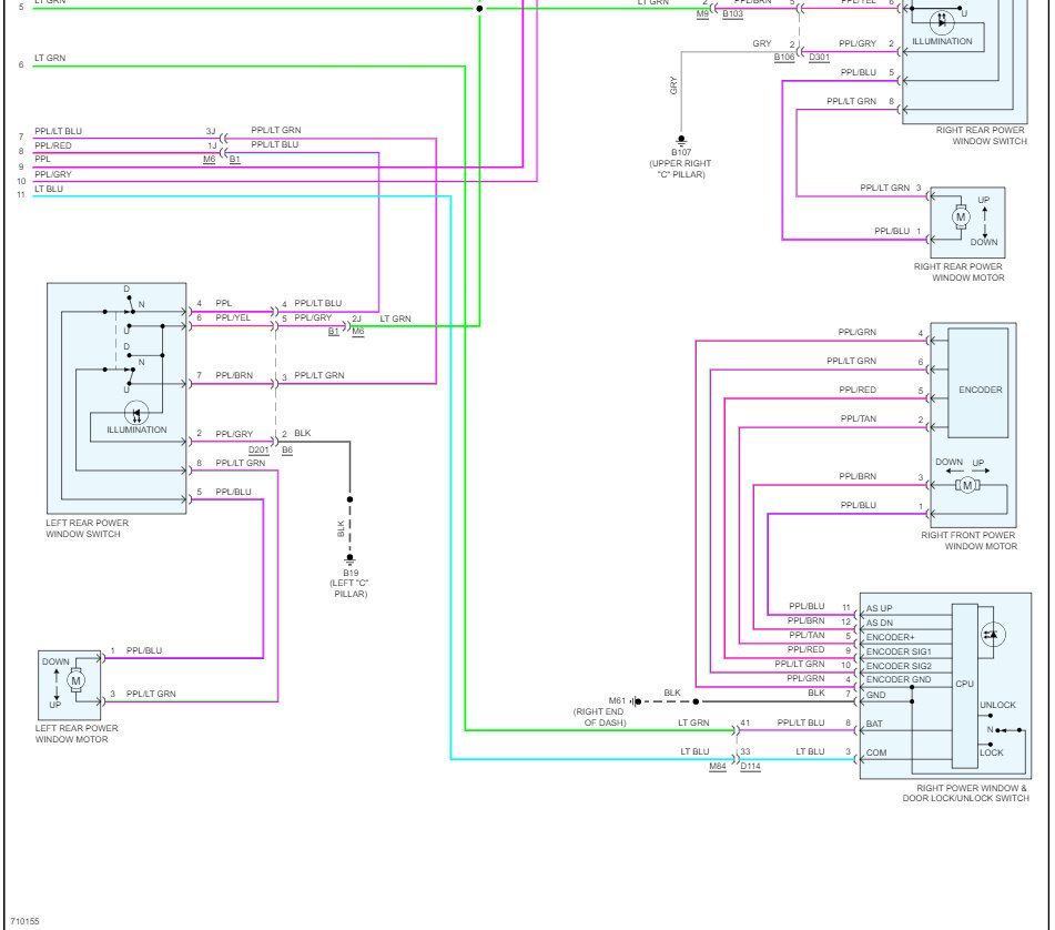
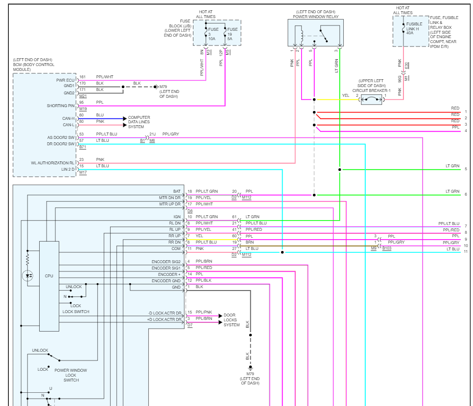
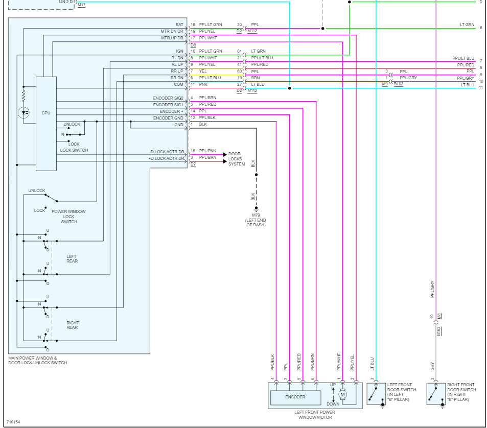
Sunday, August 6th, 2023 AT 7:09 PM
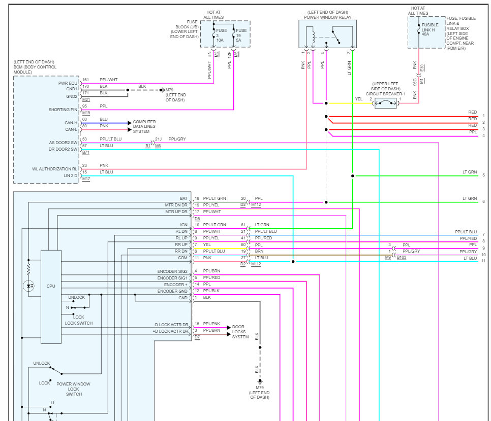
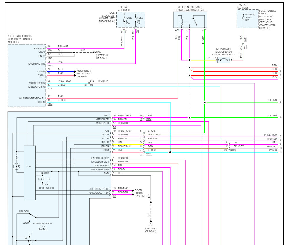
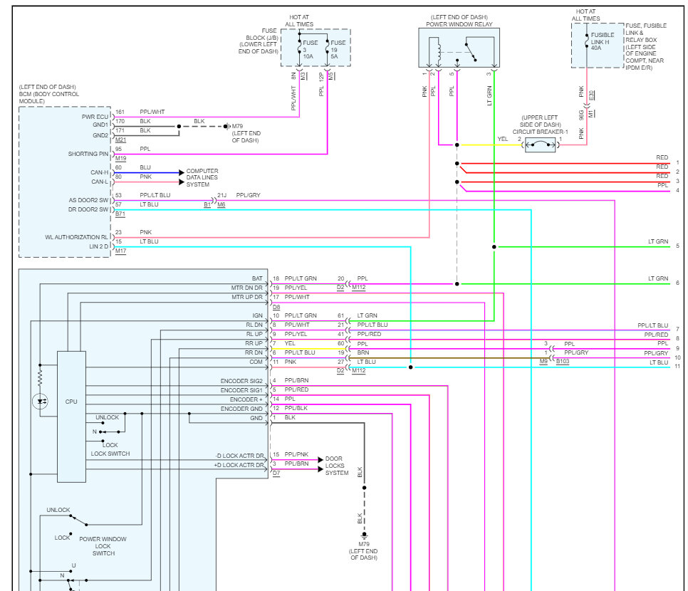
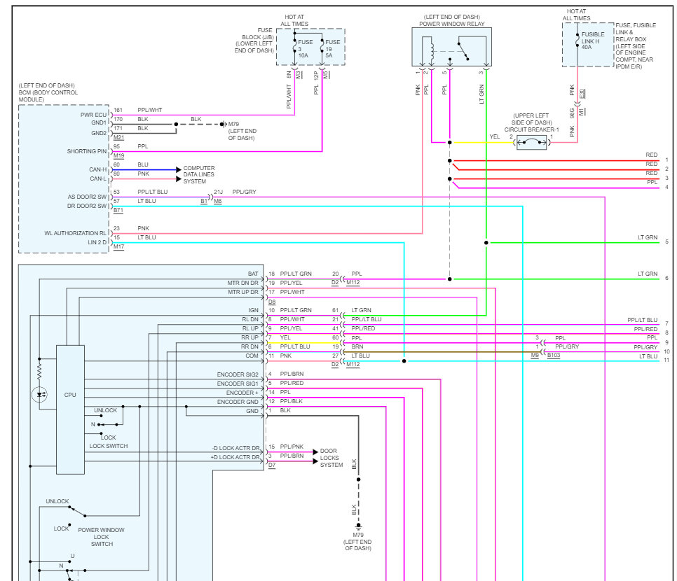
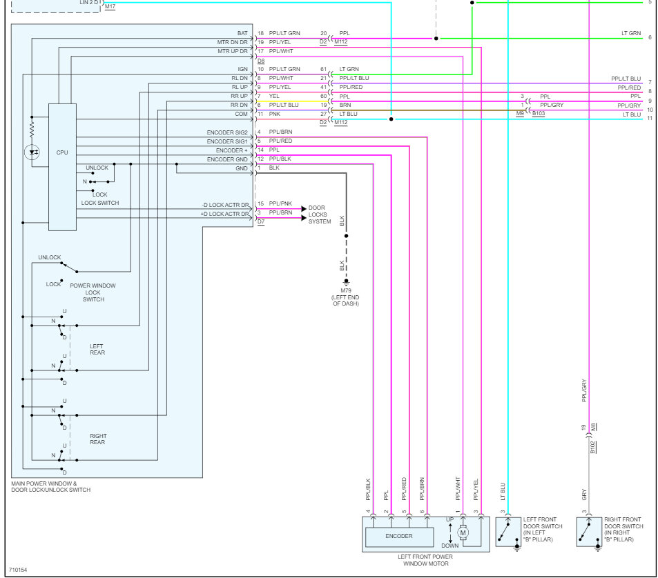
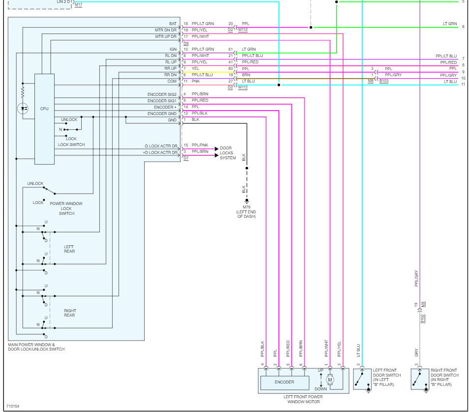
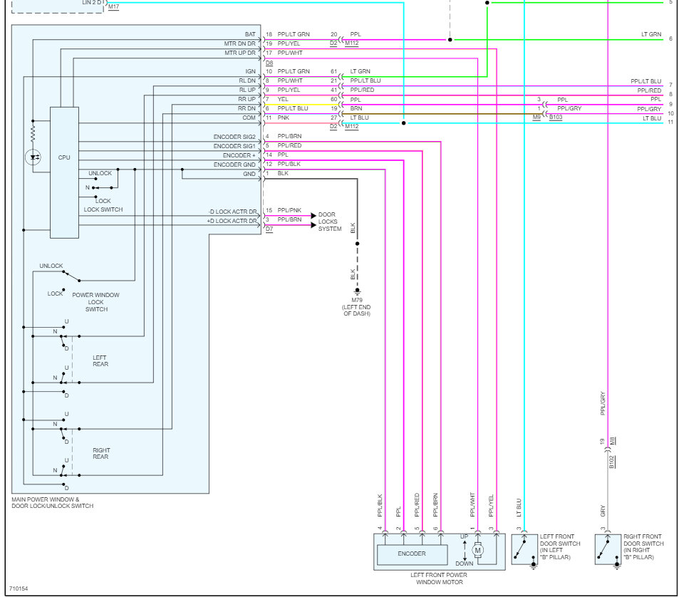
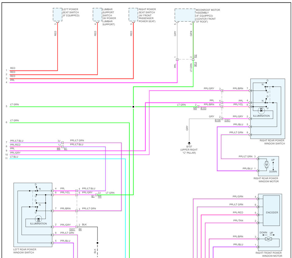
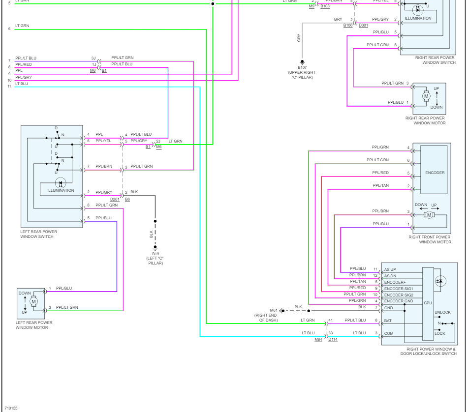
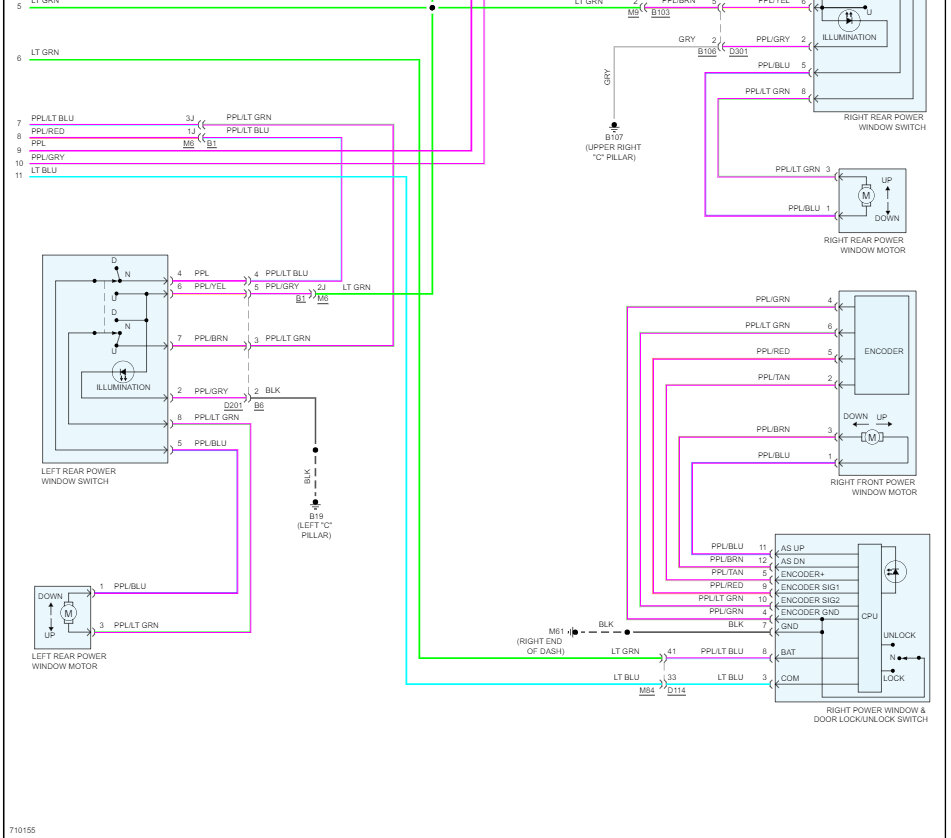
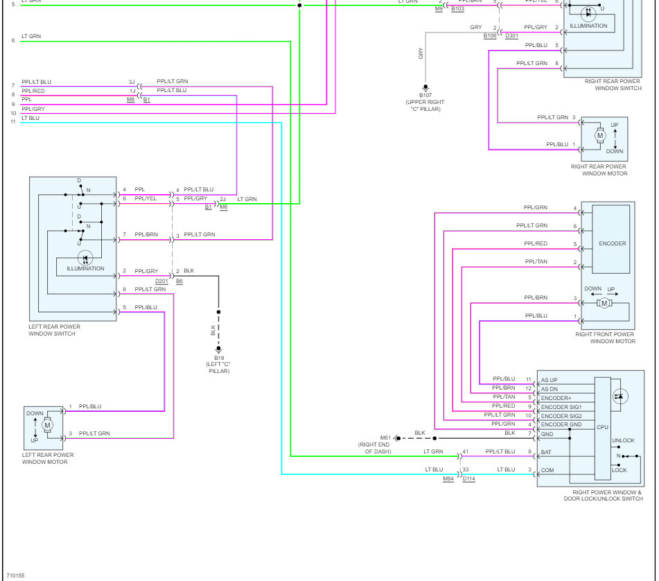
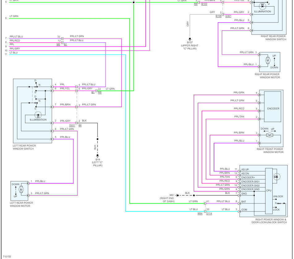
Looking at the fuse panel, I can’t tell which fuse is for the power windows. I’ve tried to look at documentation online and everywhere, but I can’t find anything. Can anyone tell me which fuse is associated with power window controls for the car listed above?






