What type fuse for driver’s side window and where is it located?

Tiny
MICHRYAN26
  • MEMBER
  • 2014 VOLKSWAGEN JETTA
  • 2WD
  • MANUAL
  • 130,000 MILES
Hi, can you tell me where to locate it and what kind of fuse to use.

Thank you!

Michele
Monday, August 23rd, 2021 AT 8:08 AM

5 Replies

Tiny
JACOBANDNICKOLAS
  • MECHANIC
  • 110,192 POSTS
Hi,

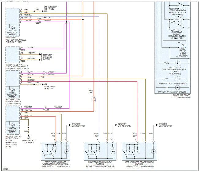
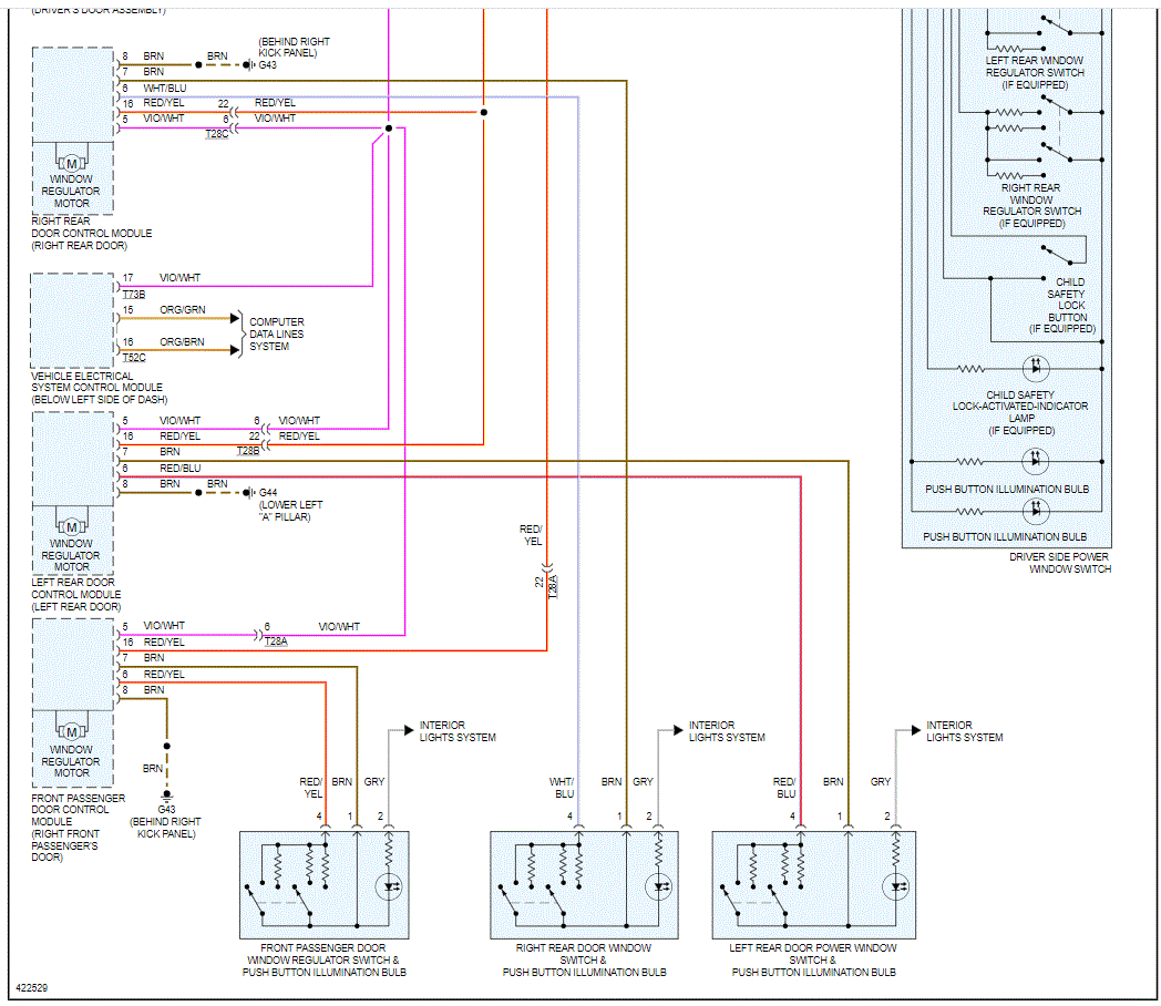
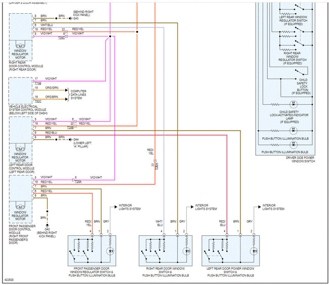
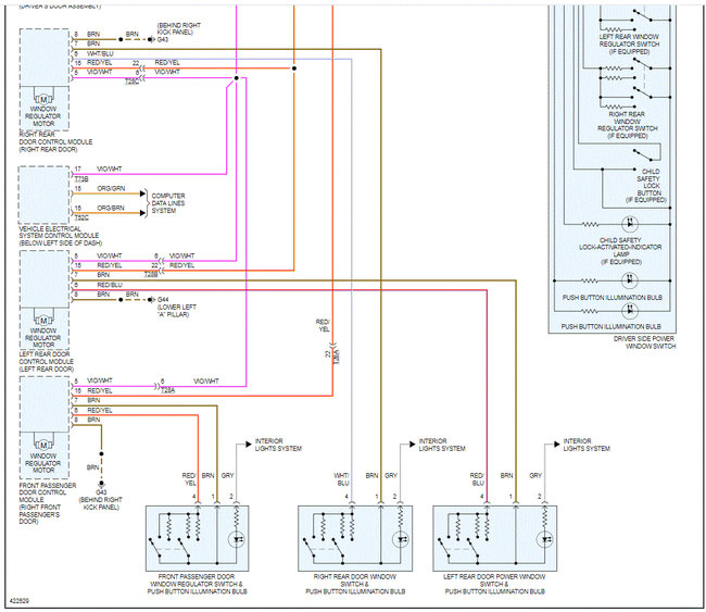
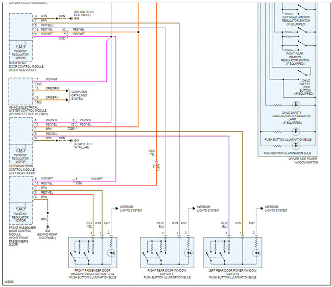
It will be located in the fuse box in the vehicle, left side. If you look below, I attached the wiring schematic of the power windows. I highlighted the fuse going to the left front window.

If you look at pic 3, I included a pic of the location and which fuse to check. Note that when checking a fuse, if the fuse is good, make sure there is power to it. Here is a link you may find helpful:

https://www.2carpros.com/articles/how-to-check-a-car-fuse

The fuse is 30 Amp.

Let me know if this helps or if you have other questions.

Take care,

Joe

See pics below.
Was this
answer
helpful?
Yes
No
+1
Monday, August 23rd, 2021 AT 9:01 PM
Tiny
MICHRYAN26
  • MEMBER
  • 3 POSTS
Thank you!
Was this
answer
helpful?
Yes
No
Tuesday, August 24th, 2021 AT 3:39 AM
Tiny
JACOBANDNICKOLAS
  • MECHANIC
  • 110,192 POSTS
Hi,

You are very welcome. If possible, let me know if you were able to find and replace it. If I don't hear back from you, please feel free to come back anytime in the future if you have questions need help. You are always welcome here.

Take good care of yourself,

Joe
Was this
answer
helpful?
Yes
No
Tuesday, August 24th, 2021 AT 7:04 PM
Tiny
MICHRYAN26
  • MEMBER
  • 3 POSTS
I found it but it was good. My window wouldn’t go up once. I turned the car off and then on and it went up. It happened three other times and that’s when I checked the fuse. It seemed good and I didn’t replace it, but the window is working. Maybe me taking it out and putting it back in. Not sure...

Thanks again!
Was this
answer
helpful?
Yes
No
Wednesday, August 25th, 2021 AT 1:00 PM
Tiny
JACOBANDNICKOLAS
  • MECHANIC
  • 110,192 POSTS
Hi,

It is very possible that there was a loose or corroded connection that is now making better contact. Regardless, I'm glad to hear it's working for you.

Let me know if that changes or if you need help.

Take care,

Joe
Was this
answer
helpful?
Yes
No
Wednesday, August 25th, 2021 AT 6:04 PM

Please login or register to post a reply.