Monday, May 8th, 2023 AT 12:19 PM
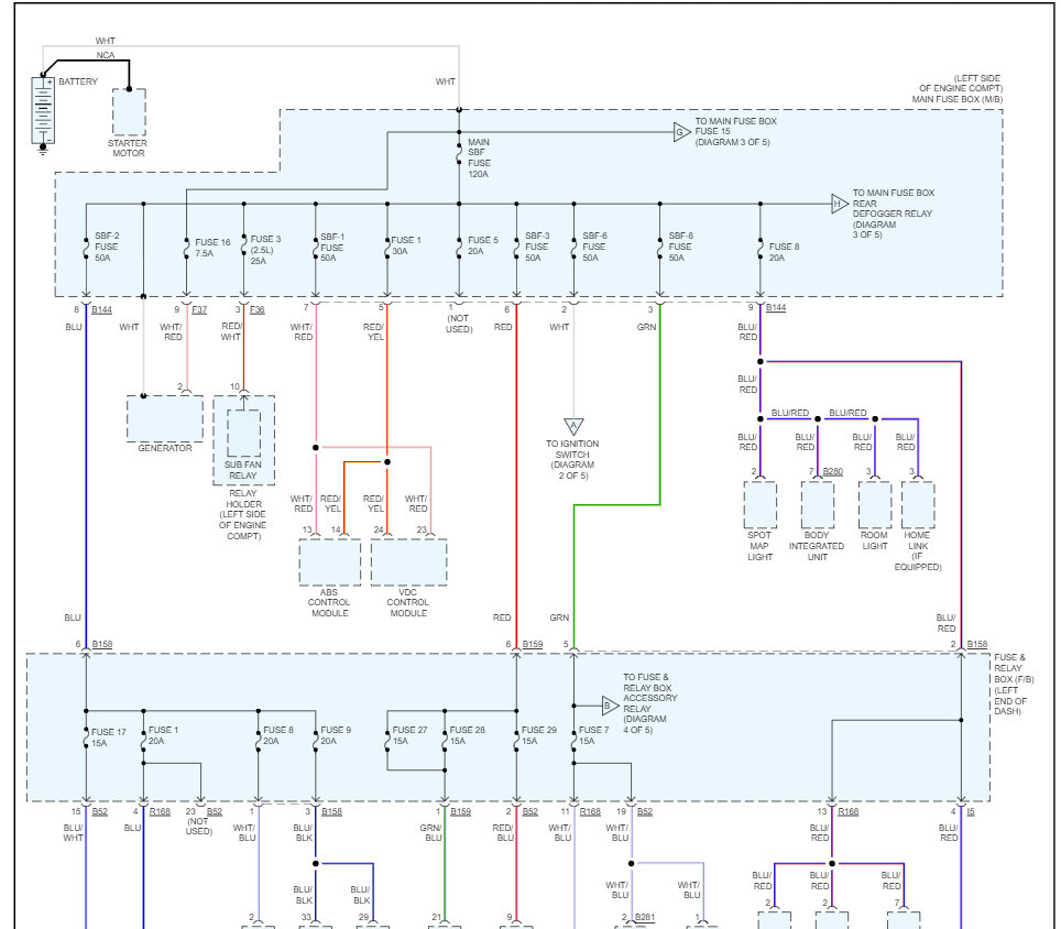
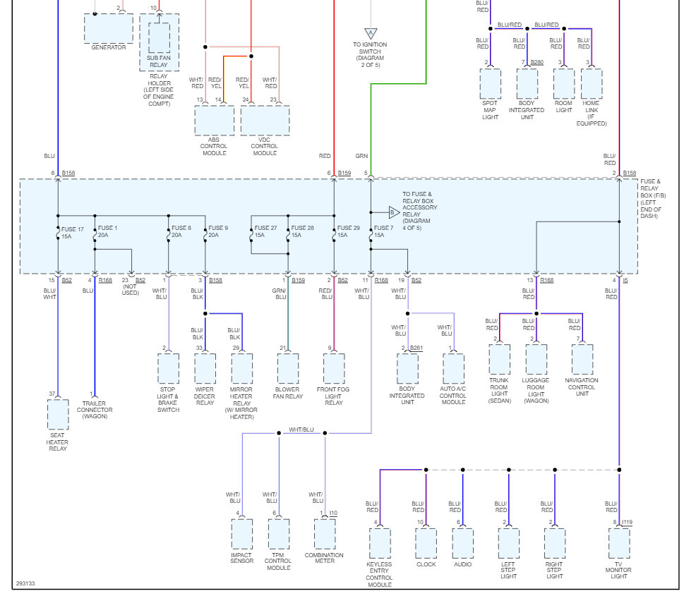
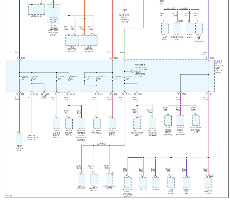
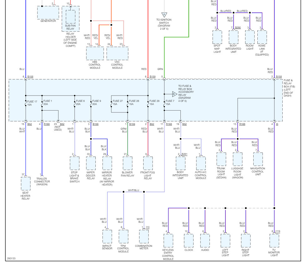
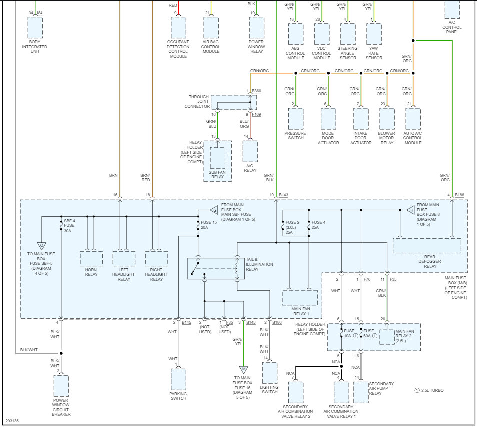
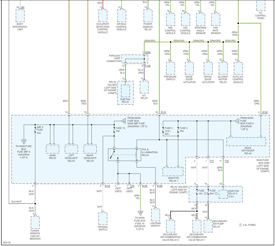
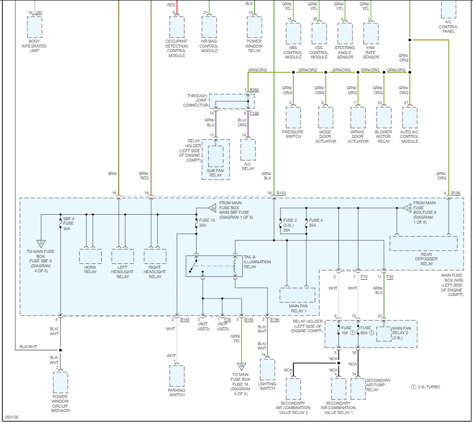
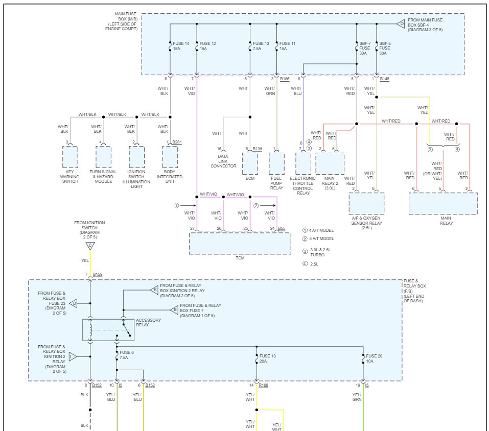
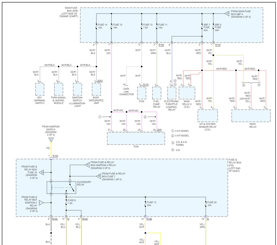
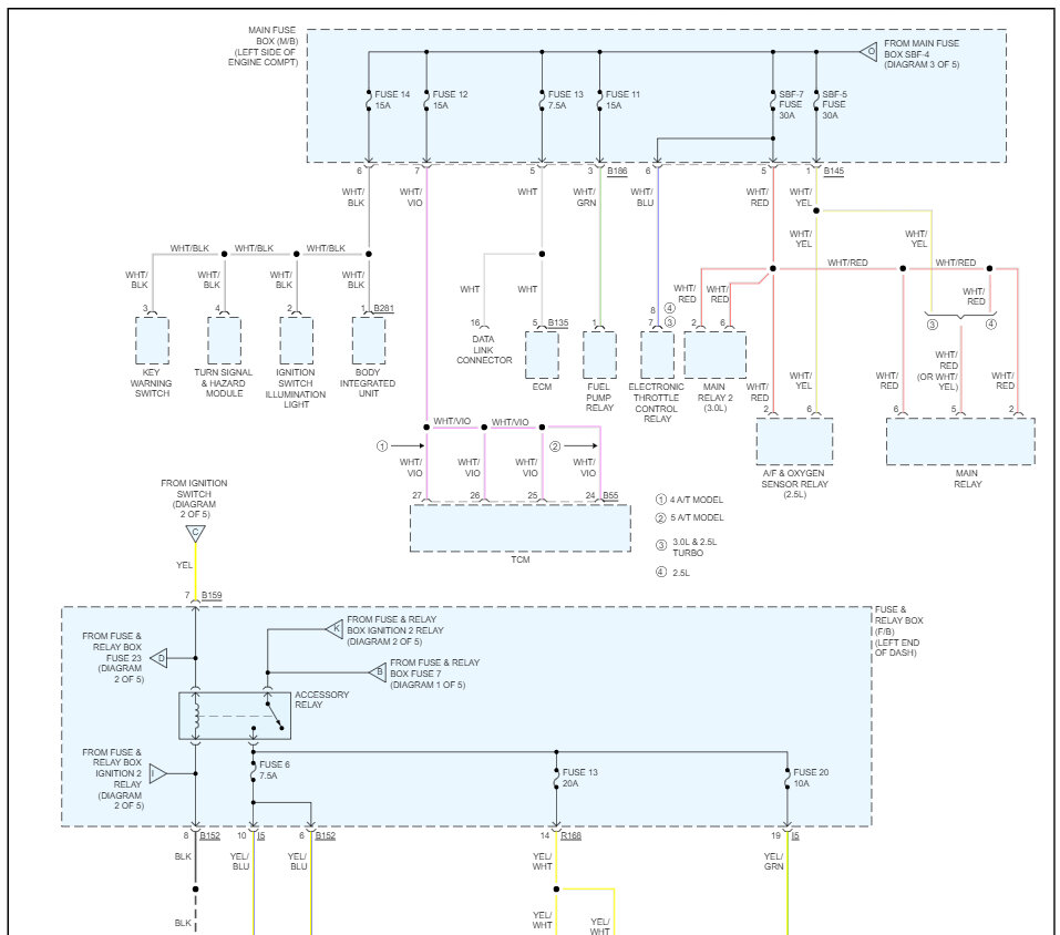
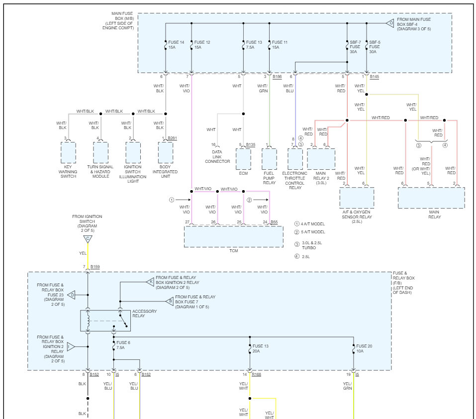
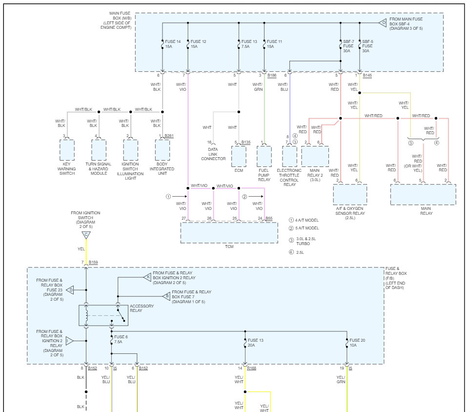
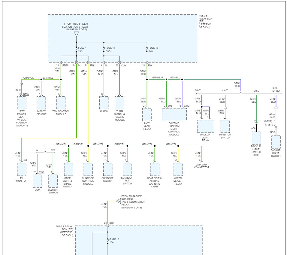
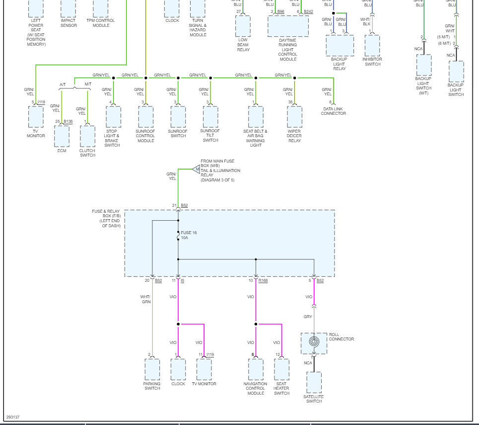
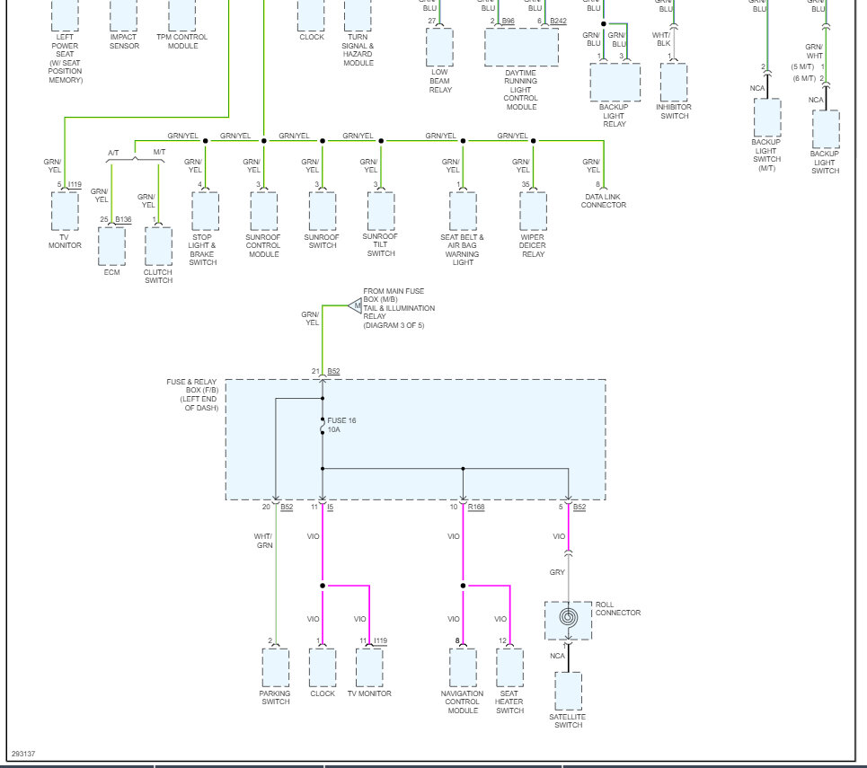
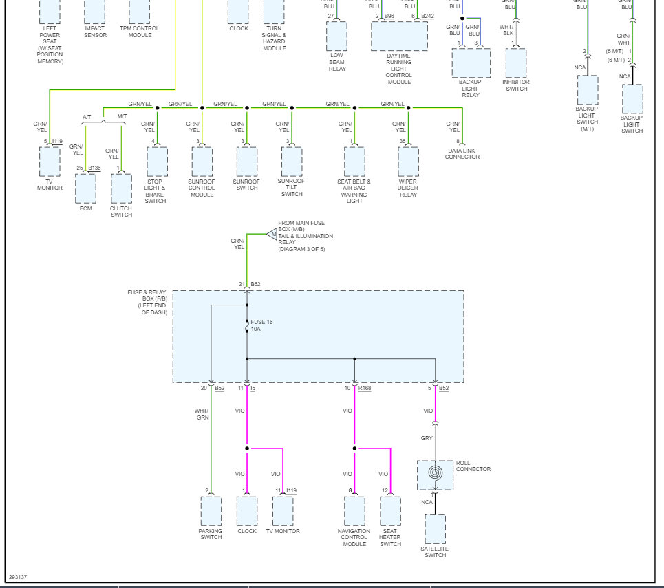
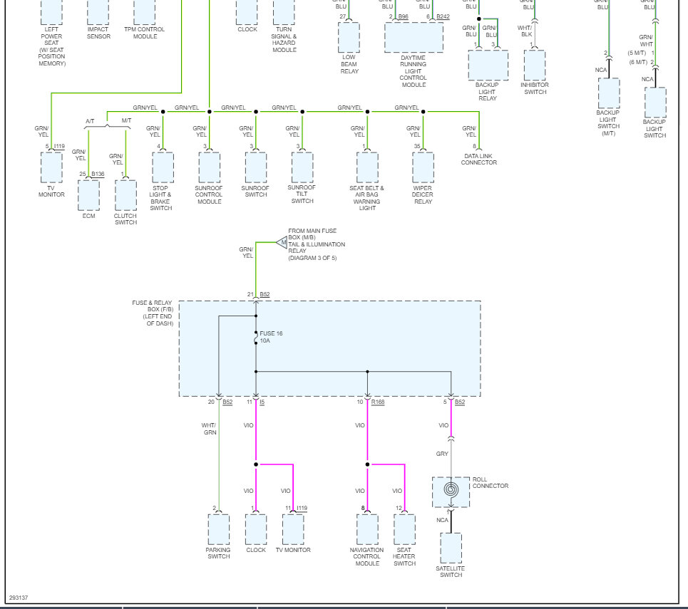
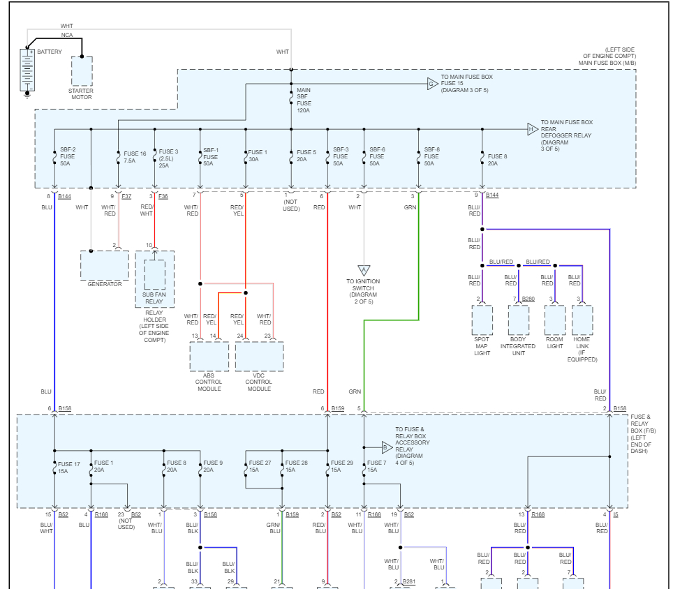
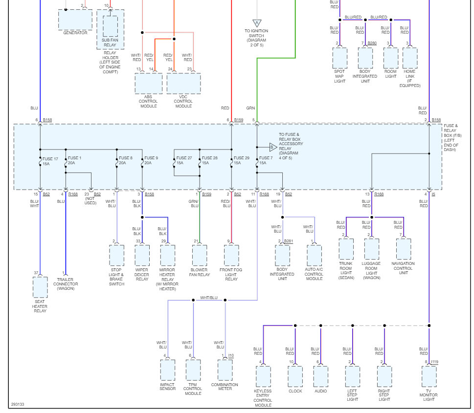
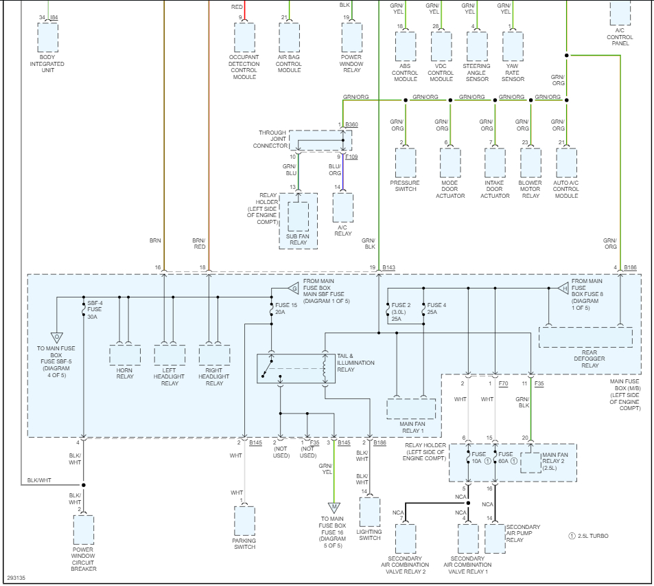
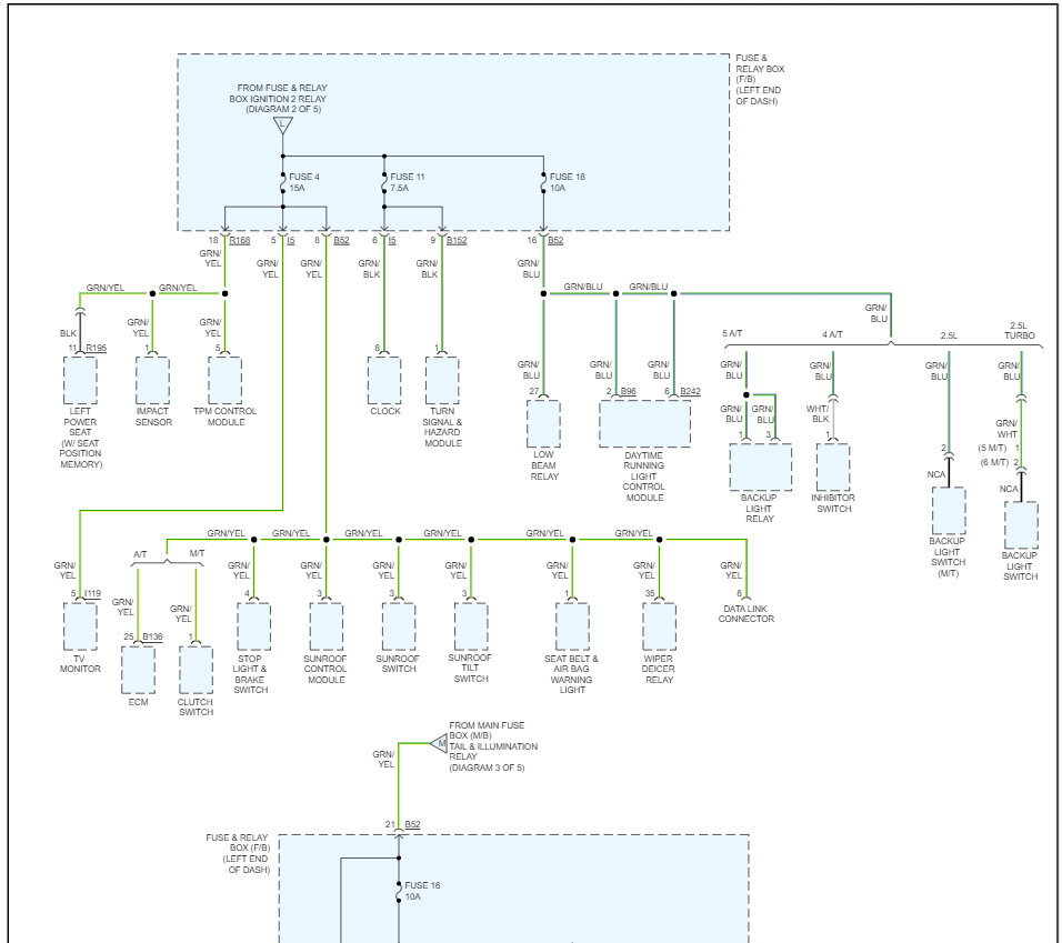
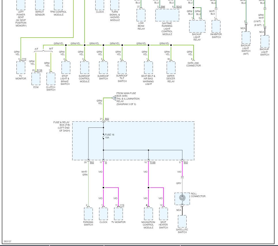
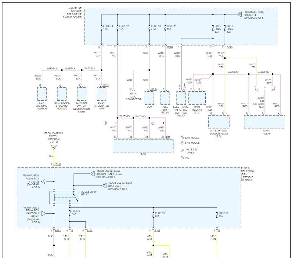
There are two rectangular connectors that plug into the front of the interior fuse box. What are they, and what do they do? They have one single wire and are clipped onto the fuse panel with a yellow clip.











