Fuse box pinout

Tiny
DAISY LEDET
  • MEMBER
  • 2001 PONTIAC GRAND PRIX
  • 3.8L
  • 6 CYL
  • TURBO
  • 2WD
  • AUTOMATIC
  • 100,000 MILES
A rat ate wiring to PCM. I need to know the pinout on the fuse box for wires to the PCM control module.
Monday, March 29th, 2021 AT 8:09 PM

3 Replies

Tiny
JACOBANDNICKOLAS
  • MECHANIC
  • 110,194 POSTS
Hi,

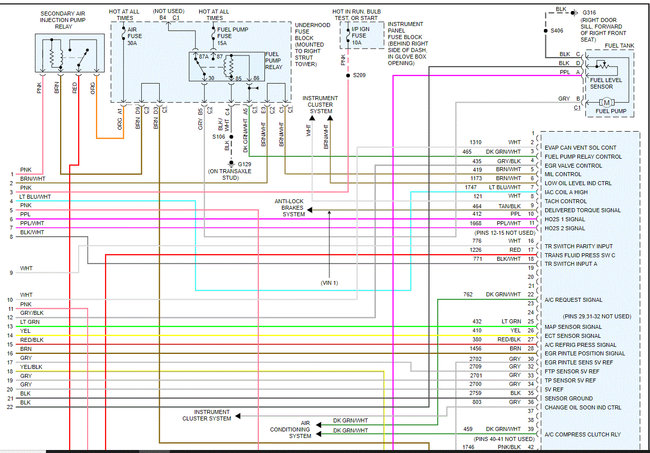
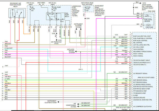
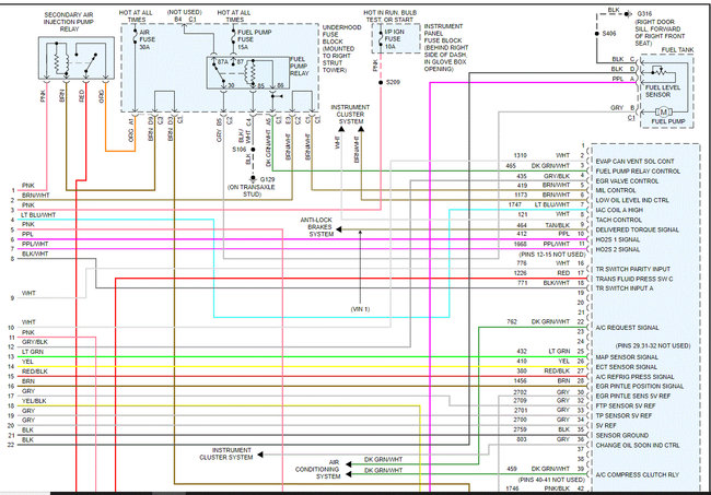
If you look at the pics below, I included the entire powertrain management wiring schematic. I had to cut the pics in half to make them readable for you. However, I did overlap them so you can follow them easier.

Here is a link you may find helpful while doing the repairs:

https://www.2carpros.com/articles/how-to-check-wiring

Let me know if this helps or if you have other questions.

Take care,
Joe

See pics below
Was this
answer
helpful?
Yes
No
Tuesday, March 30th, 2021 AT 8:31 PM
Tiny
DAISY LEDET
  • MEMBER
  • 2 POSTS
I need the pinout for Under hood fuse block.
Was this
answer
helpful?
Yes
No
+2
Monday, April 5th, 2021 AT 6:51 PM
Tiny
JACOBANDNICKOLAS
  • MECHANIC
  • 110,194 POSTS
Hi,

The best I'm going to be able to do is a power distribution schematic. I cut the pics in half to make them readable. I did overlap them so you can follow. What you have to do is pay attention to where the power supply leads. The first pic shows a portion of the fuse box but if you continue following, it jumps to other areas in the box. It also includes the IP fuse box.

I hope this helps. Let me know.

Joe
Was this
answer
helpful?
Yes
No
Tuesday, April 6th, 2021 AT 5:50 PM

Please login or register to post a reply.