Saturday, July 3rd, 2021 AT 2:46 PM
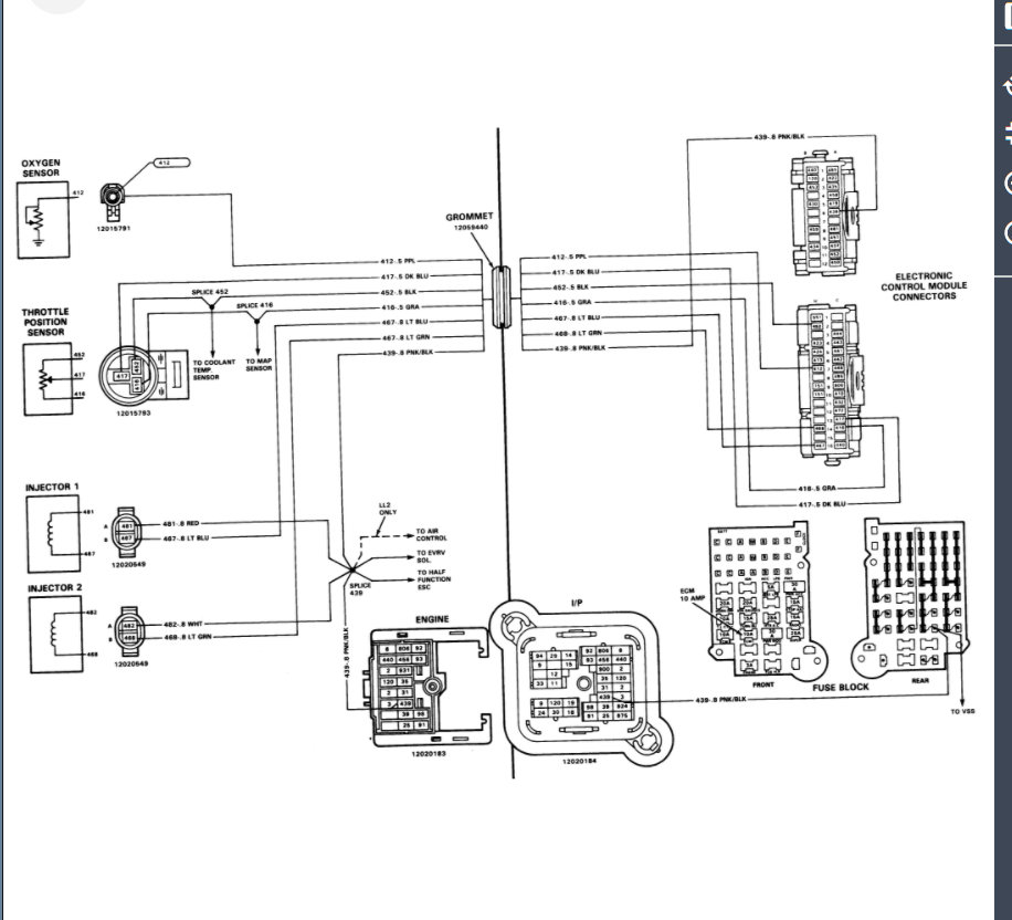
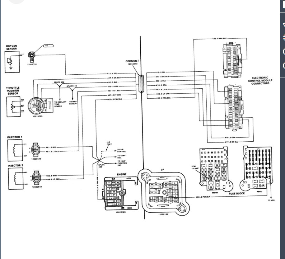
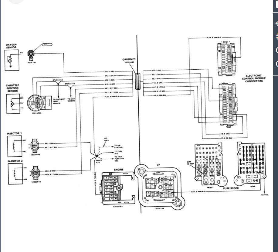
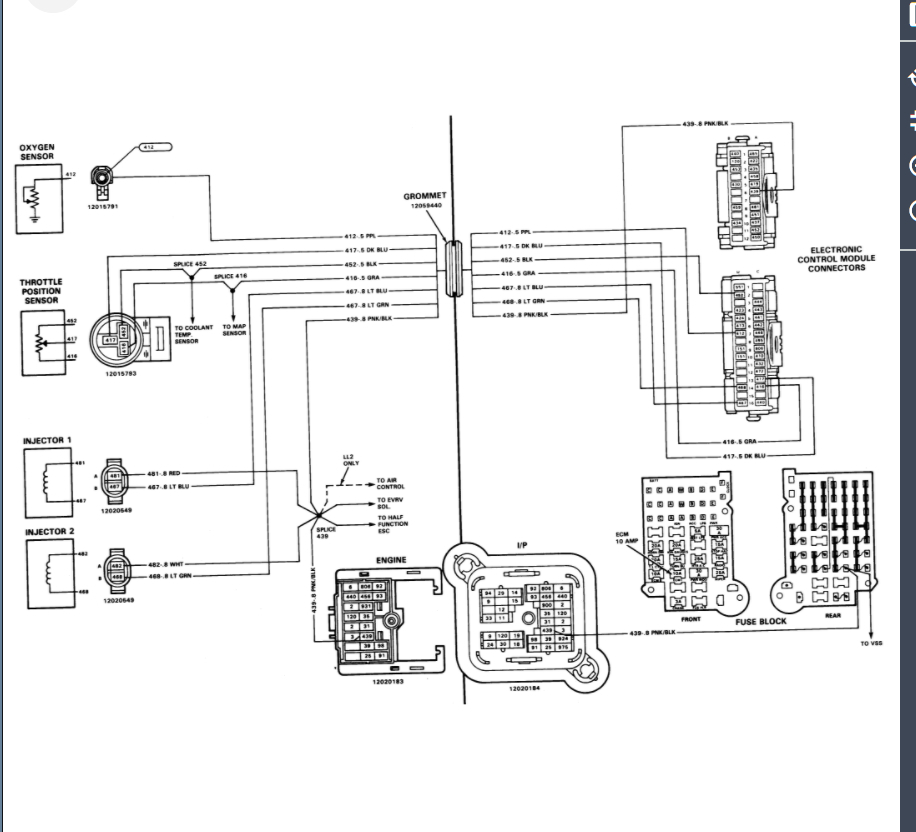
I’m having some issues with my injectors not spraying and I am trying to check my fuses. None of my fuses are labeled and I’m needing help to figure out exactly what’s what. The truck is turning over but the injectors aren’t spraying at all. They’re getting power.





