Fuse box diagram needed

Tiny
JJHRHIH
  • MEMBER
  • 1994 LEXUS LS 400
  • 4.0L
  • V8
  • 2WD
  • AUTOMATIC
  • 117,000 MILES
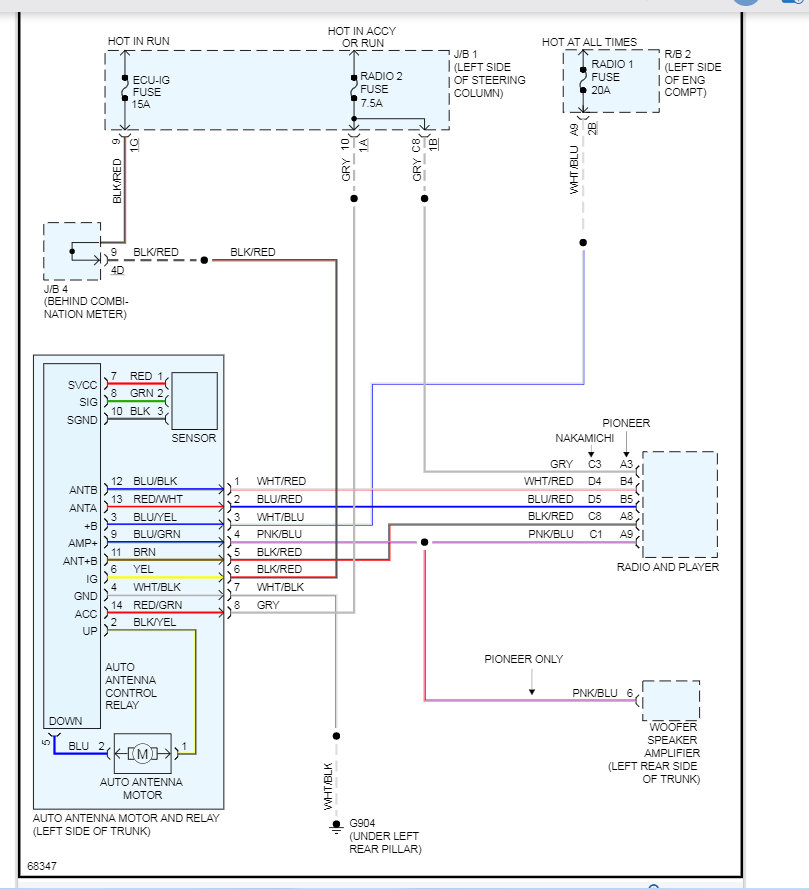
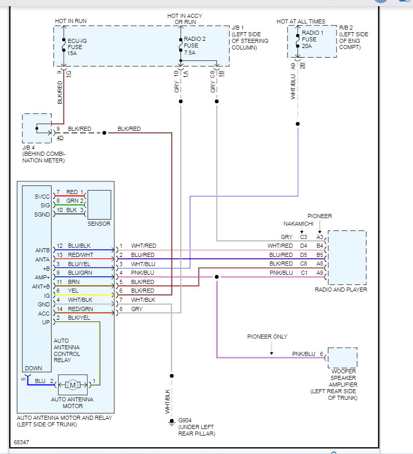
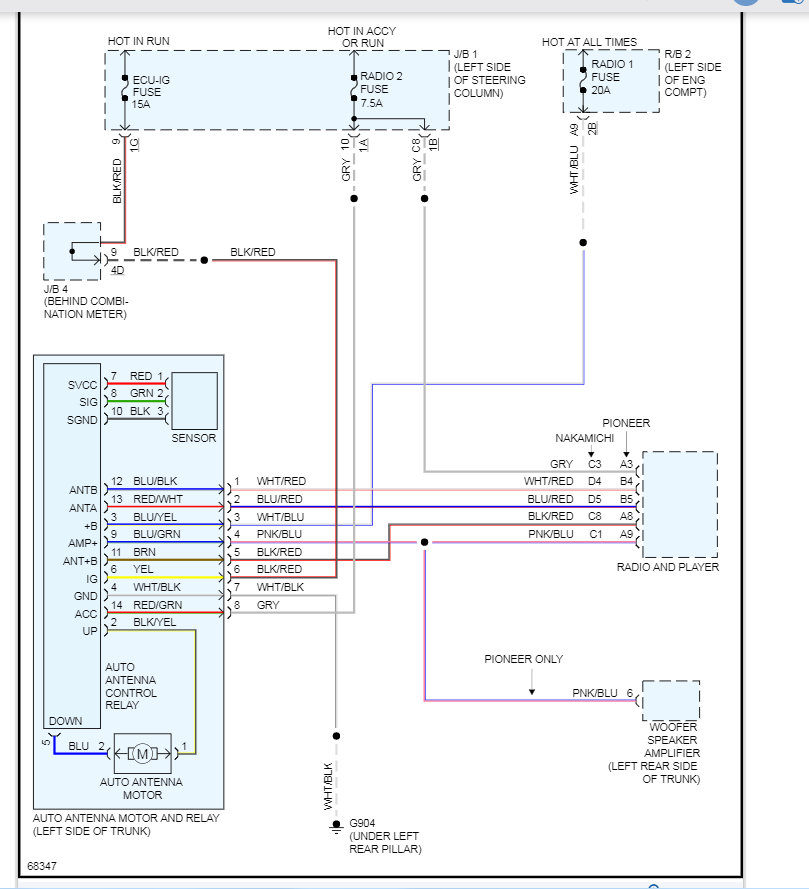
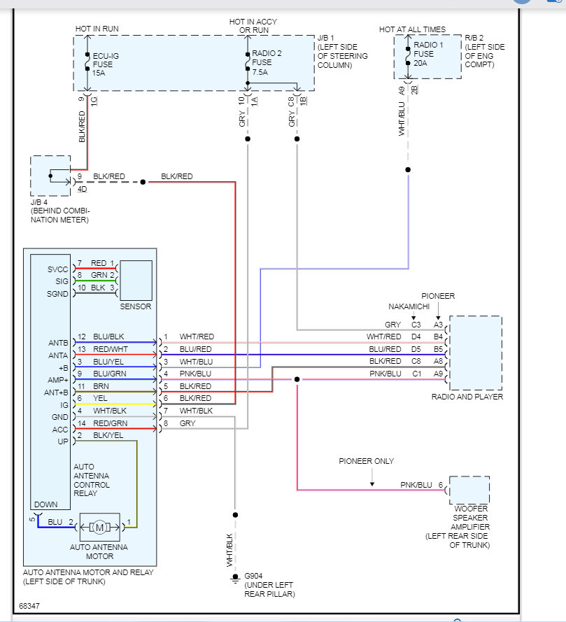
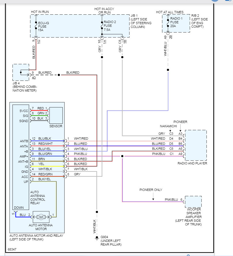
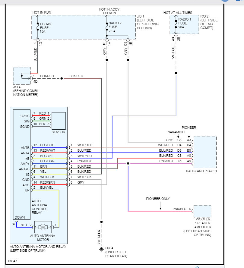
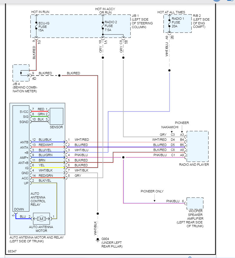
Radio and power antenna inoperable. Need diagram of fuse box.
Thursday, May 28th, 2020 AT 10:14 AM

1 Reply

Tiny
KASEKENNY
  • MECHANIC
  • 18,907 POSTS
I attached the info on these fuses. Let us know if you need more info and we can go from there. Check out the diagrams (Below). Please let us know if you need anything else to get the problem fixed. Thanks
Was this
answer
helpful?
Yes
No
+2
Thursday, May 28th, 2020 AT 3:54 PM

Please login or register to post a reply.