No power to the relays?

Tiny
JBM
  • MEMBER
  • 1996 LEXUS LS 400
  • 100,000 MILES
I have no power to the relays, but I have power everywhere else?
Thursday, December 16th, 2010 AT 1:07 AM

1 Reply

Tiny
KASEKENNY
  • MECHANIC
  • 18,907 POSTS
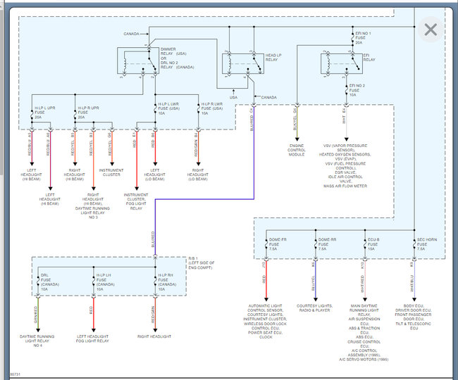
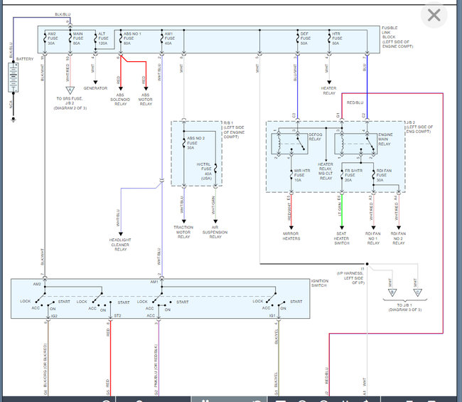
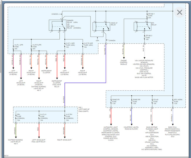
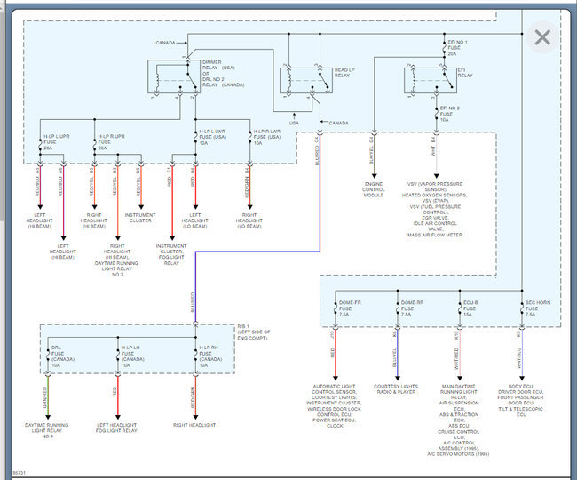
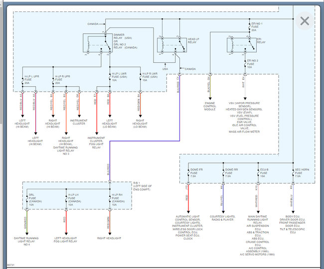
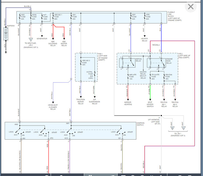
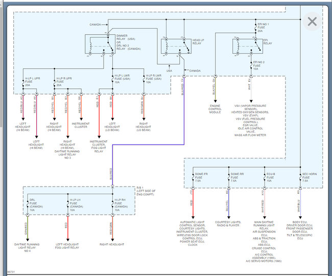
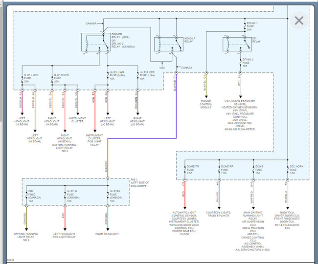
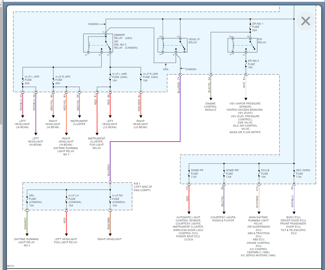
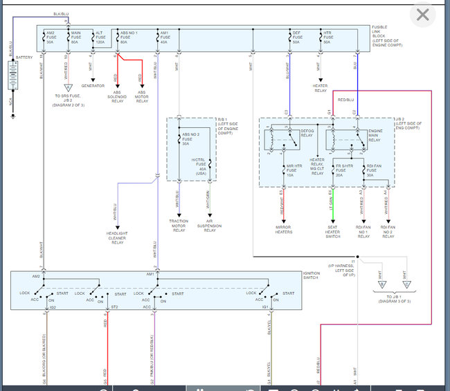
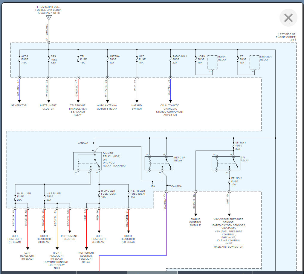
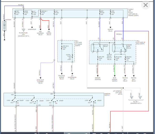
Please let us know what relays you are not getting power to and we will have a better idea what the issue is.

However, I am attaching all the info needed to figure out what the issue is including this guide on how to check and replace relays and fuses.

https://www.2carpros.com/articles/how-to-check-a-car-fuse

https://www.2carpros.com/articles/how-to-check-an-electrical-relay-and-wiring-control-circuit

Below you will find the wiring diagrams needed for the power flow which will show each of the relays and the fuses that feed them.

Please let us know what questions you have and we can go from there. Thanks
Was this
answer
helpful?
Yes
No
Saturday, September 25th, 2021 AT 7:58 PM

Please login or register to post a reply.