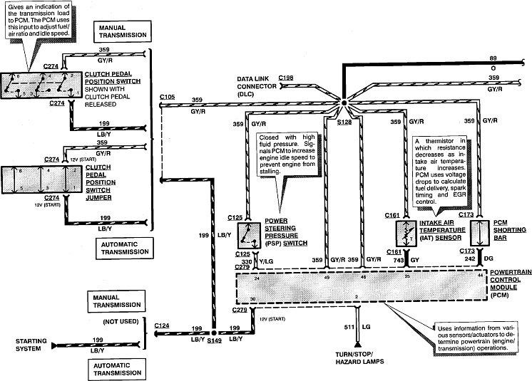
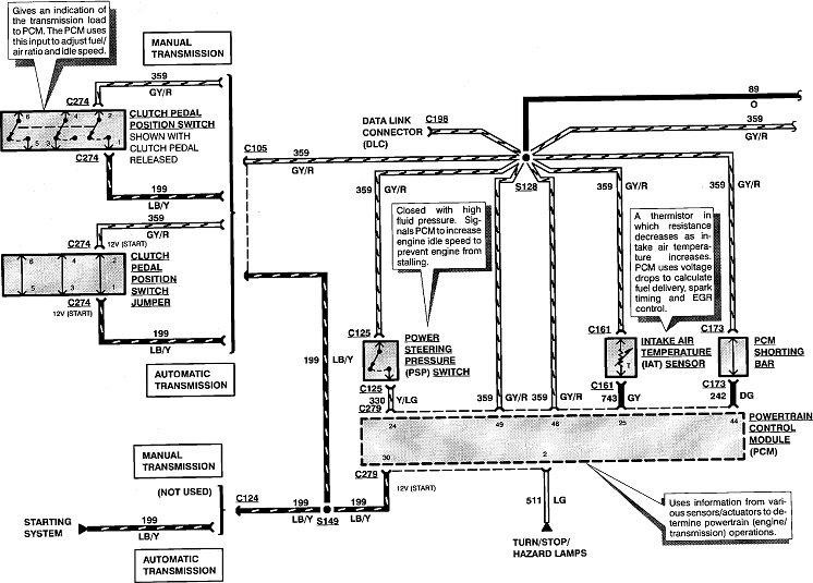
Wednesday, January 15th, 2020 AT 10:17 AM
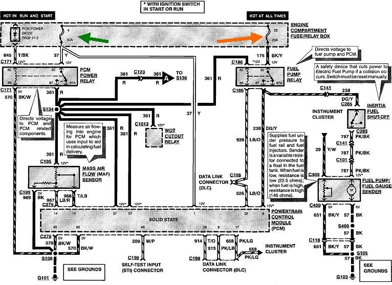
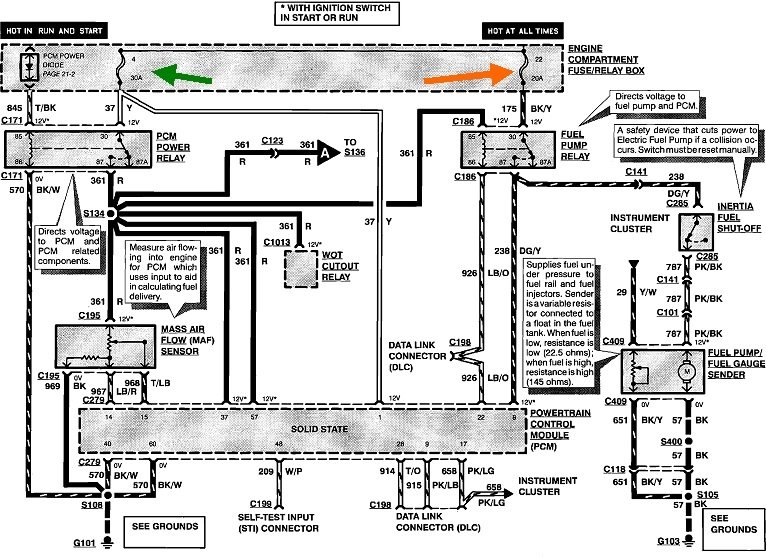
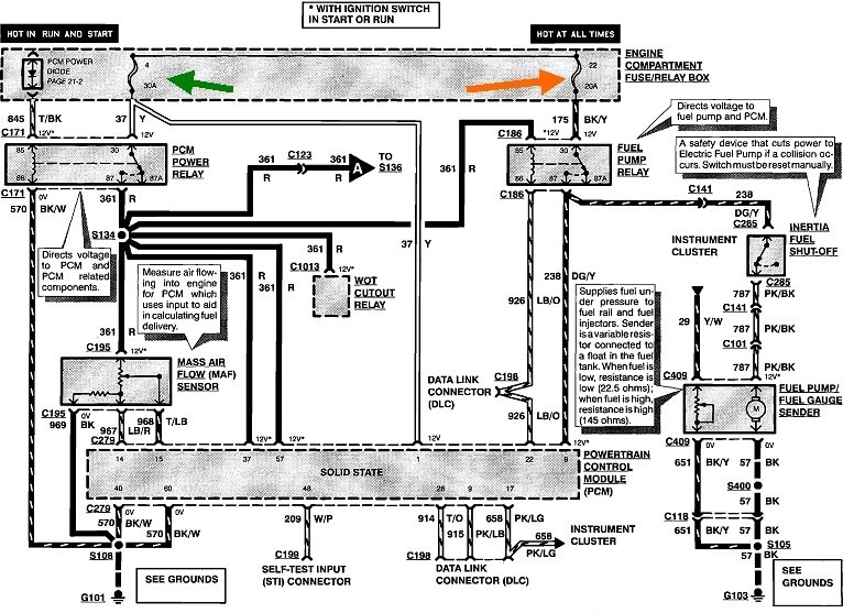
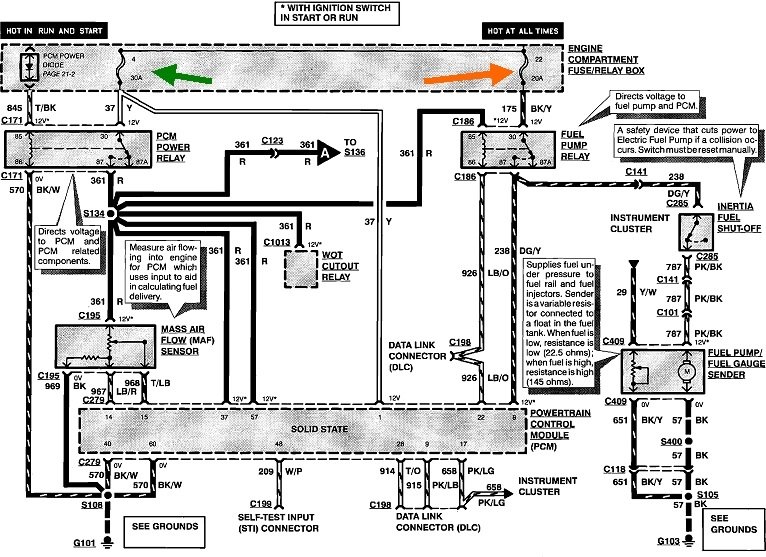
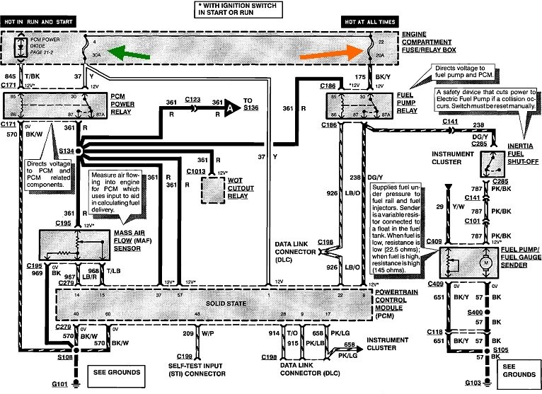
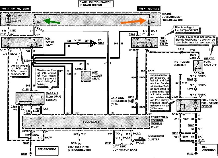
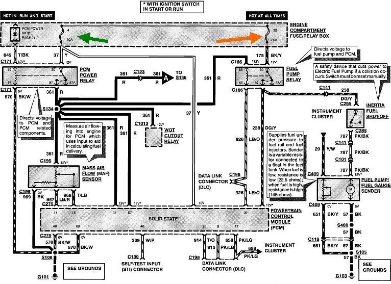
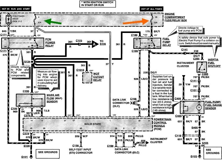
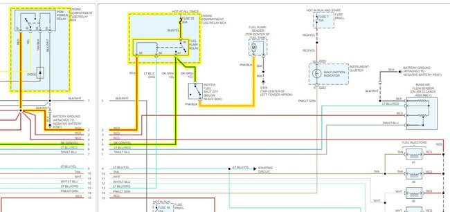
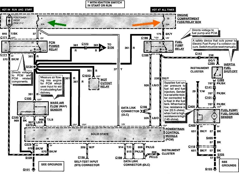
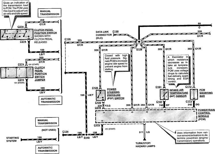
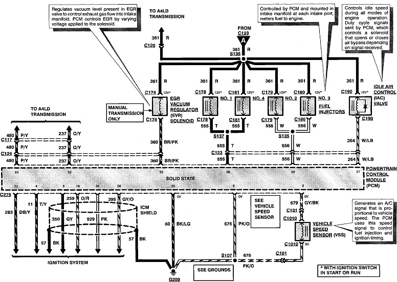
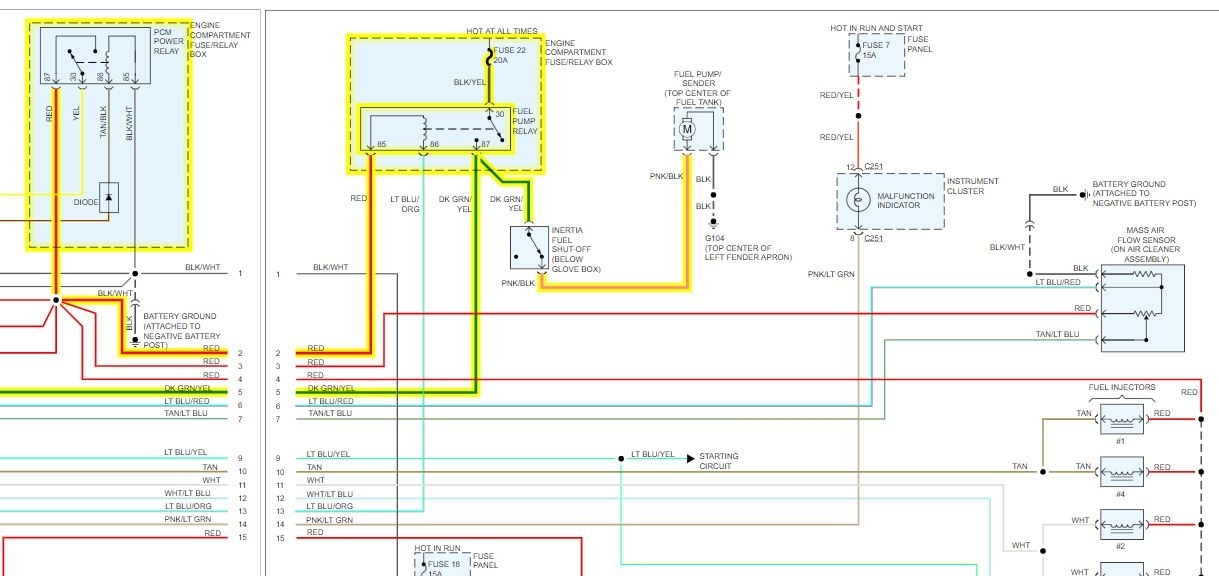
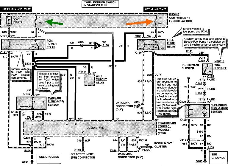
New fuel pump not getting hot on pin 85 the red wire.I can jumper 87 to 30 at relay and pump worked fine but no start now my pump does not come on even when I jumper. Please help. I feel like it's a wiring issue but I'm not sure. This has been baffling me I'm on second fuel pump now it won't come on even when I jumper from 87 to 30 nothing. I'm getting power to fuel pump clip still no pump. I can't get power to red wire on 85 of fuel pump relay.





















