Fuel tank problem

Tiny
TONYHARTWIG4150
  • MEMBER
  • 1987 FORD F-250
  • 7.5L
  • V8
  • 4WD
  • AUTOMATIC
  • 77,000 MILES
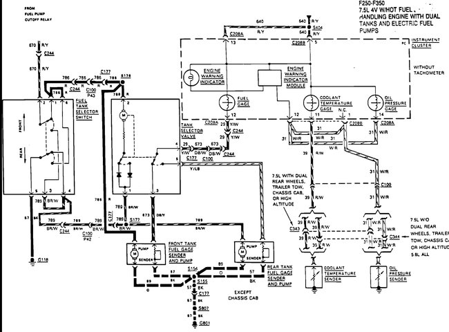
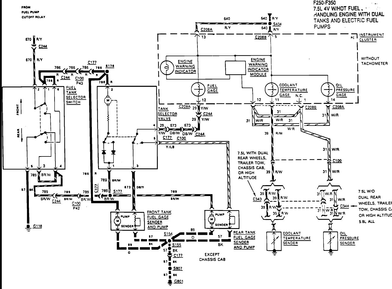
I replaced fuel pumps and sending units, both tanks. Rear tank did not work, still does not. I started tracing wires, some change colors, some just stop. The dash selector is 11.8 VDC when front selected, 8.1 VDC when rear is on. I cannot even find a good pinout drawing of the selector valve, or wiring diagram.

460 carburetor four wheel drive auto supercab XLT Lariat.

Wednesday, October 11th, 2017 AT 3:50 PM

1 Reply

Tiny
STEVE W.
  • MECHANIC
  • 15,608 POSTS
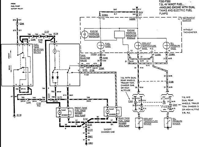
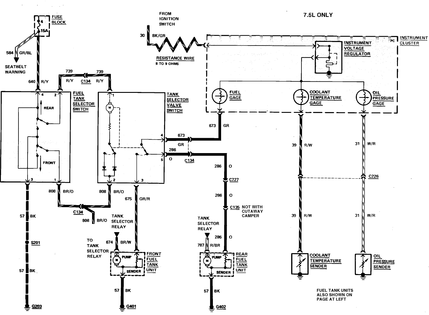
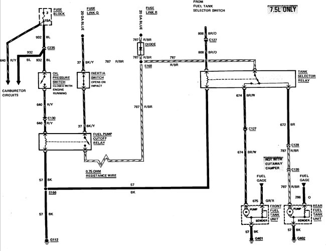
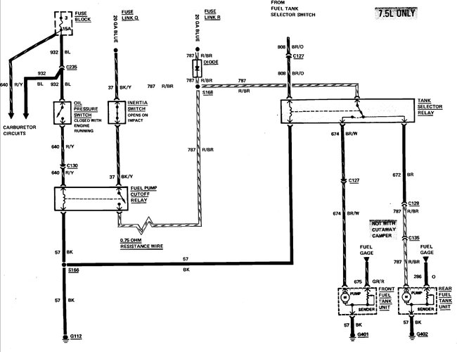
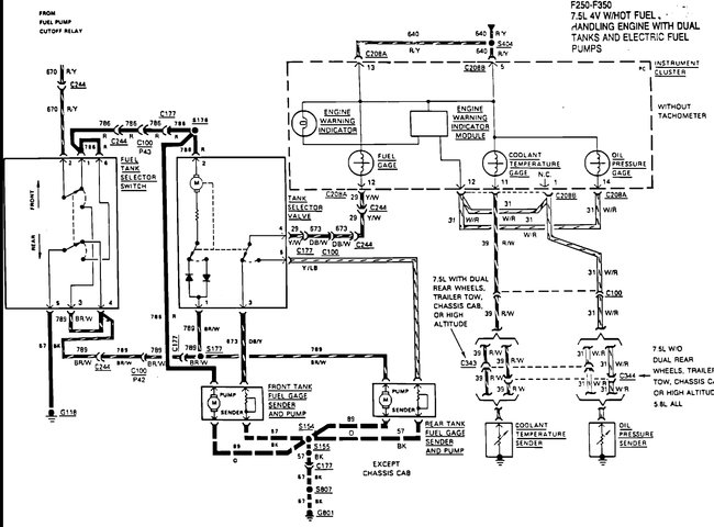
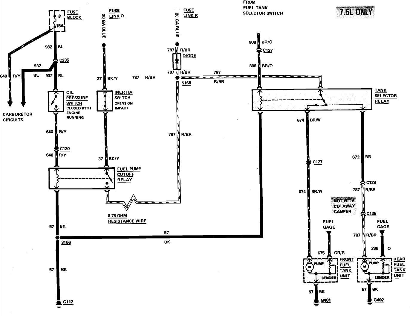
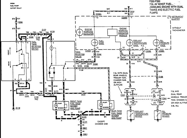
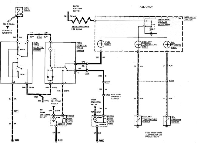
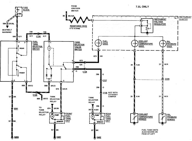
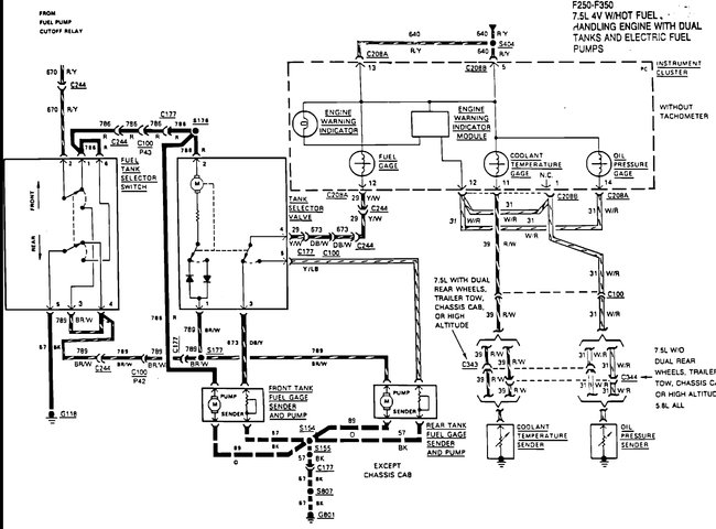
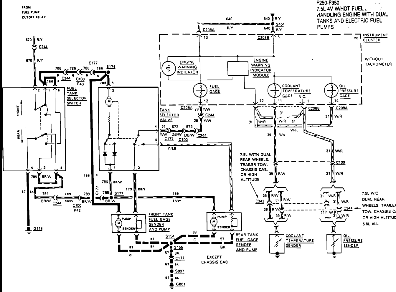
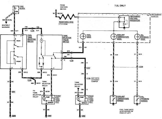
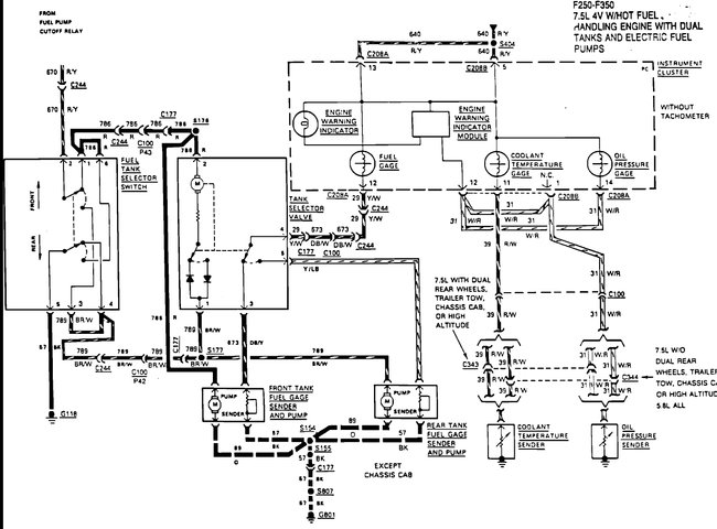
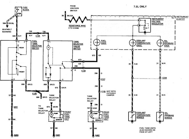
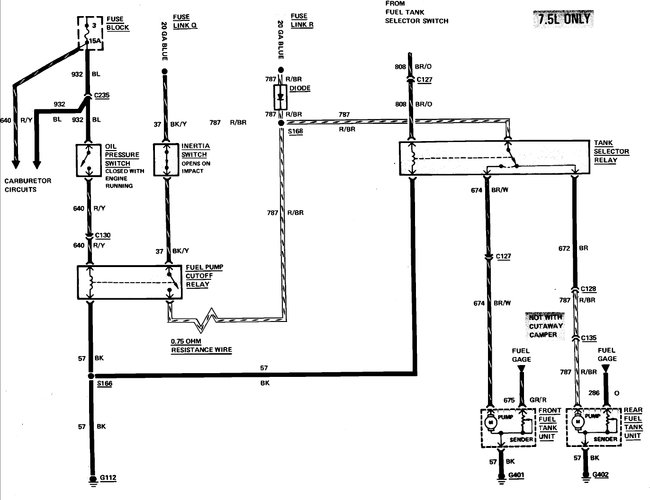
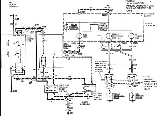
One of these should be the correct diagram as you have pumps in each tank. Ford used three twin tank systems, two used three pumps, one with a pump relay and one that used the switch itself to change the power to the pumps. Another one uses just the front pump but with two tanks.
The first picture is the one that uses the switch itself to direct the power to the pumps, the other two go together and are for the style that uses the relay to direct the power.

If yours is the first style and you only get eight volts I would look at the switch or at the grounds. You are getting some power but a lot is not getting through.
Was this
answer
helpful?
Yes
No
Thursday, October 12th, 2017 AT 12:11 AM

Please login or register to post a reply.