Shut off while driving, will not start?

Tiny
RIPEREZ1027
  • MEMBER
  • 1996 FORD EXPLORER
  • 4.0L
  • 6 CYL
  • 4WD
  • AUTOMATIC
  • 190,000 MILES
I was driving and the engine turned off. The truck will not start replaced fuel pump motor, and relay and filter still will not start.
Tuesday, March 14th, 2023 AT 6:16 PM

6 Replies

Tiny
MIKE H R
  • MECHANIC
  • 3,094 POSTS
Just for information can you use a little starting fluid to see if starts at all. When you turn the key on can you hear the fuel pump turn on? You said you put a new fuel pump on. How did the fuel pump screen look on the one you took out?
Was this
answer
helpful?
Yes
No
Wednesday, March 15th, 2023 AT 8:21 AM
Tiny
JACOBANDNICKOLAS
  • MECHANIC
  • 110,194 POSTS
Hi,

I noticed we haven't heard from you for a couple of days. Have you made any progress? We are interested in knowing.

Take care,

Joe
Was this
answer
helpful?
Yes
No
Friday, March 17th, 2023 AT 11:15 PM
Tiny
RIPEREZ1027
  • MEMBER
  • 3 POSTS
No, I haven't made any progress, unfortunately, but I now know that it probably doesn't have to do with the fuel system, or at least not the pump or relay. I have tried to use starting fluid in the air intake, and it still doesn't want to start. So, I took my multimeter and I'm not getting much power to the fuel pump, 2-3v at any given time. So, I'm thinking it must be an Electrical problem. I've checked all the fuses and connections, but everything seems to be in working order. I have seen on 2carspro. Com a way to use the OBD1 connection without a diagnostic tool but I would need a little bit more information about how to do this before I even feel comfortable enough to even try. If you can tell me about anything I might have missed or help me with the OBD1 I would really appreciate it. Thanks for your help.
Was this
answer
helpful?
Yes
No
Saturday, March 18th, 2023 AT 10:55 AM
Tiny
JACOBANDNICKOLAS
  • MECHANIC
  • 110,194 POSTS
Hi,

No problem. As far as the vehicle, a 1996 should have an OBD2 system. If it doesn't, here is the link that explains how to check for codes:

https://www.2carpros.com/articles/ford-lincoln-mercury-obd1-1995-and-earlier-diagnostic-trouble-code-definition-and-retrieval

The idea that it made no difference with starting fluid most likely indicates there is no spark to the spark plugs. I need you to check that for me.

Here is a link that explains how it's done:

https://www.2carpros.com/articles/how-to-check-for-ignition-spark

If there is no spark, pay attention to the tachometer to see if it moves a little when cranking. If there is no movement, my first suspect is a faulty crankshaft position sensor.

Let me know what you find.

Take care,

Joe
Was this
answer
helpful?
Yes
No
Saturday, March 18th, 2023 AT 3:25 PM
Tiny
RIPEREZ1027
  • MEMBER
  • 3 POSTS
You're right, it is OBD2 I was thinking of a different vehicle. Anyhow there is no spark, and the tachometer does move. Any other suggestions?
Was this
answer
helpful?
Yes
No
Monday, March 20th, 2023 AT 3:20 PM
Tiny
JACOBANDNICKOLAS
  • MECHANIC
  • 110,194 POSTS
Hi,

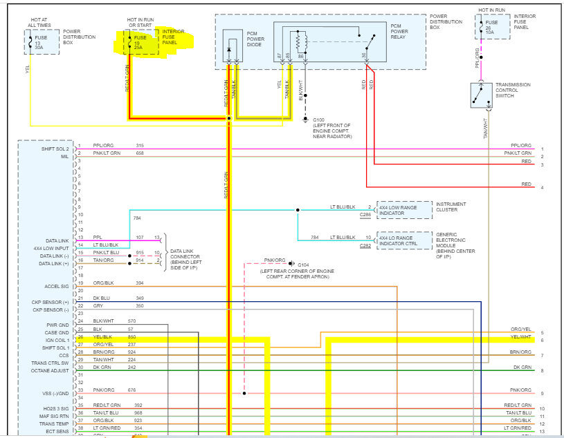
Are you able to scan the computer? Also, I need you to check for power to the coil packs. The wire is red with a light green tracer. With the key on, that wire powers all coils with battery voltage until the engine is turned off. To complete the circuit and create the secondary spark, the PCM provides a ground path. (See pics 1 and 2 below)

So, first, check fuse 19 in the interior fuse panel. In addition to checking the fuse's condition, confirm there is power to and from it with the key in the run position.

If that checks good, confirm power at the coils via the aforementioned wire.

Let me know what you find.

Joe

See pics below. I highlighted the wires to help locate them.
Was this
answer
helpful?
Yes
No
Monday, March 20th, 2023 AT 9:32 PM

Please login or register to post a reply.