Two injectors not firing on my 4afe

Tiny
SIYABULELA NTSOKO
  • MEMBER
  • 1993 TOYOTA COROLLA
  • 1.6L
  • 4 CYL
  • 2WD
  • MANUAL
  • 320,000 MILES
I recently sent them for testing and cleaned. But the vehicle still have the same issue. What might be the problem?
Saturday, July 24th, 2021 AT 11:15 PM

1 Reply

Tiny
ASEMASTER6371
  • MECHANIC
  • 52,796 POSTS
Good morning,

The ECM controls the injectors. The ECM controls 2 at a time. You should have power with the key on to the injectors on 1 terminal. The other terminal goes to the ECM for grounding. When it grounds the injector, it opens up and passes fuel.

https://www.2carpros.com/articles/how-to-test-a-fuel-injector

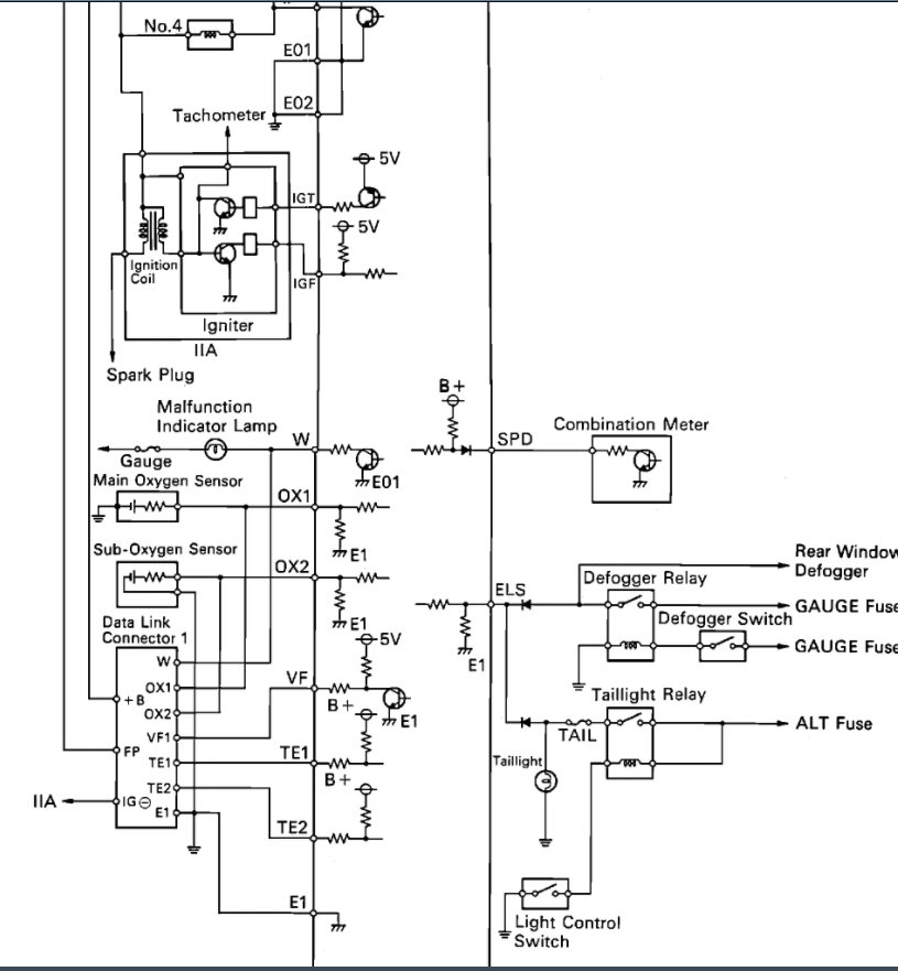
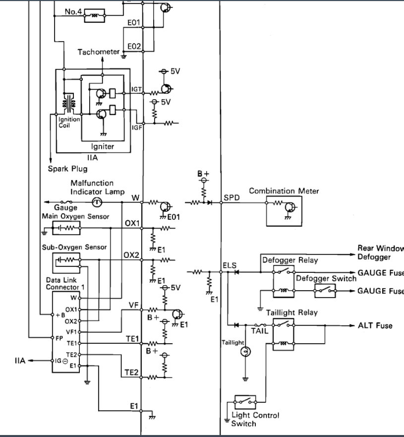
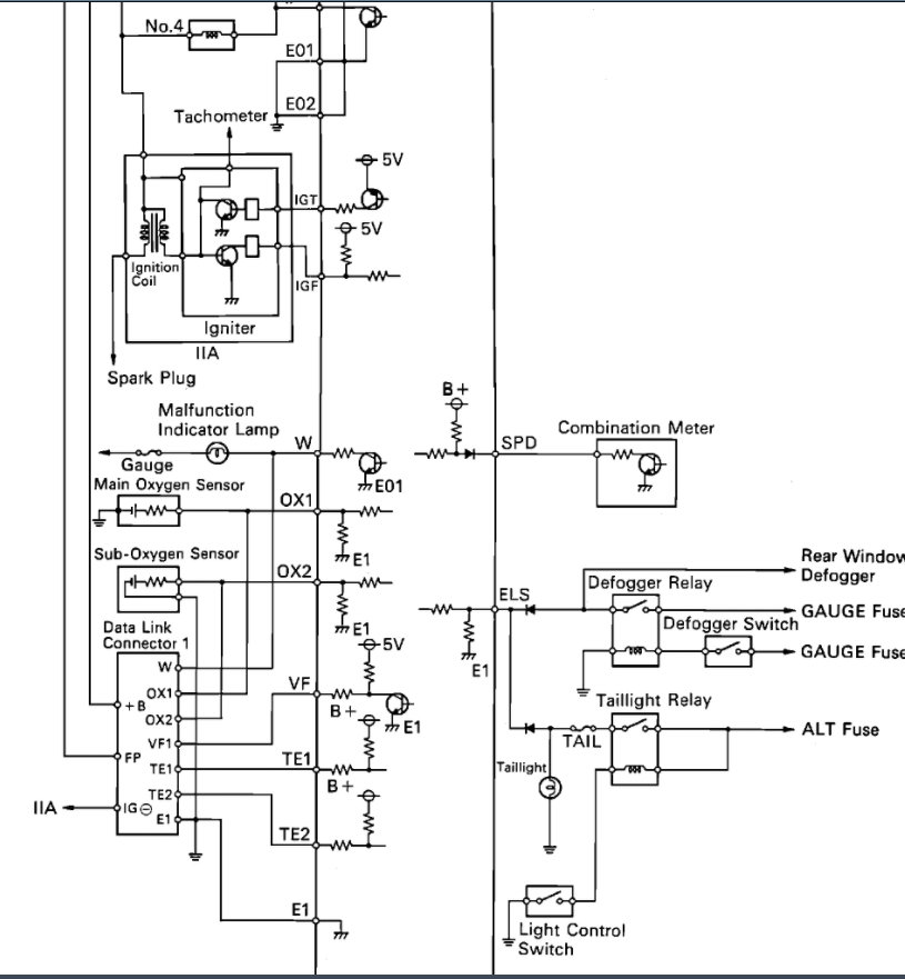
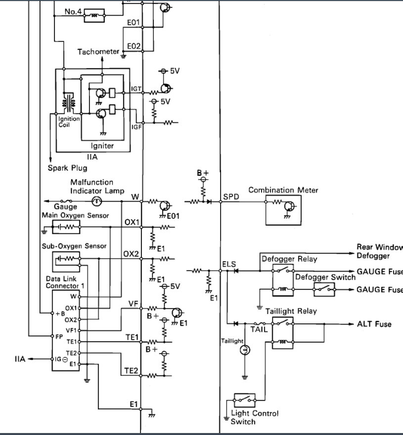
I attached a wiring diagram for you to view. If there is the power to the injector then it is a good chance the ECM is the issue.

https://www.2carpros.com/articles/how-to-use-a-voltmeter

Roy
Was this
answer
helpful?
Yes
No
+7
Sunday, July 25th, 2021 AT 9:11 AM

Please login or register to post a reply.