Burnt connector in the fuel pump

Tiny
ZACHARY PRANGER
  • MEMBER
  • 2013 CHRYSLER 200
  • 3.6L
  • V6
  • 2WD
  • AUTOMATIC
  • 169,000 MILES
Hello, I'm having issues with my fuel system, I was checking on my pump because I am having issues with starting, come to find a burnt connector in the fuel pump, wondering if anyone has any ideas or wiring diagrams to figure out what fried it. Thanks!
Saturday, November 13th, 2021 AT 2:37 PM

1 Reply

Tiny
JACOBANDNICKOLAS
  • MECHANIC
  • 110,192 POSTS
Hi,

If it is a connector that is burnt, there is a chance it had a poor connection which can create excessive heat. Which connector was burnt?

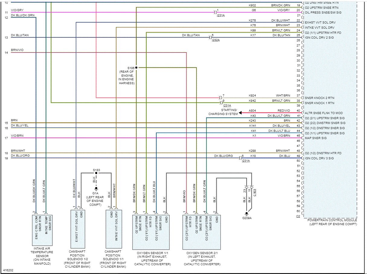
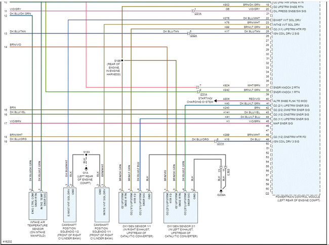
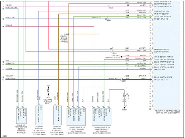
As far as the wiring, I attached the entire wiring schematic for the powertrain management system. I highlighted the wiring for the fuel pump.

Let me know which connectors are damaged so I have a better understanding. Here is a link you may find helpful:

https://www.2carpros.com/articles/how-to-check-wiring

As far as the schematics, they were six pages long. I had to cut each pic in half to make them readable for you. I did overlap them so you can follow from one to the next.

Let me know if this helps. Also, let me know if you have other questions. The schematics are a little intimidating.

Take care,

Joe

See pics below.
Was this
answer
helpful?
Yes
No
Saturday, November 13th, 2021 AT 11:48 PM

Please login or register to post a reply.

Related Fuel System Fuel Pump Content

Fuel Pump Replacement
VIDEO