Things I’ve done so far are:
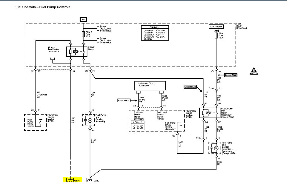
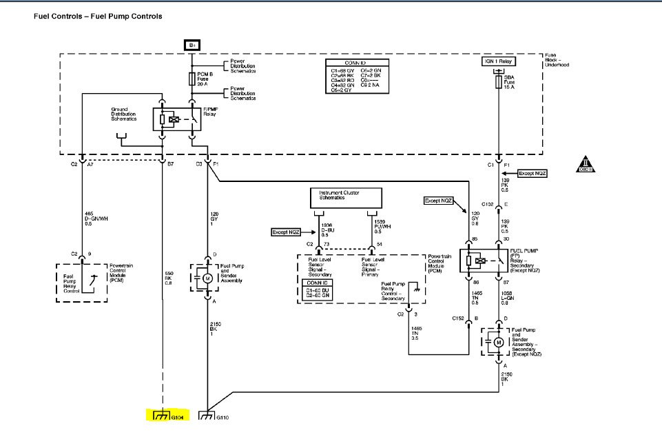
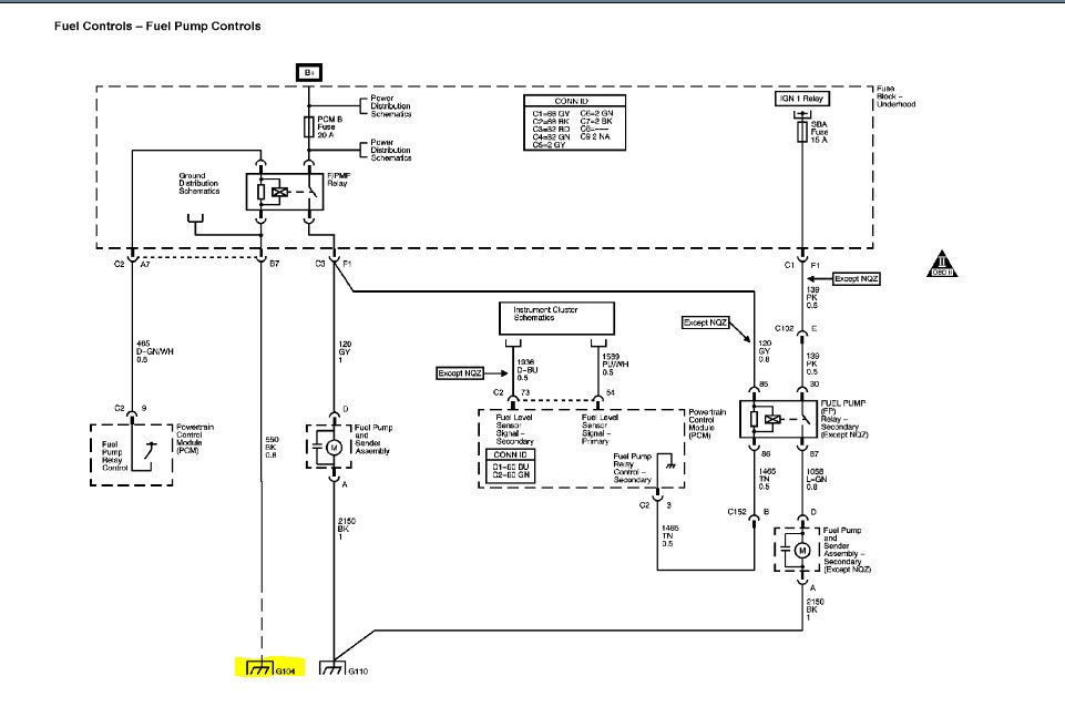
Took off the bed and checked to make sure the fuel pump works with my power probe. Fuel pump turns on when you give it 12 volts. Checked the plug and pins but they seem good. I replaced the fuel pump relay with one from the fuse box with something I know is working but that didn’t fix it. I tested power at the relay. The 30 pin has 12 volts when the key is on. Pin 87 has nothing. The thing I find weird is pin 86 the ground pin has only 10 volts when I check it for a ground. If I jump pin 30 and 87 the fuel pump with work all the time. I’m guessing I have a ground issue but I have no clue where to look. Don’t know where the 86 pin gets ground. There is nothing going to that pin from the bottom of the fuse box. I checked all the fuses I can find and have swapped all the relays with each other. I have cleaned the ground from the fuel cap to the frame. Also the ground on the engine block. Can anyone help me? I’m so lost at this point.
Thursday, October 10th, 2019 AT 2:37 PM








