Fuel pump relay location

Tiny
COLLET WILLIAMS
  • MEMBER
  • 2010 CADILLAC CTS
  • 3.0L
  • 6 CYL
  • AUTOMATIC
  • 80,000 MILES
Trying to locate the fuel pump relay.
Thursday, November 1st, 2018 AT 9:35 AM

18 Replies

Tiny
ASEMASTER6371
  • MECHANIC
  • 52,796 POSTS
Good afternoon.

The relay is in the fuse center. I attached a picture for you to view and they are marked.

Roy
Was this
answer
helpful?
Yes
No
+1
Thursday, November 1st, 2018 AT 11:42 AM
Tiny
COLLET WILLIAMS
  • MEMBER
  • 10 POSTS
Hi. My diagram does not have a fuel pump relay mark on it. Trying to send an image of diagram.
Was this
answer
helpful?
Yes
No
Monday, November 5th, 2018 AT 7:35 AM
Tiny
ASEMASTER6371
  • MECHANIC
  • 52,796 POSTS
The relay diagram I sent you shows fuel pump.

Which fuse box are you looking at?

Roy
Was this
answer
helpful?
Yes
No
-1
Monday, November 5th, 2018 AT 7:43 AM
Tiny
COLLET WILLIAMS
  • MEMBER
  • 10 POSTS
I sent a picture of fuse box diagram.
Was this
answer
helpful?
Yes
No
-1
Monday, November 5th, 2018 AT 7:48 AM
Tiny
COLLET WILLIAMS
  • MEMBER
  • 10 POSTS
Sent a picture.
Was this
answer
helpful?
Yes
No
-1
Monday, November 5th, 2018 AT 7:51 AM
Tiny
ASEMASTER6371
  • MECHANIC
  • 52,796 POSTS
Where is this fuse box?

There is one under the hood, in the trunk and under the rear seat.
Was this
answer
helpful?
Yes
No
-1
Monday, November 5th, 2018 AT 7:52 AM
Tiny
COLLET WILLIAMS
  • MEMBER
  • 10 POSTS
I have no fuse box under the seat. The one under the hood has no relay for fuel pump.
Was this
answer
helpful?
Yes
No
+1
Monday, November 5th, 2018 AT 7:54 AM
Tiny
COLLET WILLIAMS
  • MEMBER
  • 10 POSTS
This fuse box is in the trunk.
Was this
answer
helpful?
Yes
No
+1
Monday, November 5th, 2018 AT 7:54 AM
Tiny
COLLET WILLIAMS
  • MEMBER
  • 10 POSTS
2010 Cadillac CTS.
Was this
answer
helpful?
Yes
No
Monday, November 5th, 2018 AT 7:56 AM
Tiny
ASEMASTER6371
  • MECHANIC
  • 52,796 POSTS
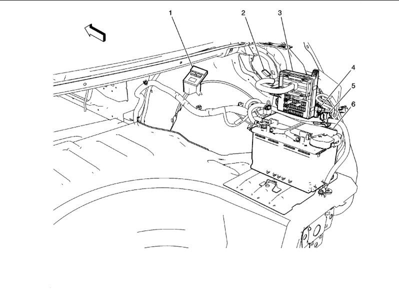
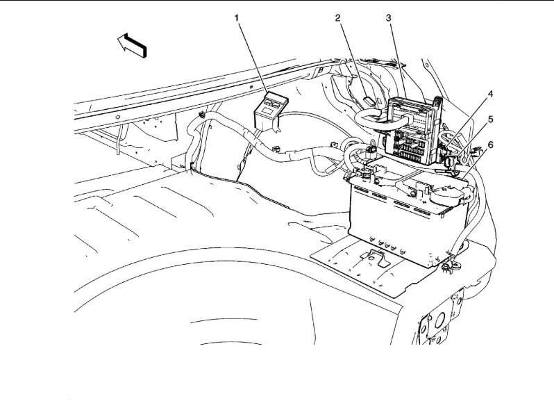
In the trunk.

Roy

1 - Fuel Pump Flow Control Module (LSA)
2 - Data Link Resistor (LSA)
3 - Fuse Block - Rear
4 - Fuel Door Release Actuator (N08)
5 - Battery Current Sensor
6 - Battery
Was this
answer
helpful?
Yes
No
Monday, November 5th, 2018 AT 7:57 AM
Tiny
COLLET WILLIAMS
  • MEMBER
  • 10 POSTS
Yes, I am not hearing my fuel pump engage. So I was trying to check fuel pump relay. Got codes P062B, P1682, P069E, and P0231.
Was this
answer
helpful?
Yes
No
Monday, November 5th, 2018 AT 8:03 AM
Tiny
COLLET WILLIAMS
  • MEMBER
  • 10 POSTS
I do not see fuel pump relay.
Was this
answer
helpful?
Yes
No
Monday, November 5th, 2018 AT 8:03 AM
Tiny
KEN L
  • MASTER CERTIFIED MECHANIC
  • 55,383 POSTS
There is no fuel pump relay only the control module. Here are the engine and fuel pump wiring diagrams so you can see how the system works.

Here is a guide so you can check for power to the pump to see if the pump is bad. Use the wiring diagrams below:

https://www.2carpros.com/articles/how-to-use-a-test-light-circuit-tester

There are different locations for the fuel pump module here are all options.

Check out the diagrams (below). Please let us know what you find. We are interested to see what it is.

Cheers, Ken
Was this
answer
helpful?
Yes
No
Thursday, November 8th, 2018 AT 11:37 AM
Tiny
COLLET WILLIAMS
  • MEMBER
  • 10 POSTS
I have a 05 ford hybrid escape. Code P1A10 powertrain control module. Disaaable battery.
Was this
answer
helpful?
Yes
No
Friday, November 9th, 2018 AT 8:22 AM
Tiny
ASEMASTER6371
  • MECHANIC
  • 52,796 POSTS
Are you going to another car? If you are, please start a new question.

Roy
Was this
answer
helpful?
Yes
No
Friday, November 9th, 2018 AT 8:32 AM
Tiny
ASEMASTER6371
  • MECHANIC
  • 52,796 POSTS
Okay.

The 62 code is the key. You have a failed PCM and it needs to be replaced. That looks like it has set all the other codes as well.

Roy

p062b

P062B
Descriptor
Probable Causes
Engine Control Module (ECM)

1682

P1682
Descriptor
Probable Causes
EC Ignition Relay Feedback Signal Circuit Open or High Resistance
EC Ignition Relay Feedback Signal Circuit Short to Ground
Engine Control Module (ECM)

p069e

P069E
Descriptor
Probable Causes
Engine Control Module (ECM)
Transmission Control Module (TCM)
Was this
answer
helpful?
Yes
No
Friday, November 9th, 2018 AT 8:35 AM
Tiny
TAYY
  • MEMBER
  • 10 POSTS
Hello, I’m trying to located my fuel pump control module for replacement on my 2017 Cadillac XTS for throwing out the codes P069e.
Was this
answer
helpful?
Yes
No
Friday, March 6th, 2020 AT 6:40 PM
Tiny
KEN L
  • MASTER CERTIFIED MECHANIC
  • 55,383 POSTS
This is a different car. Please post your new question here, you must be logged in.

https://www.2carpros.com/questions/new

Cheers, Ken
Was this
answer
helpful?
Yes
No
Saturday, March 7th, 2020 AT 12:22 PM

Please login or register to post a reply.