HOME
ASK A QUESTION
REPAIR GUIDES
BECOME A MEMBER
LOG IN
Login with Facebook
OR
Remember me
NOT A MEMBER?
FORGOT PASSWORD?
CONTACT US
PRIVACY POLICY
TERMS AND CONDITIONS
☰
Home
Mazda
Protege
Fuel System
Fuel Pump
Relay
Location
Where is the fuel pump relay located?
33FRANK33
MEMBER
2002 MAZDA PROTEGE
4 CYL
2WD
AUTOMATIC
185,000 MILES
I can’t figure out where the location for the fuel pump relay is.
Thursday, June 1st, 2023 AT 4:16 PM
3 Replies
BORIS K
MECHANIC
836 POSTS
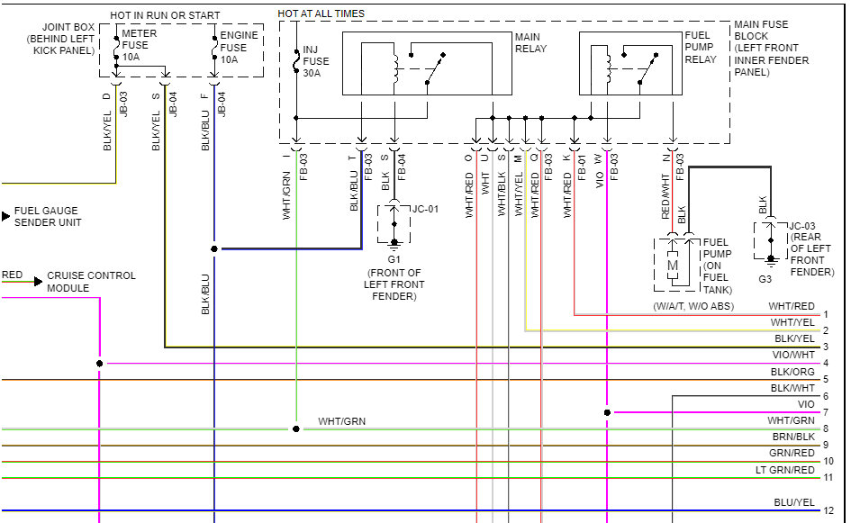
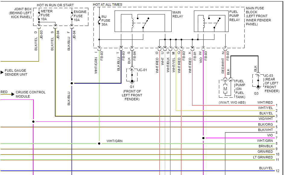
Hello,
The fuel pump relay is located in the main engine fuse block, just ahead of the driver's side front strut tower, next to battery. See images below.
How to test a relay:
https://www.2carpros.com/articles/how-to-check-an-electrical-relay-and-wiring-control-circuit
Please let us know if you need any other help.
Cheers, Boris
Images (Click to make bigger)
Was this
answer
helpful?
Yes
No
-1
Friday, June 2nd, 2023 AT 7:42 AM
33FRANK33
MEMBER
1 POST
So, I know that the fuel pump relay is in the main fuse box under the hood, but my question is, what relay is it?
Was this
answer
helpful?
Yes
No
-1
Monday, June 5th, 2023 AT 2:44 PM
BORIS K
MECHANIC
836 POSTS
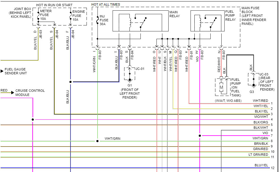
Hello,
It is the topmost relay, see image below.
Cheers, Boris
Image (Click to make bigger)
Was this
answer
helpful?
Yes
No
-1
Tuesday, June 6th, 2023 AT 8:10 AM
Please
login
or
register
to post a reply.
Related Fuel System Fuel Pump Relay Location Content
Fuel Pump Relay Location
Where Is The Fuel Pump Relay Located Or What Does The Mark Look Like In The Fuse Box? Checked Web And Fuse Box And Not Marked Well.
Asked by
nhmikey
·
15 ANSWERS
10 IMAGES
2002
MAZDA PROTEGE
How Do You Change The Fuel Pump
Vehicle Shut Down While Driving. Will Not Start.
Asked by
bonacci
·
3 ANSWERS
2000
MAZDA PROTEGE
Fuel Pump Replacement Instructions
How To Replace Fuel Pump On 2001 Mazda Protege
Asked by
SharkyJ
·
3 ANSWERS
3 IMAGES
2001
MAZDA PROTEGE
1993 Mazda Protege Dx
1993 Mazda Protege I Own A 93 Mazda Protege. I Stopped For Gas, Was Running Really Low And The Car Never Started Again. We Have...
Asked by
lesliemcov
·
2 ANSWERS
1993
MAZDA PROTEGE
2001 Mazda Protege No Spark Or Fuel Pressure.
I Have An '01 Mazda Protege Mp3 No Fuel Pressure, Or Spark. Replaced Fuel Pump And Coil/plugs, & Still Not Running (it Is The 2.0 Engine...
Asked by
njmorris
·
1 ANSWER
3 IMAGES
2001
MAZDA PROTEGE
VIEW MORE
Ask a Car Question. It's Free!
How to Use a Test Light
Fuel Pump Replacement
Car Cranking but Not Starting? Try This