Fuel pump relay

Tiny
FERNANDO GONZALEZ2
  • MEMBER
  • 1997 PONTIAC GRAND AM
  • 3.1L
  • V6
  • 2WD
  • AUTOMATIC
  • 128,000 MILES
I would like to know where the fuel pump relay is
Saturday, May 21st, 2022 AT 1:02 PM

1 Reply

Tiny
STEVE W.
  • MECHANIC
  • 15,685 POSTS
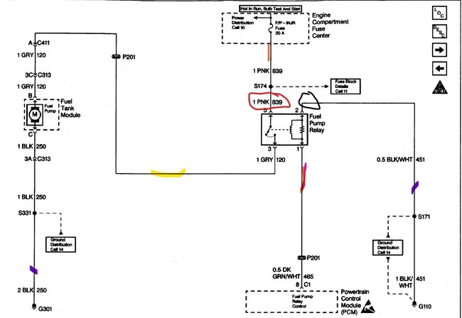
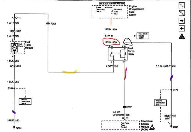
That relay is tucked behind the passenger side strut tower on a bracket. It is the one closest to the fender. Testing it is simple using a test light. Connect the light to battery positive. Unplug the connector and use the test light to probe the socket. With the key off you should find two ground connections at the black with white stripe wire and the gray wire. One on the coil side and one that grounds through the pump. Now connect the light to battery negative and probe the other two connections. One should have power full time pink wire, the other should have power for about 2 seconds when the key first turns on dark green with white.
A way to test the pump with the relay out is to take a jumper wire and connect it to battery positive and touch it to the contact for the gray wire. That will turn the pump on to verify that circuit is okay.
Was this
answer
helpful?
Yes
No
Saturday, May 21st, 2022 AT 4:02 PM

Please login or register to post a reply.