Fuel pump relay

Tiny
BUTCH GA2
  • MEMBER
  • 1999 CADILLAC DEVILLE
  • 4.6L
  • V8
  • 2WD
  • AUTOMATIC
  • 106,000 MILES
No power to the coil of the relay. Where does the green and white wire come from? Fuses good, new relay. Pump works if I jump around the relay. I need to find where the green and white wire comes from and check that circuit.
Tuesday, June 7th, 2022 AT 12:04 PM

13 Replies

Tiny
JACOBANDNICKOLAS
  • MECHANIC
  • 110,194 POSTS
Hi,

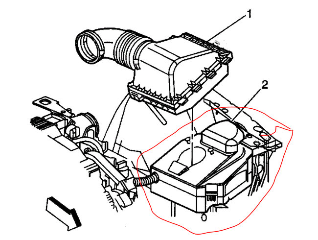
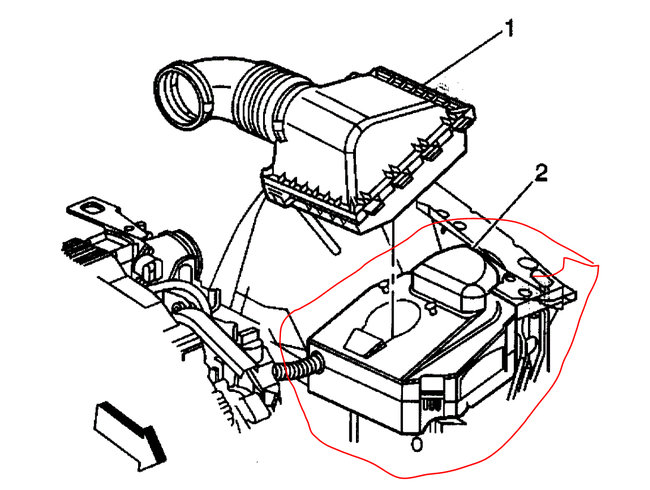
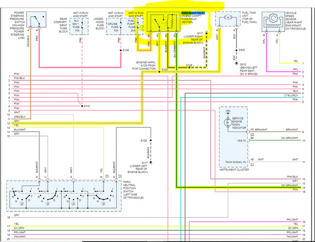
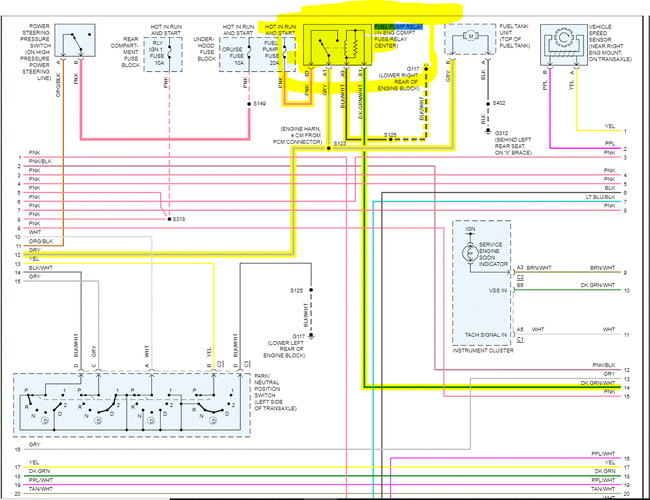
The green and white to the relay primary is from the powertrain control module (PCM) located below the air box in the air inlet housing. (Pin 36) (See the last two pics for location)

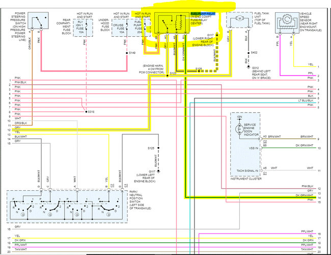
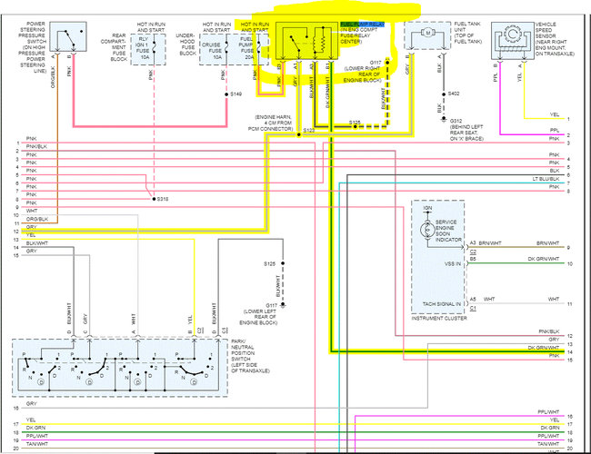
I attached the entire powertrain management schematic for you. It is four pages, but I did highlight the wires related to the relay.

Note: To make each page readable, I had to cut it in half. I did overlap each one so you can follow it.

Here is a link you may find helpful:

https://www.2carpros.com/articles/how-to-check-wiring

Let me know if this helps or if you have questions.

Take care,

Joe

See pics below.
Was this
answer
helpful?
Yes
No
Tuesday, June 7th, 2022 AT 8:27 PM
Tiny
BUTCH GA2
  • MEMBER
  • 8 POSTS
Good day to you Joe. Thank you very much for your reply. I did find this helpful unfortunately my problem still exists. After checking the green and white wire from the relay to the PCM, I find it intact with no short to ground. (My brief history, I am 79, certified Chevrolet mechanic in the mid 60's, Ham radio operator with advanced class licenses) The problem started as an intermittent. Can fine, stopped to fill the tank wouldn't start. After 10 or 12 attempts to start at the pump it did start. Drove home (8 miles) shut it off to unload groceries. Went out later to put it in the garage but it wouldn't start. After 5 or 6 attempts it did start. Parked for few days (not my primary car) I started to take it out again. Backed out of the garage and it stalled after moving a car and half length. Never started again. I have a "79 Seville, "99 Deville, and "07 DTS. I have done much work to all of them, but the computer control gives me headaches. I need to determine what tells the PCM to power up the green and white wire to control the relay. The dash indicated service fuel system, but no codes were listed with my code reader. I find I can make the fuel pump run if I "power up the relay" but I am not sure if the PCM sends a steady voltage or intermittent pulses. Thanks for the guidance you have provided. Butch (Charles Galusky)
Was this
answer
helpful?
Yes
No
Thursday, June 9th, 2022 AT 3:40 AM
Tiny
JACOBANDNICKOLAS
  • MECHANIC
  • 110,194 POSTS
Hi,

The PCM controls it. The fuel pump relay allows the fuel pump to be energized by the PCM. When the ignition is first turned "ON, " the PCM energizes the fuel pump relay for two seconds. This allows the fuel pump to run for two seconds and builds up fuel pressure for cranking. The PCM then waits for ignition reference pulses from the Ignition Control Module (ICM). Once the PCM sees reference pulses, the PCM energizes the relay to run the fuel pump.

Did you check right at the PCM for power?

Let me know.

Joe
Was this
answer
helpful?
Yes
No
+1
Thursday, June 9th, 2022 AT 8:12 PM
Tiny
BUTCH GA2
  • MEMBER
  • 8 POSTS
I do have a 2 second pulse at the relay green and white wire.
Was this
answer
helpful?
Yes
No
Friday, June 10th, 2022 AT 1:45 PM
Tiny
JACOBANDNICKOLAS
  • MECHANIC
  • 110,194 POSTS
If you do have a 2-second pulse, then the PCM is sending power to the relay coil to energize it. If the pump still isn't turning on and the relay is good, and the secondary side of the relay is getting power, then that leaves a faulty ground to the primary. It will be a black wire/white tracer that attaches to the lower right sides of the engine.

I looked at the schematic again, and I noticed there is a splice. Check for continuity to ground and wiggle that ground (black/white) wire around to see if you are losing ground. The splice may be corroded or coming apart causing a weak ground.

It's a theory at this point, but the other things seem to be working properly.

Let me know.

Joe
Was this
answer
helpful?
Yes
No
+1
Friday, June 10th, 2022 AT 8:28 PM
Tiny
BUTCH GA2
  • MEMBER
  • 8 POSTS
Thanks for the reply. Sorry It takes a while to get back to you. I am president of a music group supporting twelve children and three schools in Uganda. We just returned from a performance. Your message reminded me of the fact that I got this car from a person that gave up on it. It was plagued with many wires that were corroded and broken at the terminal ends. This refreshed my memory, and I will start checking that issue again. Thanks much.
Butch
Was this
answer
helpful?
Yes
No
Saturday, June 11th, 2022 AT 2:23 PM
Tiny
JACOBANDNICKOLAS
  • MECHANIC
  • 110,194 POSTS
Butch,

You are very welcome. Let me know what you find or if there is anything I can do to help.

Take care,

Joe
Was this
answer
helpful?
Yes
No
+1
Saturday, June 11th, 2022 AT 7:20 PM
Tiny
BUTCH GA2
  • MEMBER
  • 8 POSTS
Okay, Joe. Thank you very much for your help. I will continue on this Monday.
Was this
answer
helpful?
Yes
No
Sunday, June 12th, 2022 AT 4:54 AM
Tiny
JACOBANDNICKOLAS
  • MECHANIC
  • 110,194 POSTS
No problem. I look forward to hearing from you.

Take care,

Joe
Was this
answer
helpful?
Yes
No
+1
Monday, June 13th, 2022 AT 7:20 PM
Tiny
BUTCH GA2
  • MEMBER
  • 8 POSTS
Good day Joe. I checked the ground (black and white) wire. It is intact. I shook the wire wherever I could. As best I could tell it was intact. The wife usually helps me with this kind of testing, and she had a stroke in April. She is doing okay, but I find her memory is not what it was. She helped me in the initial testing, and I feel she was not responding to my request properly. After checking the black and white wire finding it okay, I am going to blame the relay as being intermittent. I put gas in the tank and was going to try to start it. The battery was too weak. It is on charge now. I will try again later.
Thanks for everything.
Butch G
Was this
answer
helpful?
Yes
No
Tuesday, June 14th, 2022 AT 7:05 AM
Tiny
BUTCH GA2
  • MEMBER
  • 8 POSTS
Good Evening, Joe. I just tried the '99 Deville again and it started and ran good. Thanks for all your help.
Butch G
Was this
answer
helpful?
Yes
No
Tuesday, June 14th, 2022 AT 1:29 PM
Tiny
JACOBANDNICKOLAS
  • MECHANIC
  • 110,194 POSTS
Hi Butch,

First, I am very sorry to hear about what happened to your wife. I'll never understand why these things have to happen. Regardless, she has my prayers and I credit you for being understanding and helpful. When it comes down to it, all we have are each other.

I'm glad to hear the vehicle is running properly for you. I hope you feel free to come back anytime in the future if you have questions. You are always welcome here.

Take good care of yourself and your wife.

Joe
Was this
answer
helpful?
Yes
No
+1
Tuesday, June 14th, 2022 AT 8:46 PM
Tiny
BUTCH GA2
  • MEMBER
  • 8 POSTS
Thanks for everything Joe. I would like to say that the Lord has been a blessing to us. We are missionaries to Uganda. I've been there four times and my wife three times. We are supporting five children there and the group I formed supports a total of twelve children and three schools.
Have a blessed day.
Butch Ga
Was this
answer
helpful?
Yes
No
Wednesday, June 15th, 2022 AT 4:08 AM

Please login or register to post a reply.