Saturday, April 22nd, 2017 AT 4:10 PM
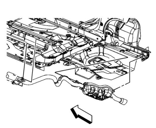
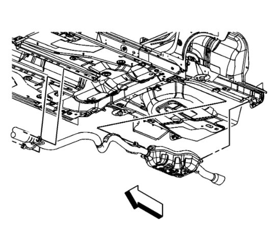
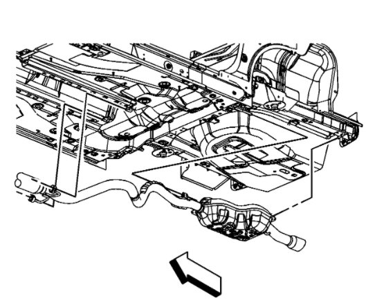
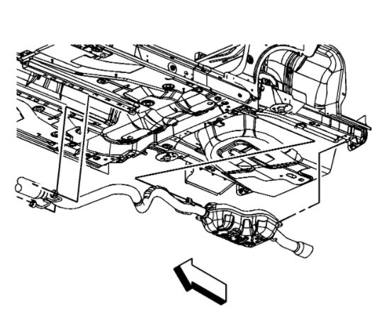
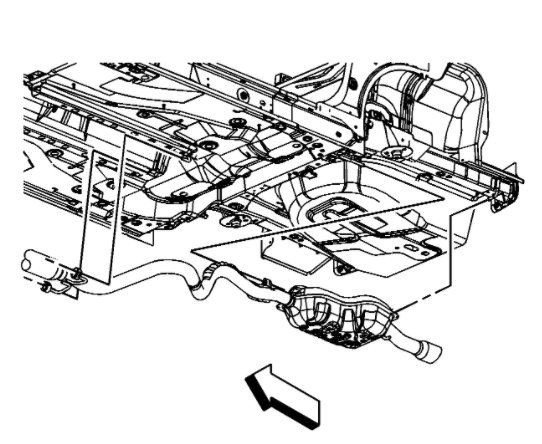
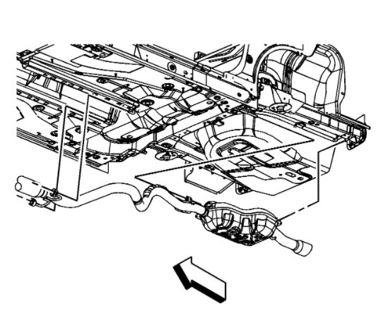
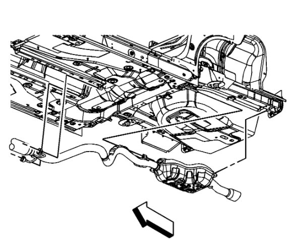
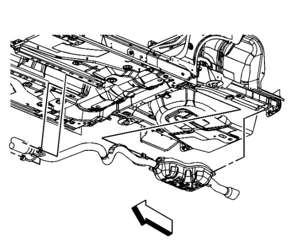
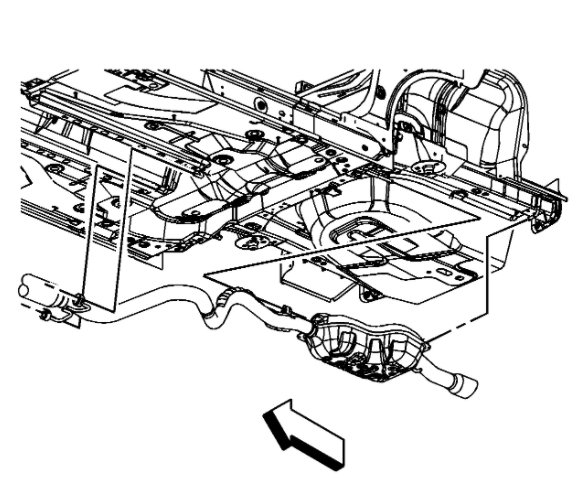
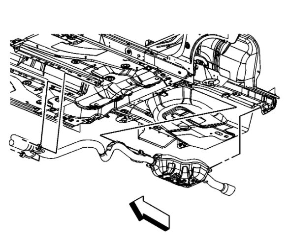
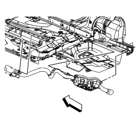
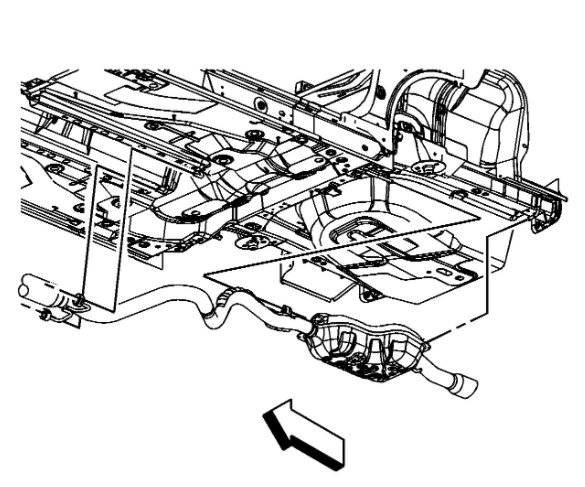
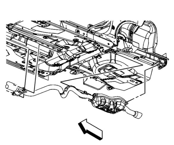
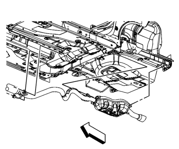
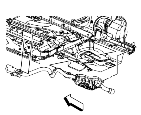
Fuel pump not working. It was ran off the road and torn a hole in the oil pan lost oil out of it. Now the fuel pump will not run, it will run with starting fluid. Any help would be great. Thanks, Jim









































