Sunday, July 28th, 2019 AT 7:01 PM
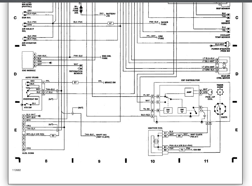
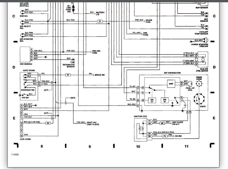
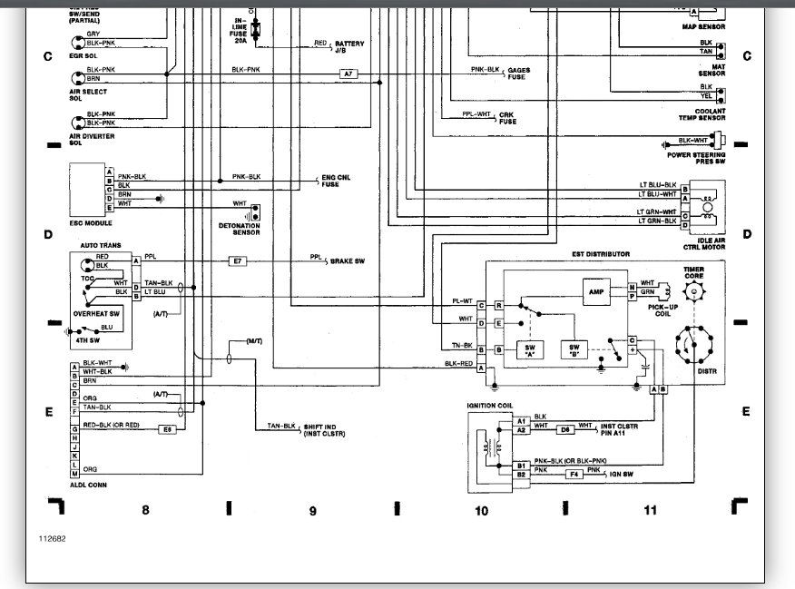
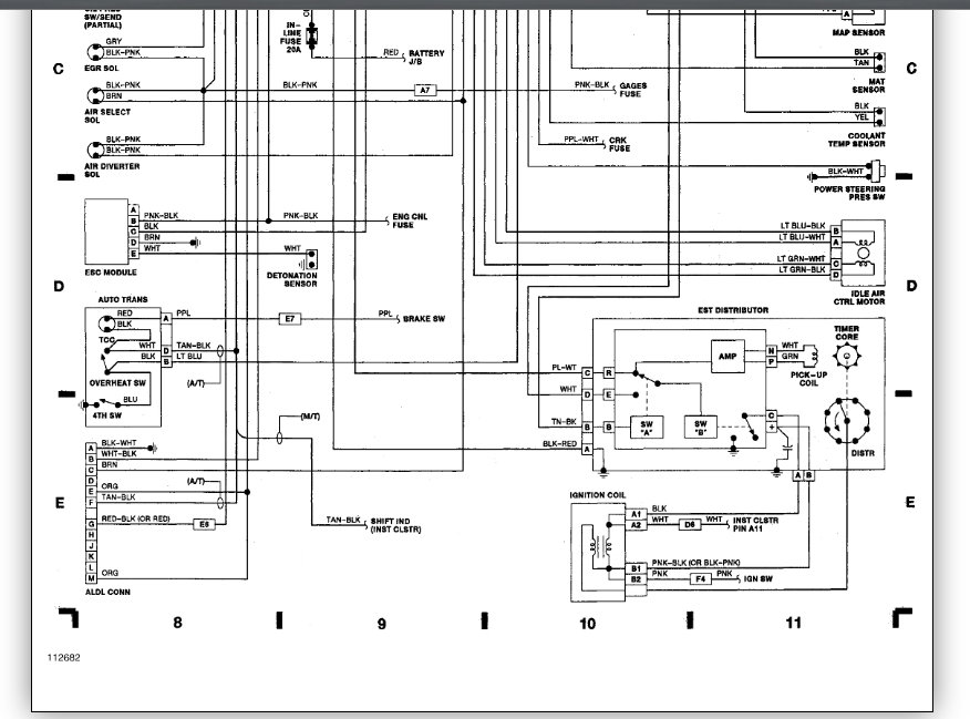
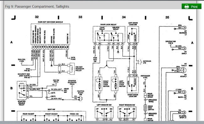
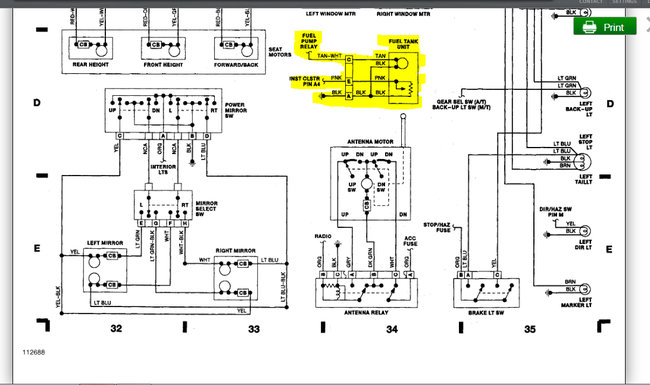
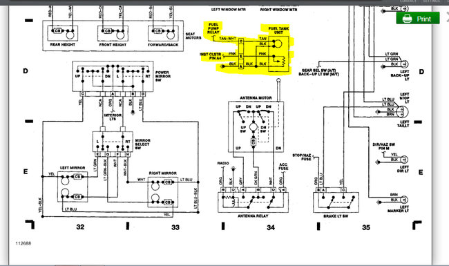
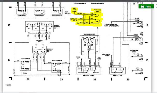
This car with TBI injectors will intermittently start and go into a no start stage where it gets no fuel. I followed a test from the Haynes Manuel and put 12v to terminal G of the ALDL and the pump runs but when I turn on the ignition switch the pump isn’t running. I checked all fuses and they look good. Years ago I think my previous mechanic replaced the ignition switch with one without the security chip so I’m wondering if it’s related to that but I really don’t know. There were also issues in the past with it not starting due to a bad sensor. Not sure what to do next. Any suggestions would be appreciated.






