Can I get the Fuel pump color coded wiring diagram?

2007 CHEVROLET MALIBU
100,000 MILES
Avatar
PAUL OLDHAM
  • MEMBER
  • 1 POST
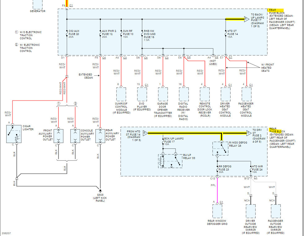
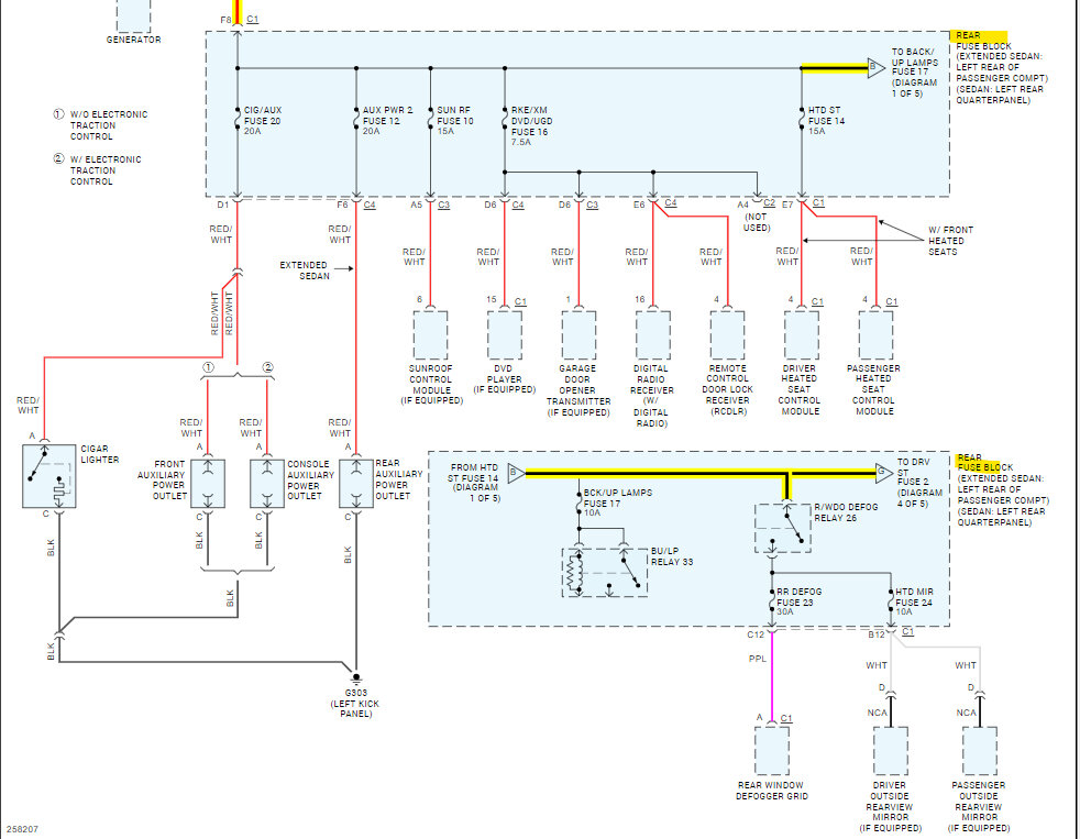
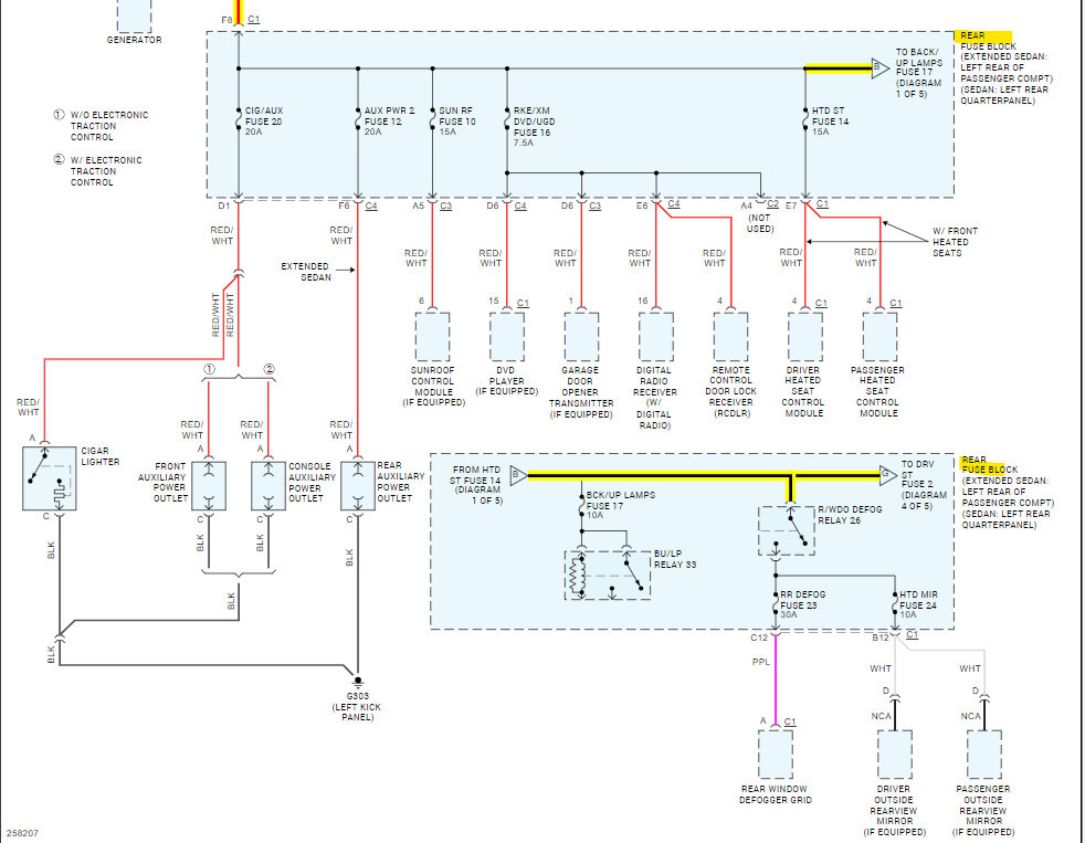
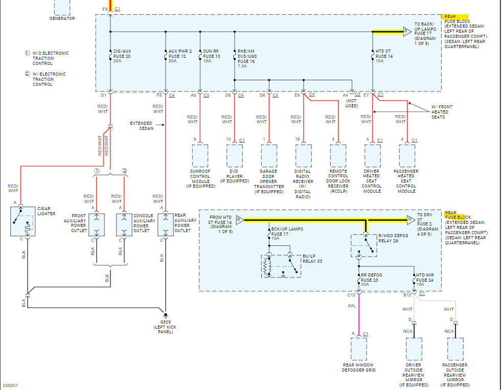
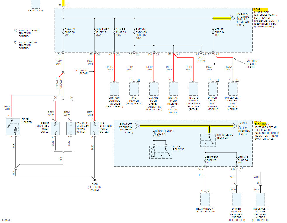
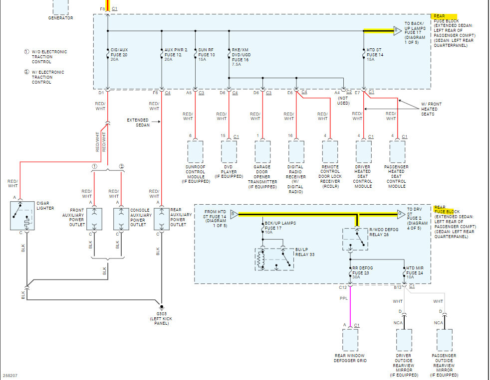
Trunk fuse block color coded wiring diagram.
Jan 13, 2024 at 9:57 AM
Repair Safety Notice: This information is for general instructional purposes only. Vehicle repair can be dangerous. Verify all information, follow manufacturer service procedures, use proper tools and safety equipment, and consult a qualified repair shop when needed.
Advertisement
Avatar
AL514
  • CAR REPAIR CONTRIBUTOR
  • 5,485 POSTS
Hello, are you missing power at the fuel pump relay? I have the fuel pump, relay and ECM wiring diagrams already pulled up for you. Do you need the actual Rear Fuse Block diagram? And is this a 3.5, 3.6 liter or 4-cylinder engine?

Diagrams 4,5,6 are the Power Distribution diagrams for the Rear Fuse Block from the engine compartment. If you need anything more, let us know.

https://www.2carpros.com/articles/how-to-check-an-electrical-relay-and-wiring-control-circuit
Jan 13, 2024 at 11:52 AM
Advertisement