Thursday, February 16th, 2017 AT 8:25 PM
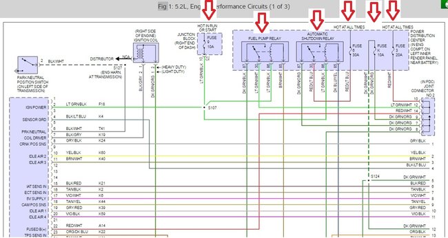
Out of no where fuel pump stop working no power to it. I cannot find any bad wires. Which is the power wire on the plug coming from truck harness there are four wires?



