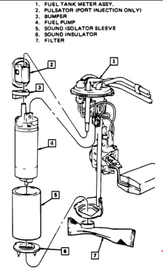
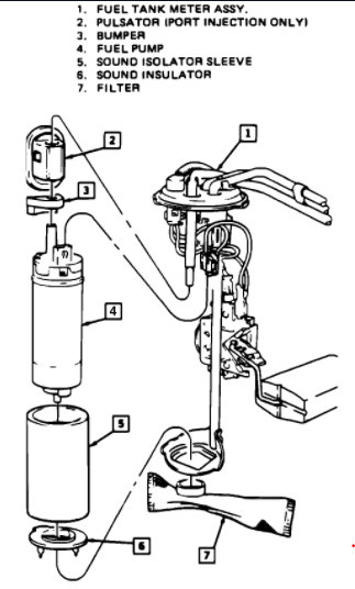
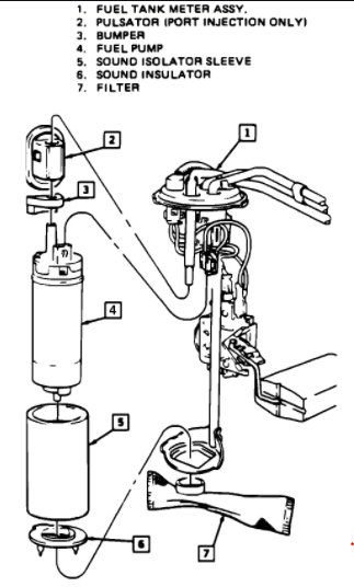
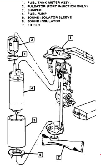
Fuel pump location

Tiny
DJ49ER54
  • MEMBER
  • 1993 PONTIAC GRAND PRIX
  • 3.1L
  • 6 CYL
  • 2WD
  • 86,000 MILES
Is there a access point or do I need to drop gas tank?
Saturday, October 17th, 2020 AT 9:41 AM

1 Reply

Tiny
DANNY L
  • MECHANIC
  • 5,648 POSTS
Hello, I'm Danny.

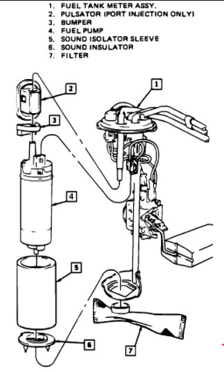
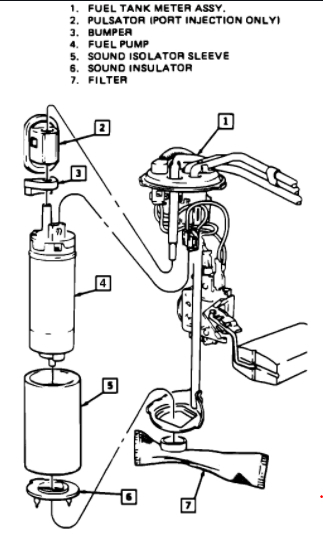
Sorry, there is no access point you will have to drop the gas tank to gain access to the in-tank fuel pump. Here is a tutorial showing what is involved for replacement:

https://www.2carpros.com/articles/how-to-replace-an-electric-fuel-pump

I've attached a few pictures below of its description. Hope this helps and thanks for using 2CarPros.
Was this
answer
helpful?
Yes
No
+1
Saturday, March 20th, 2021 AT 7:30 PM

Please login or register to post a reply.