HOME
ASK A QUESTION
REPAIR GUIDES
BECOME A MEMBER
LOG IN
Login with Facebook
OR
Remember me
NOT A MEMBER?
FORGOT PASSWORD?
CONTACT US
PRIVACY POLICY
TERMS AND CONDITIONS
☰
Home
Dodge
Van
Engine
Symptoms
Stall While Driving
Will not stay running
TSHAFER43
MEMBER
1989 DODGE VAN
5.9L
2WD
AUTOMATIC
119 MILES
It starts with gas poured into the carburetor and then after that it will not stay running. Fuel pump fuse?
Thursday, September 27th, 2018 AT 8:03 AM
1 Reply
ASEMASTER6371
MECHANIC
52,796 POSTS
Good afternoon.
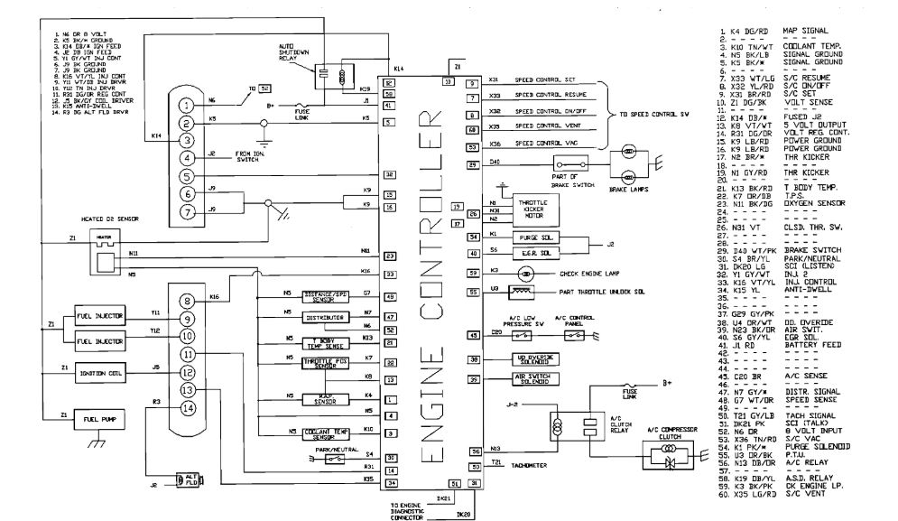
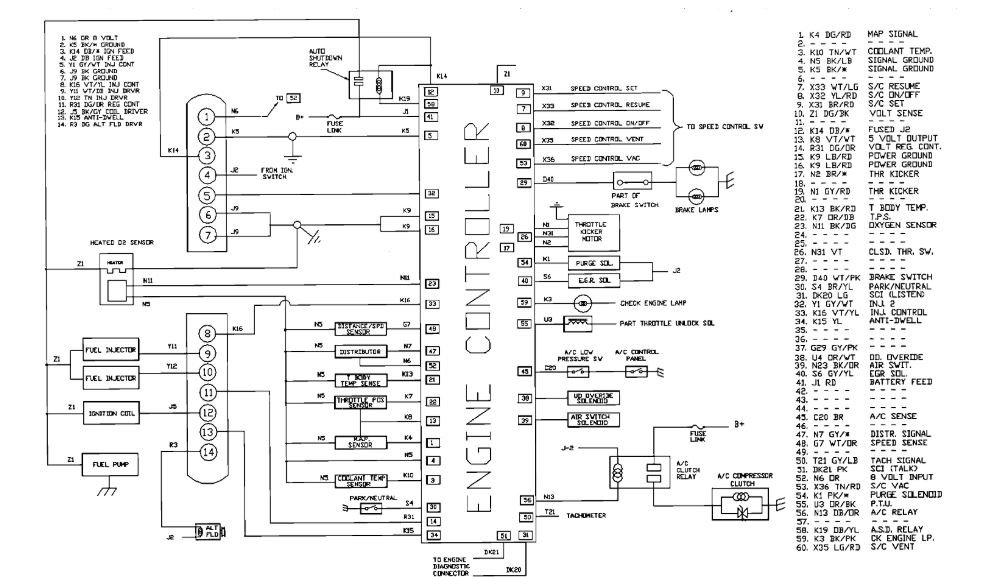
You need to check for power to the fuel pump. It is in the tank itself. I attached a wire diagram for you to view.
If it has power, the pump is the issue.
If it does not then check the wiring from the ASD relay to the pump.
Roy
Image (Click to make bigger)
Was this
answer
helpful?
Yes
No
Thursday, September 27th, 2018 AT 10:15 AM
Please
login
or
register
to post a reply.
Related Engine Stall While Driving Content
Van Cuts Off Randomly While Driving
When I First Start It In The Morning In Cranks And Runs Fine Till About 15 To 20 Minutes And It Cuts Off. It Cuts Off While Driving On The...
Asked by
superj26
·
6 ANSWERS
2000
DODGE VAN
VIDEO
Code Read Retrieval/Clear - Dodge Stratus
Instructional repair video
GUIDE
Engine Stalls While Driving
An engine that stalls while driving and then starts back up again, either immediately or after a short time is different from an engine that just wont start or if the...
1997 Dodge Van Engine Just Randomly Shuts Off While...
My 97 Van Started To Be Hard To Start, Now It's Hard To Start And Just Randomly Shuts Off While I'm Driving. This Is Very Dangerous As You...
Asked by
78streetvan
·
1 ANSWER
1997
DODGE VAN
Gauges Stop Working Then Engine Shuts Off
I Own A 2002 Ram Van With A 5.2l Engine. I Can Be Traveling At 55mph And All Of A Sudden, The Gauges Will Stop Working And The Engine Will...
Asked by
procrastin8in
·
3 ANSWERS
2002
DODGE VAN
1995 Dodge Van Engine Stalling In Varying Conditions
My Ram B2500 318y Engine Has Been Stalling Out For The Last Couple Of Weeks. The Check Engine Light Has Never Come On During Any Of The...
Asked by
jiminfl
·
12 ANSWERS
1995
DODGE VAN
1998 Dodge Van Engine Stalling
The Engine Will Run Fine For A While Then Out Of No Where Usually At Idle It Will Suddenly Stall. I First Thought To Pump Or Hold The...
Asked by
greg avery
·
5 ANSWERS
2 IMAGES
1998
DODGE VAN
VIEW MORE
Ask a Car Question. It's Free!
How to Read Codes
Code Read Retrieval/Clear Mercedes-Benz C230
Code Read Retrieval/Clear Mercedes Benz