Fuel pump electrical?

Tiny
ATOMICDR
  • MEMBER
  • 1990 FORD F-250
  • 5.0L
  • V8
  • 4WD
  • AUTOMATIC
  • 126,000 MILES
Had a mechanic install a new fuel pump and rear gas tank in my truck. Had low voltage to the pump, figured that out (fusible link issue). Along the way to diagnosing that issue managed to knock out the ignition (turn the key on but no lights, no juice to the starter). Figured that out. Now engine turns over and have fuel pressure at the rail but seems the injectors are not opening. He believes it may be another electrical issue. He needs a better schematic to find the connection between the ignition and the injectors.

NOTE: prior to the fuel pump going out the truck ran fine. The battery is fully charged and there's plenty of fuel in the tank and the fuel selector switch is working properly.

Anybody else ever run into this scenario before? Thanks a 3/4 ton for any helpful advice.
Saturday, May 25th, 2024 AT 3:07 PM

18 Replies

Tiny
JACOBANDNICKOLAS
  • MECHANIC
  • 110,194 POSTS
Hi,

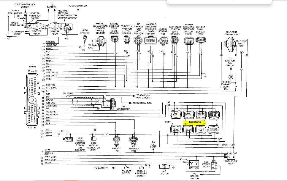
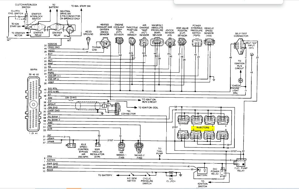
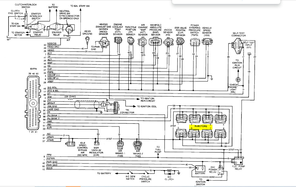
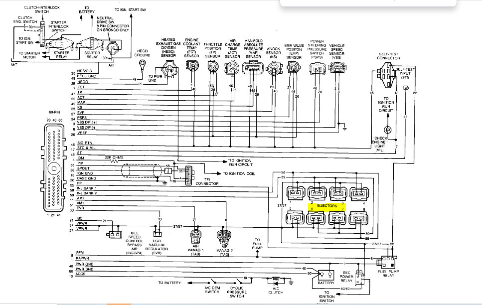
I attached the wiring schematic I have, below. As far as this issue is concerned, these don't all happen by replacing the pump. Do you hear the pump operate when you first turn on the key? I ask because the fuel pump relay gets power from the same location as the injectors.

Let me know. Based on everything you mentioned, we may have an issue or a damaged ECM. To me, it sounds like something was shorted and caused a few different failures.

Let me know if the pic helps.

Take care,

joe

See pic below.
Was this
answer
helpful?
Yes
No
Saturday, May 25th, 2024 AT 7:39 PM
Tiny
ATOMICDR
  • MEMBER
  • 49 POSTS
Thanks for getting back to me so quickly. The schematic helps. New info: I erred when I stated that the fuel pump was working when the key was on. Apparently he (my mechanic) had already run a bypass wire from some other source of power located behind the kick panel on the passenger side directly to the fuel pump wiring. That's when he determined that the pump was working. He now needs to make power to the pump and injectors from the ignition. Does that make any sense? I hope I described the problem adequately.
Was this
answer
helpful?
Yes
No
+1
Tuesday, May 28th, 2024 AT 6:19 AM
Tiny
JACOBANDNICKOLAS
  • MECHANIC
  • 110,194 POSTS
Hi,

Yes, that does make sense. However, before we jump the gun, tell him to switch the EEC relay with a different one having the same part number. If this relay fails, you will lose spark and fuel.

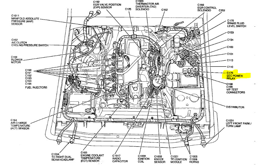
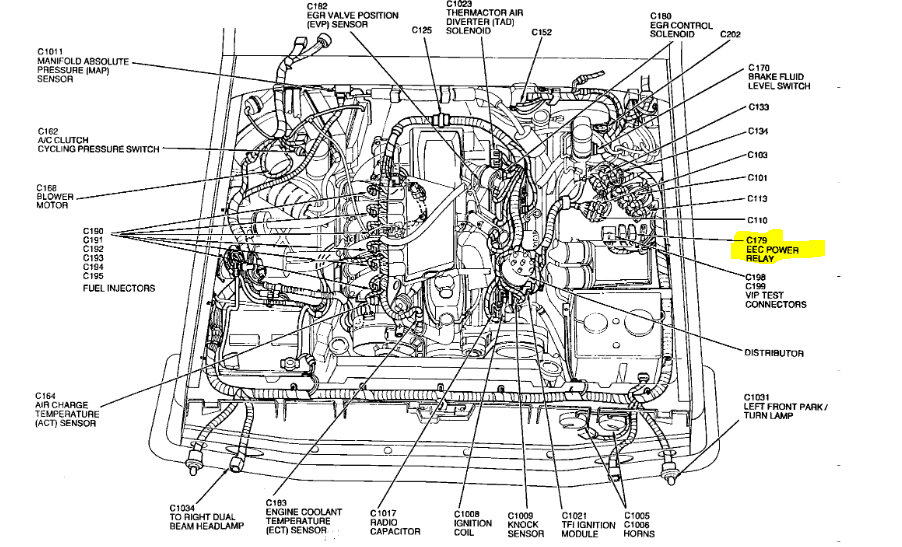
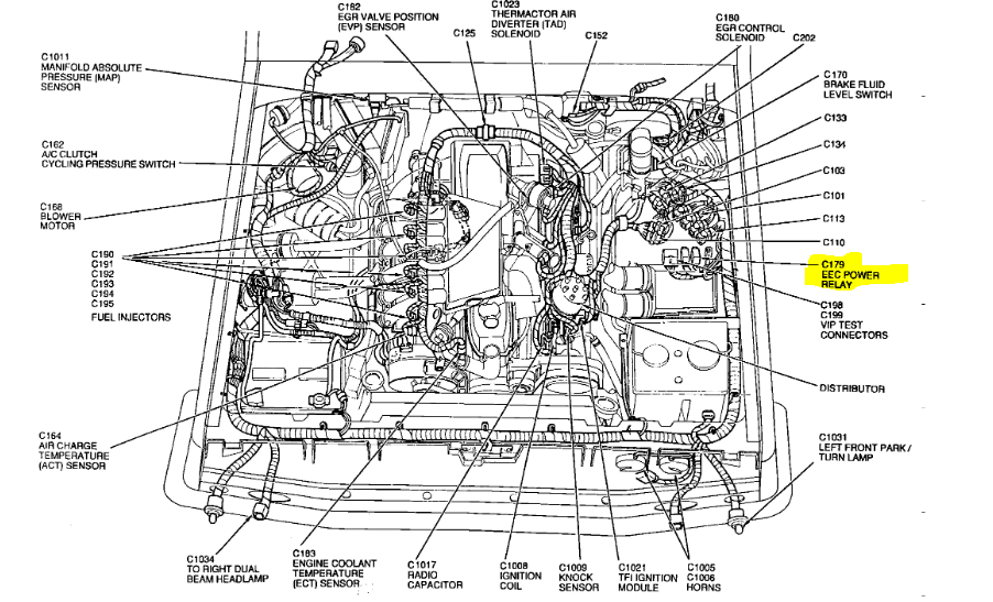
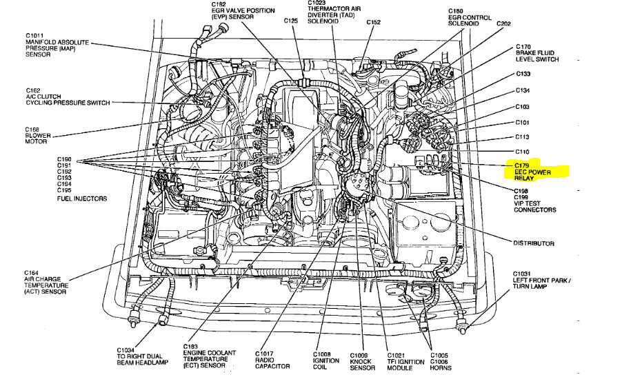
I attached a pic below showing its location. Also, have him check to see if there is spark to the plugs. If there is no spark, this is my first suspect. If there is spark, see if the inertia switch needs reset. See pic 2.

I noted that there are fusible links that may have failed as well. See pic 3. He can remove the fuel pump or eec relays and check if there is power to them as well. If there is, have him also check if the inertia switch has power. In pic 3, I highlighted how the primary side of the fuel pump relay gets power from the EEC.

Let me know what you find.

Joe

See pics below.
Was this
answer
helpful?
Yes
No
Tuesday, May 28th, 2024 AT 7:39 PM
Tiny
ATOMICDR
  • MEMBER
  • 49 POSTS
Hey guys,
Sorry for the delay in getting back to you. My mechanic has been on hiatus from my truck issue for a while. Here is what I now know. He believed he may have crushed the wiring harness between the frame and the fuel tank. He checked that out but made no comment on his findings. We have power to the ignition. Turn the key, engine turns over. All dash lights function properly. He says he has proper voltage to the pump. He appreciated your wiring diagrams. One side issue; the wires and colors of the truck harness do not match the pump harness. He's tried various configurations and believes he has it right. With the key off, I turn to the "on" position. No sound of the pump working, don't feel any vibration from it working. Any ideas?
I have a question myself. Do the Fords of that era also have like GM an oil pressure sensor that can prevent the vehicle from starting? Just curious.
Was this
answer
helpful?
Yes
No
Tuesday, June 18th, 2024 AT 2:11 PM
Tiny
JACOBANDNICKOLAS
  • MECHANIC
  • 110,194 POSTS
Hi,

No to the oil pressure switch. However, when you first turn the key to the on position, the pump should prime. If he has both power to the pump and a ground, it should work unless the pump itself is bad.

Also, the pump should have a connector that is already wired properly. I'm not sure why he would need to change that.

Confirm power and ground. If you have both, the pump or whatever he has done to the wiring is the likely issue.

Let me know if there is anything else I can do to help.

Take care,

Joe
Was this
answer
helpful?
Yes
No
Tuesday, June 18th, 2024 AT 7:43 PM
Tiny
ATOMICDR
  • MEMBER
  • 49 POSTS
Hey Joe,
I appreciate all your good advice. Good thing I don't need my truck all that much. My so-called mechanic went AWOL on me so I guess I'll be doing this job myself, which if I had opted to do so it would have already been finished and done right. So much for getting good help these days. At 70 I hate crawling under anything but here I go, again. I've pulled the new tank back down, pulled the new fuel pump out of it and bench tested it and all is good. With everything you have equipped me with I should be able to get the thing back on the road soon. It's been extremely hot here in Phx lately, so I'm not really excited about this job. I'll let you know how it goes.
Thanks again for all your advice.
Was this
answer
helpful?
Yes
No
Wednesday, August 14th, 2024 AT 10:00 AM
Tiny
JACOBANDNICKOLAS
  • MECHANIC
  • 110,194 POSTS
Hi:

The heat has been an issue this year. No records set, but it has been hot. I like doing work in the evening when it cools off.

Let me know how things turn out for you or if you need help in any way. I'll give it my best shot from PA. LOL

Take care and stay cool,

Joe
Was this
answer
helpful?
Yes
No
Wednesday, August 14th, 2024 AT 12:41 PM
Tiny
ATOMICDR
  • MEMBER
  • 49 POSTS
Hello again Joe,

I finally got a chance to get back to work on the old Ford f250. I got the fuel pump and tank back in the truck, fresh battery, 5 gallons of gas. I hear the pump running, have excellent pressure at the fuel rail, have good spark to the plugs. But nothing is combusting. Is it possible that the injectors are not opening?
How might I remedy that?
Was this
answer
helpful?
Yes
No
Friday, September 27th, 2024 AT 11:30 AM
Tiny
JACOBANDNICKOLAS
  • MECHANIC
  • 110,194 POSTS
Hi,

Because of the model year, the schematics I have aren't very clear. However, each injector will have two wires. With the key in the run position, check to see if one of the two has power. Use a simple test light.

Let me know.

Joe

See pic below.
Was this
answer
helpful?
Yes
No
Friday, September 27th, 2024 AT 7:47 PM
Tiny
ATOMICDR
  • MEMBER
  • 49 POSTS
Hey Joe,
It's been a while.
I took some time to review our last conversations about my f250. Here's what I know. I don't have a good mechanic near me that has any diagnostic skills. Guy up the street has an auto repair shop. I figured maybe he would see something I didn't. Apparently his best advice is to just start hanging new parts in every direction. I didn't mind $20+ for a new cap and rotor. Couldn't hurt I figured. But I had to ask why? He had me turn the motor over while he checked for spark and apparently, he figured it wasn't enough spark. But when he tells me next to buy a NOS Ford ignition control module at around $100. I'm like hold on a second. What's your reasoning?
Says "we've got fuel at the rail, and no combustion "figures no spark or bad timing of the spark. Another part to buy. Not so fast. I go into my toolshed and come back with a can of carb spray. Let's prove that theory of yours. Pull the hose off the plenum, give it a shot, turn the key, and guess what? It starts and runs until it runs out of spray. That was the termination of that relationship. I guess it didn't need a $100 module. I still don't know what it does need. You're the only knowledgeable and experienced man in the room. What do you think?
I've got power to the injectors (I followed your instructions to check that. Very helpful). I've got real good fuel pressure at the rail. With the key off I released the fuel pressure until there was none. Then I turned the key to the on position, listened to the pump buzzing, went out and pressed the needle in the valve and gas came up quickly like an eruption. Did it come out and shoot all over the underside of the hood? No. Should it have? It did manage to get my hand soaked before I could get out of the way. The engine will run as long as you keep spraying.
I think I need to get a 60's truck. I used to know how to work on those.
Any ideas?
Was this
answer
helpful?
Yes
No
Wednesday, February 12th, 2025 AT 9:31 PM
Tiny
KEN L
  • MASTER CERTIFIED MECHANIC
  • 55,512 POSTS
Lets check the fuel injector ground signal. With a test light connected to ground you should have power at one wire to the fuel injectors, (connector off of the fuel injector). Once you have tested for this, switch the lead to the power side and then crank the engine over the ground side should flash. Please go over this guide which will help you. Joe has been sick so he will get back to you when he is feeling better.

https://www.2carpros.com/articles/how-to-test-a-fuel-injector

Please go over this guide and get back to us.

Was this
answer
helpful?
Yes
No
Saturday, February 15th, 2025 AT 9:48 AM
Tiny
ATOMICDR
  • MEMBER
  • 49 POSTS
One quick question/thought. I was told again to install a new ignition control module. I caved in said okay, okay. Now remember I was able to spray starting fluid, and the engine would run until the spray was no more (with my original Motorcraft module). Well, now with the new module installed I can no longer get it to start. The module only has a little grease, two screws, and one electrical connector. Distributor mark lined up with mark etched on housing. The rotor fell right back into place where it was originally marked. Key was never touched in between time. Spins over fine, but nothing. So, my original Motorcraft module was fine, and this new unit is defective?
I can't seem to win for losing with this thing.
Was this
answer
helpful?
Yes
No
Saturday, February 22nd, 2025 AT 2:36 PM
Tiny
ATOMICDR
  • MEMBER
  • 49 POSTS
Something else I discovered while checking around under my dash for the reset button (which seems to be in proper working order), I noticed a heavy green wire plugged into what looks to be an open circuit on a panel of other electrical connections. It did not look right. Then I remembered he had run a green wire to the fuel pump. I turned the key to the run position and then pulled the green wire free of its connection. As expected, the fuel pump ceased to operate. That would explain why the pump never achieves optimal pressure and then idle down or stop. Where is any power wire coming from the pump supposed to be connected?
Was this
answer
helpful?
Yes
No
Saturday, February 22nd, 2025 AT 2:50 PM
Tiny
KEN L
  • MASTER CERTIFIED MECHANIC
  • 55,512 POSTS
Either the module is defective, or the ignition timing is off which can be due to a bad roll pin at the distributor gear. Here are the instructions on how to install the distributor and module correctly. Also, did you try resetting the inertia switch, push down on the button on top?
Was this
answer
helpful?
Yes
No
Sunday, February 23rd, 2025 AT 10:08 AM
Tiny
ATOMICDR
  • MEMBER
  • 49 POSTS
I did check that inertia switch and it was fine. I went ahead and just swapped out that new ignition control module with my old one and once again the engine starts right up with a quick spray. So much for quality parts these days. Now on to finding the true source of the problems.
Was this
answer
helpful?
Yes
No
Sunday, February 23rd, 2025 AT 10:40 AM
Tiny
KEN L
  • MASTER CERTIFIED MECHANIC
  • 55,512 POSTS
I have seen the ignition coil be bad and overload the ignition module FYI. So, I would change them both, also use spark plug and wires should help as well.
Was this
answer
helpful?
Yes
No
Monday, February 24th, 2025 AT 10:42 AM
Tiny
ATOMICDR
  • MEMBER
  • 49 POSTS
At this moment I now have it running again, however a little on the rough side. Perhaps timing, plugs, injector issues. But it is running on its own. Turns out the new ignition control module I was convinced to install was a worthless pos. Since I had thought to video several operations along the way I was able to get my money back for that defective unit. It now runs with the old original unit. Although the mechanic up the street figured it out and got it to this point, I am not sure what he did. He did say that my injectors were good but he didn't want to comment on the work done by my so-called "mechanic" neighbor. It was quite a mess. I'm guessing some of that mess had to do with the hack wiring he did after originally shorting out the fuel pump wires and then having to cobble back together all of the fusible links.
Etc.
If I learn any more, I'll catch you up on it.
I do appreciate all your advice and time and the diagram pages. We were getting there.
Give Joe a shout out! He did get this ball rolling in the right direction. I hope he's feeling better and on the mend.
Big thanks to both of you guys.

I'll get back to you shortly. I'm waiting on something much needed.
Was this
answer
helpful?
Yes
No
Tuesday, February 25th, 2025 AT 11:09 AM
Tiny
KEN L
  • MASTER CERTIFIED MECHANIC
  • 55,512 POSTS
Yep, I will say hi to Joe for you, he might be back today or tomorrow. Let us know if you need more help :)
Was this
answer
helpful?
Yes
No
Wednesday, February 26th, 2025 AT 8:37 AM

Please login or register to post a reply.