Sunday, December 7th, 2025 AT 9:56 AM
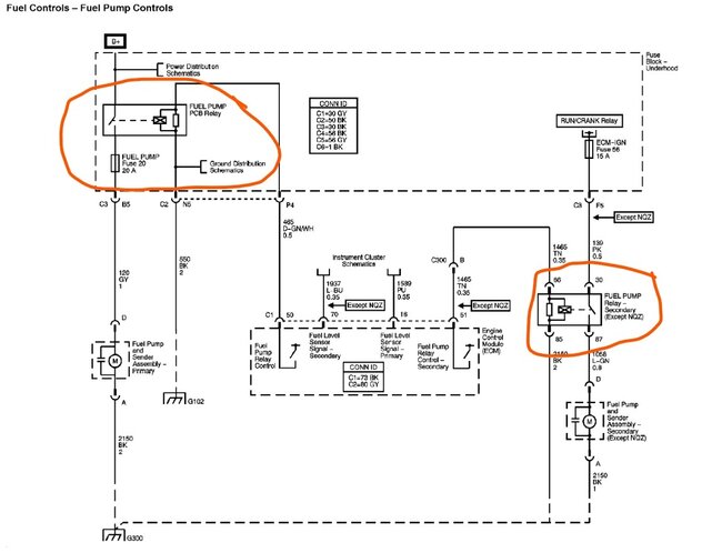
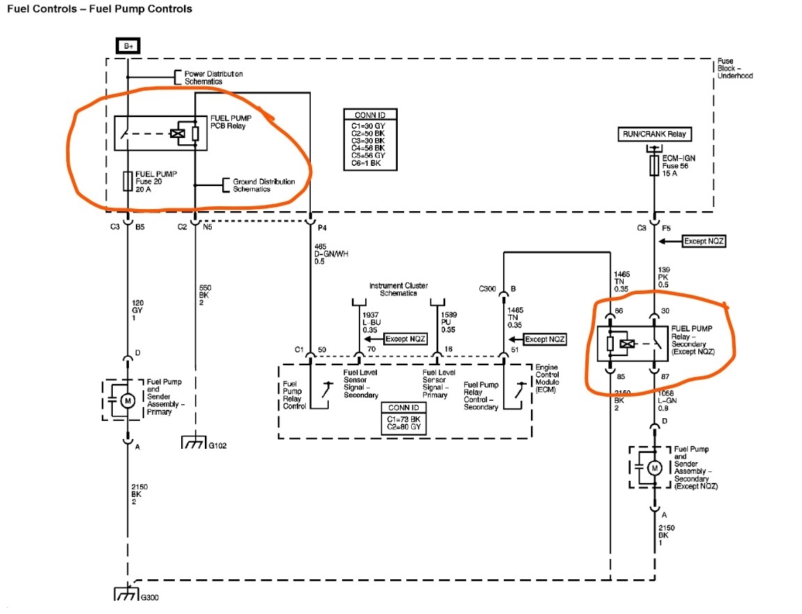
I’m having the hardest time finding the fuel pump control module on this year. It’s not under the spare tire nor near the abs module

