Fuel pump connection?

1998 DODGE TRUCK
308,000 MILES • 5.9L • 6 CYL • TURBO • 2WD • MANUAL
Avatar
ETHAN
  • MEMBER
  • 1 POST
What the wiring digram of each pin on the plug what is hot what ground
Jan 31, 2026 at 1:04 PM
Advertisement
Avatar
CARADIODOC
  • CAR REPAIR CONTRIBUTOR
  • 34,308 POSTS
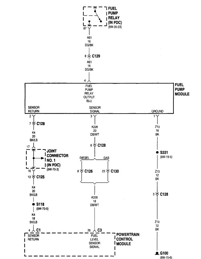
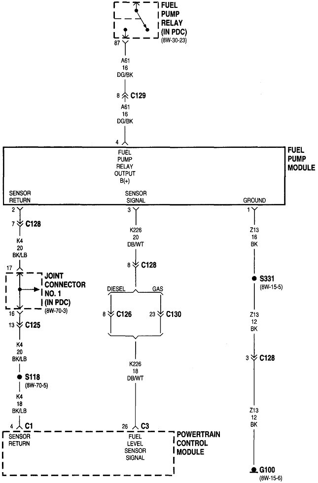
Here's the wiring diagram with the wire colors. The connector for the pump module was the hardest one to find. I'm including a number of other connectors and relays in case you need them. The pump module connector is at the top of the last drawing.
Jan 31, 2026 at 4:59 PM
Advertisement
Avatar
STEVE W.
  • CAR REPAIR CONTRIBUTOR
  • 15,148 POSTS
The 5.9 uses a simple 4 wire system on the pump. The Dark Green w/black stripe on pin 4 is power from the relay, The Black wire on pin 1 is the ground. Then for the level sender you have Dark Blue w/white as the power from the PCM to the sender on pin 3 and the return to the PCM is the Black w/light blue wire on pin 2.
Jan 31, 2026 at 5:04 PM
Repair Safety Notice: This information is for general instructional purposes only. Vehicle repair can be dangerous. Verify all information, follow manufacturer service procedures, use proper tools and safety equipment, and consult a qualified repair shop when needed.