Fuel pump/ASD fuse keeps blowing

Tiny
ALEX BOUGHTON III
  • MEMBER
  • 2004 CHRYSLER PT CRUISER
  • 2.4L
  • 4 CYL
  • FWD
  • AUTOMATIC
  • 150,000 MILES
No starter signal, but will crank with remote starter. Crank not start.
Thursday, September 28th, 2017 AT 6:00 PM

3 Replies

Tiny
JIS001
  • MECHANIC
  • 3,412 POSTS
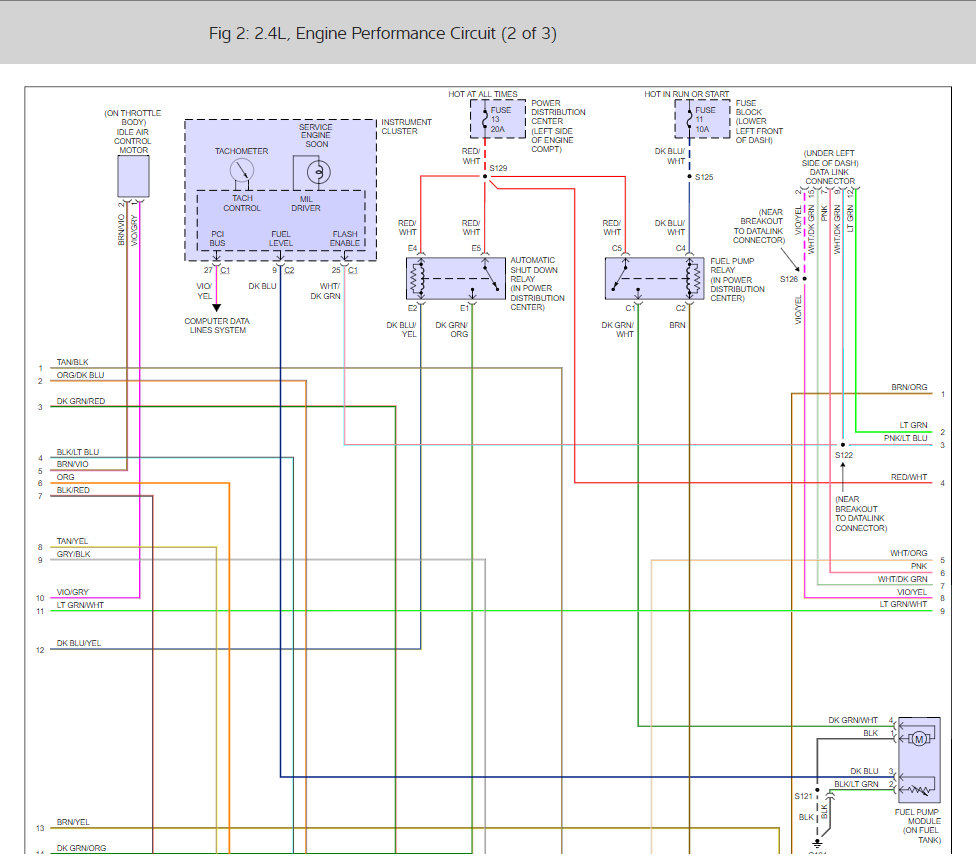
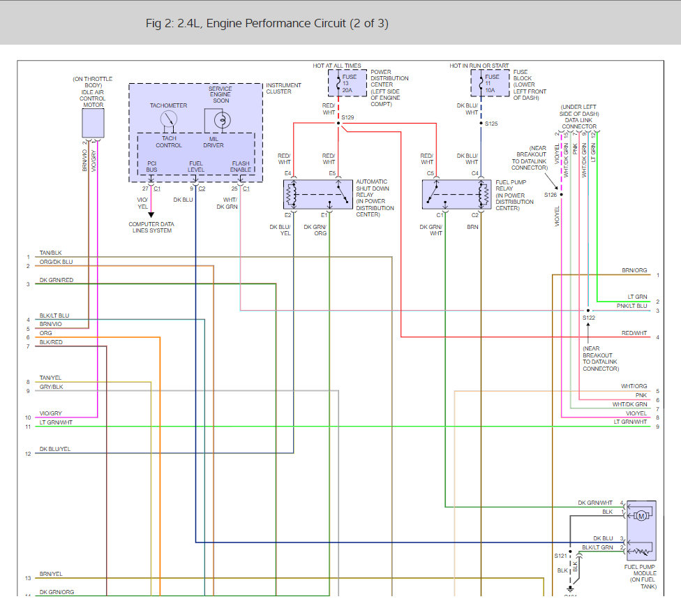
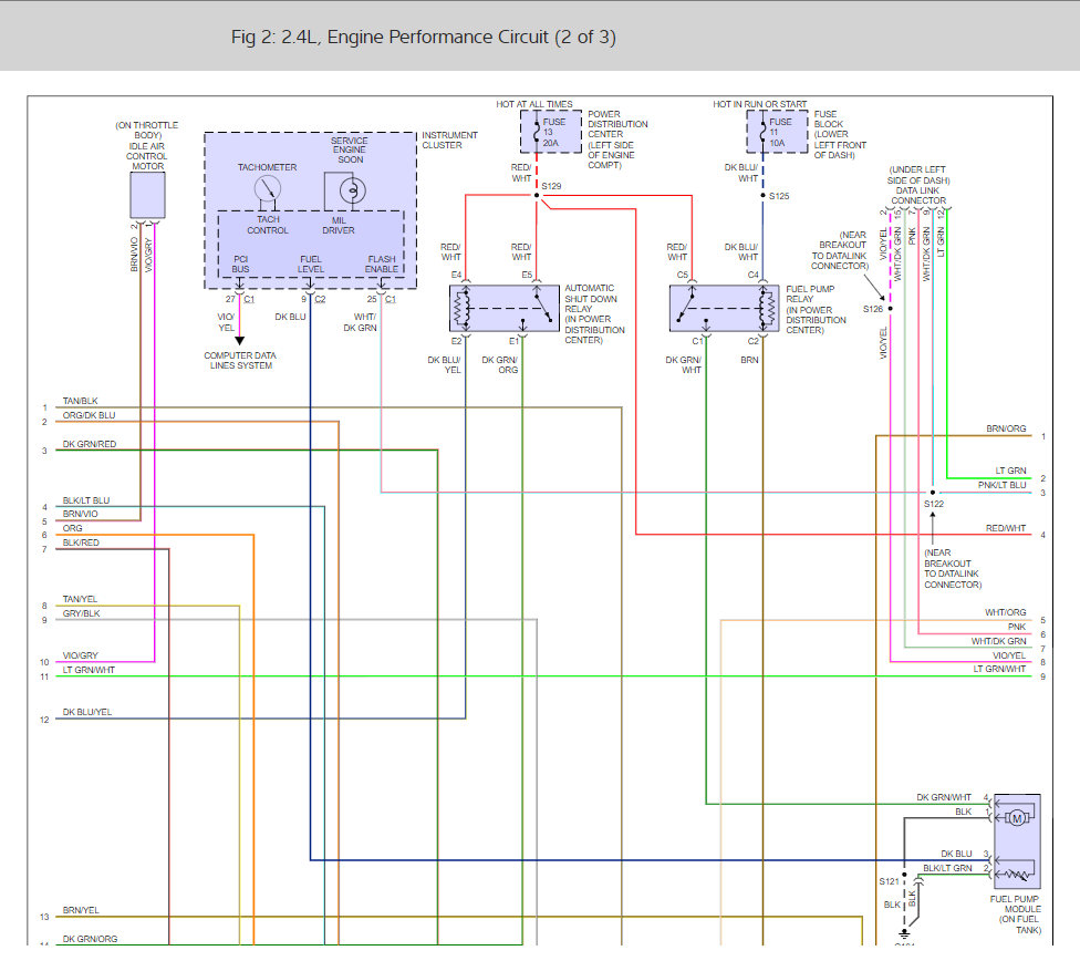
If you are blowing a fuse then you will need to look at the wiring diagram for that circuit and trace for a shorted wire or faulty component.
Was this
answer
helpful?
Yes
No
-1
Friday, September 29th, 2017 AT 12:03 AM
Tiny
KEN L
  • MASTER CERTIFIED MECHANIC
  • 55,488 POSTS
I have founds the wiring diagrams for you and a guide to help you do some testing. Some thing is shorting causing the fuse to blow.

This guide will help you test the wires to see which one is touching ground. Could be a relay shorted this is where I would start.

https://www.2carpros.com/articles/how-to-check-wiring

Please let us know what happens and upload pictures or videos of the problem.

Cheers, Ken
Was this
answer
helpful?
Yes
No
Friday, September 29th, 2017 AT 11:31 AM

Please login or register to post a reply.