Fuel pump

Tiny
DREANT45
  • MEMBER
  • 1997 OLDSMOBILE BRAVADA
  • 4.3L
  • V6
  • 2WD
  • AUTOMATIC
  • 154,765 MILES
I replaced the fuel pump. The new pump is not functioning.
Wednesday, October 25th, 2017 AT 11:40 AM

2 Replies

Tiny
PATENTED_REPAIR_PRO
  • MECHANIC
  • 1,853 POSTS
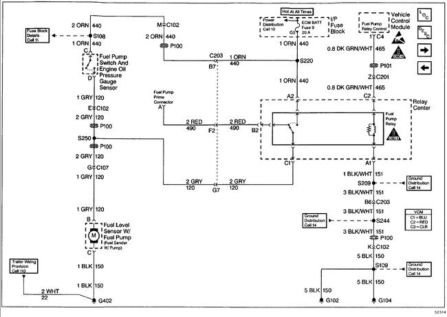
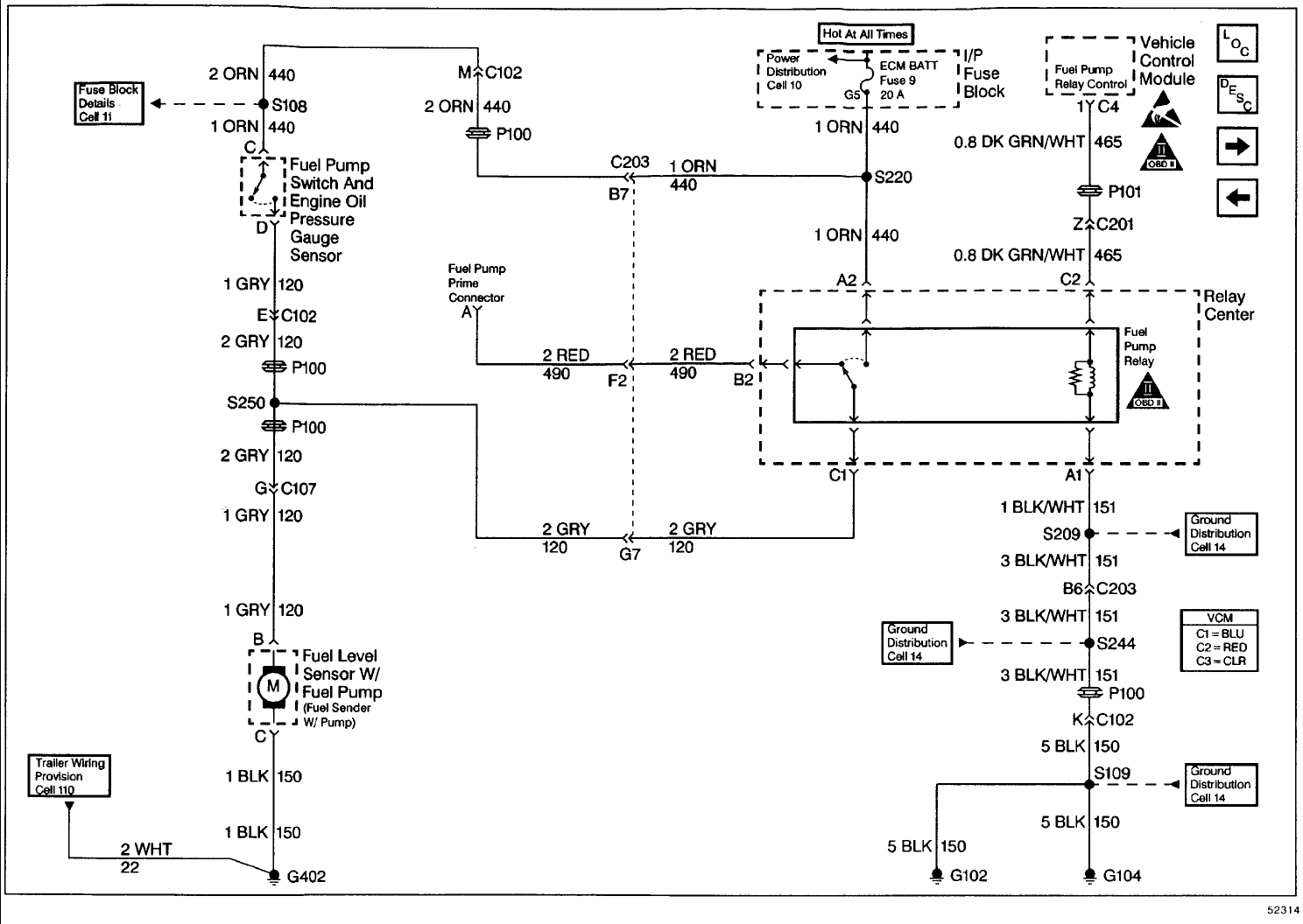
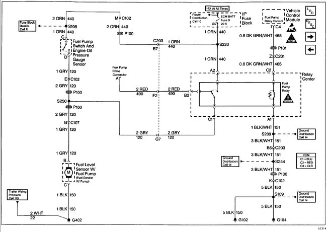
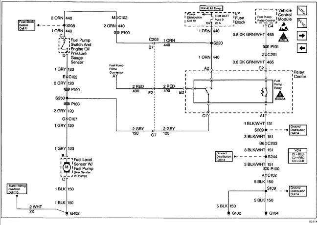
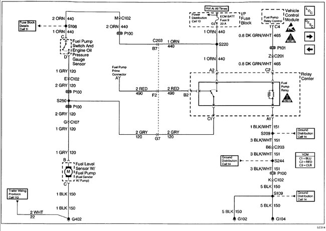
Check the fuse's for the fuel pump. Then put your finger tips on the fuel pump relay and feel if it clicks once or not when someone else turns the key to run for the first time. If it does click, try a new fuel pump relay and check it again.
Was this
answer
helpful?
Yes
No
+1
Wednesday, October 25th, 2017 AT 11:45 AM
Tiny
STEVE W.
  • MECHANIC
  • 15,704 POSTS
As PRP stated, check the relay, also pull the relay and look real close at the socket. They have a bad habit of melting around the contacts. Did you change the connector pigtail underneath when you changed the pump? That is also another spot where a bit of corrosion causes the connectors to heat up and lose contact.
Both of these will cause no pump activation when you first turn the key on.

However, GM only used the relay for the initial prime at key on for a long time. Once primed and the engine starts the oil pressure rises and the oil pressure switch closes and it powers the pump. This does two things, both related to saving the engine/safety. One if the prime happens and then the engine does not produce oil pressure, the engine will shut off, and If the engine loses oil pressure in an accident it shuts off the pump.

A real quick way to test if the issue is the relay or pump is to verify that the pump fuse is good and shoot a bit of starter fluid in and try starting it, when the engine fires on the starting fluid the oil pressure will jump up (only need 7 psi) and turn on the pump. The engine will run until you shut it off and the fuel pressure drops.
If on the other hand it runs until the starting fluid burns off, the pump has a problem.

Another way to test is to jump twelve volts to the pump prime connector (or bypass the relay completely and run power to the gray pump power feed). If you hear the pump turn on and you get fifty five or more pounds of fuel pressure you have a good pump.

There is also the issue of the ground to the pump. It connects to the frame and they do fail. An easy way to test this is a simple test light. Connect it to battery positive. Then touch it to the pump power feed (gray wire or red pump prime) if it lights you have a ground. That is because the light would be grounding through the pump and its ground. But the ground may not be good enough to power the pump, that is when you bring out the big test light, AKA a headlight bulb. If it comes on bright the ground can power the pump.

If you have any additional questions just ask.
Was this
answer
helpful?
Yes
No
Wednesday, October 25th, 2017 AT 3:04 PM

Please login or register to post a reply.