The fuel pump is not working and the car will not start?

Tiny
CRAZYFROGZ
  • MEMBER
  • 1994 CHEVROLET LUMINA
  • 3.1L
  • 2WD
  • AUTOMATIC
  • 176,000 MILES
The car listed above is a Euro. The fuel pump is not engaging, and the car won't start, everything was updated prior to this, the battery, spark plugs etc. I cannot hear the fuel pump engaging when I go to turn the key. Can I please get diagrams, and how to repair them? If you have any videos that would be amazing, thank you
Sunday, October 1st, 2023 AT 9:14 AM

1 Reply

Tiny
JACOBANDNICKOLAS
  • MECHANIC
  • 110,194 POSTS
Hi,

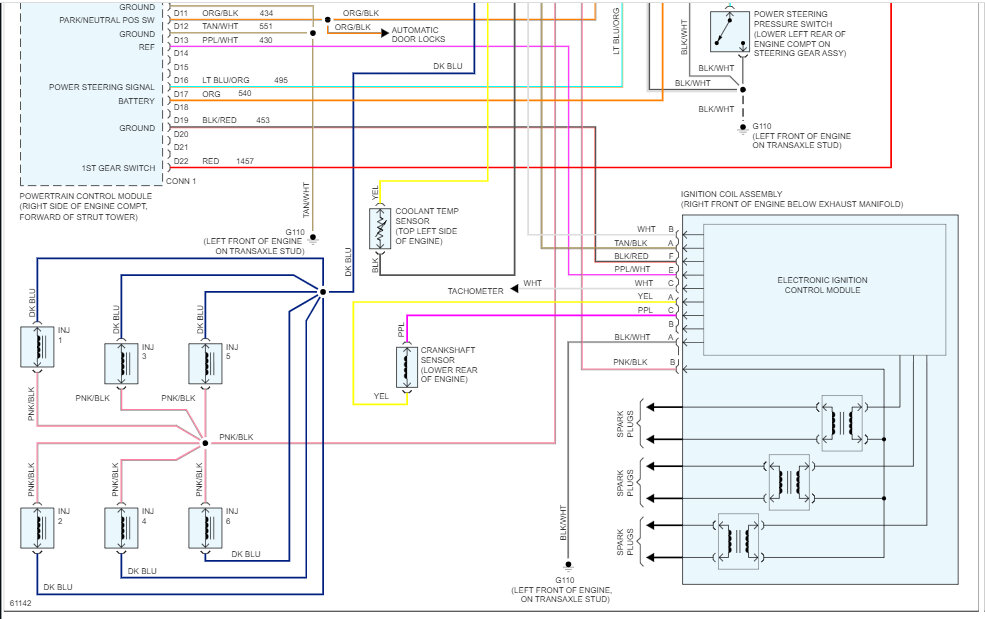
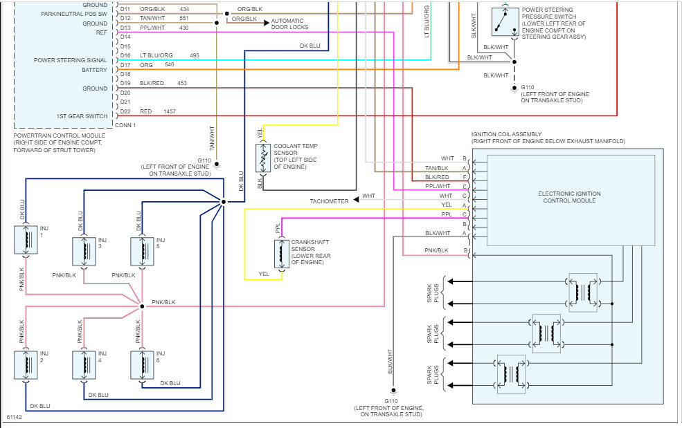
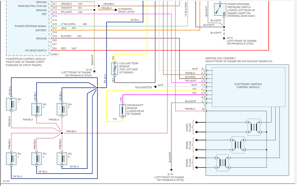
To get you started, I attached the entire wiring schematic for the powertrain control circuits. The fuel pump is integral.

The first things I need you to check is if the ECM/Batt fuse in the under-hood fuse box is good. When checking, it is important to also confirm there is power to and from it. Note that this fuse should have power with the key in either the run or off position. (see pic below)

If the fuse is good, locate the fuel pump relay in the same electrical box under the hood. (See pic below) Switch it with a different one having the same part number to see if that changes things. If there isn't one with the same part number, here is a link that explains how to test the relay and circuit:

https://www.2carpros.com/articles/how-to-check-an-electrical-relay-and-wiring-control-circuit

Let me know what you find.

Take care,

Joe

See pics below. Note: The wiring schematic pages had to be cut in half to make them readable. I did overlap them so you can follow from one to the next. Additionally, I highlighted the relevant wiring.
Was this
answer
helpful?
Yes
No
Sunday, October 1st, 2023 AT 9:01 PM

Please login or register to post a reply.