How to manually turn on the fuel pump?

Tiny
JOREBA SHANNON
  • MEMBER
  • 1994 BUICK CENTURY
  • 3.1L
  • 6 CYL
  • 2WD
  • AUTOMATIC
  • 66,204 MILES
What wires do you touch to find out if pump will come on, on top of the fuel tank?
Wednesday, April 16th, 2025 AT 9:57 AM

2 Replies

Tiny
JOREBA SHANNON
  • MEMBER
  • 2 POSTS
How do you make fuel pump come on manuel.
Was this
answer
helpful?
Yes
No
Wednesday, April 16th, 2025 AT 10:09 AM
Tiny
STEVE W.
  • MECHANIC
  • 15,671 POSTS
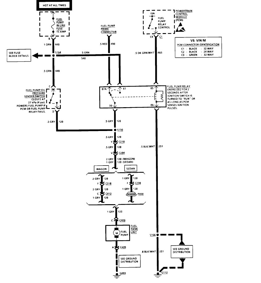
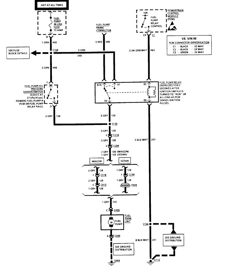
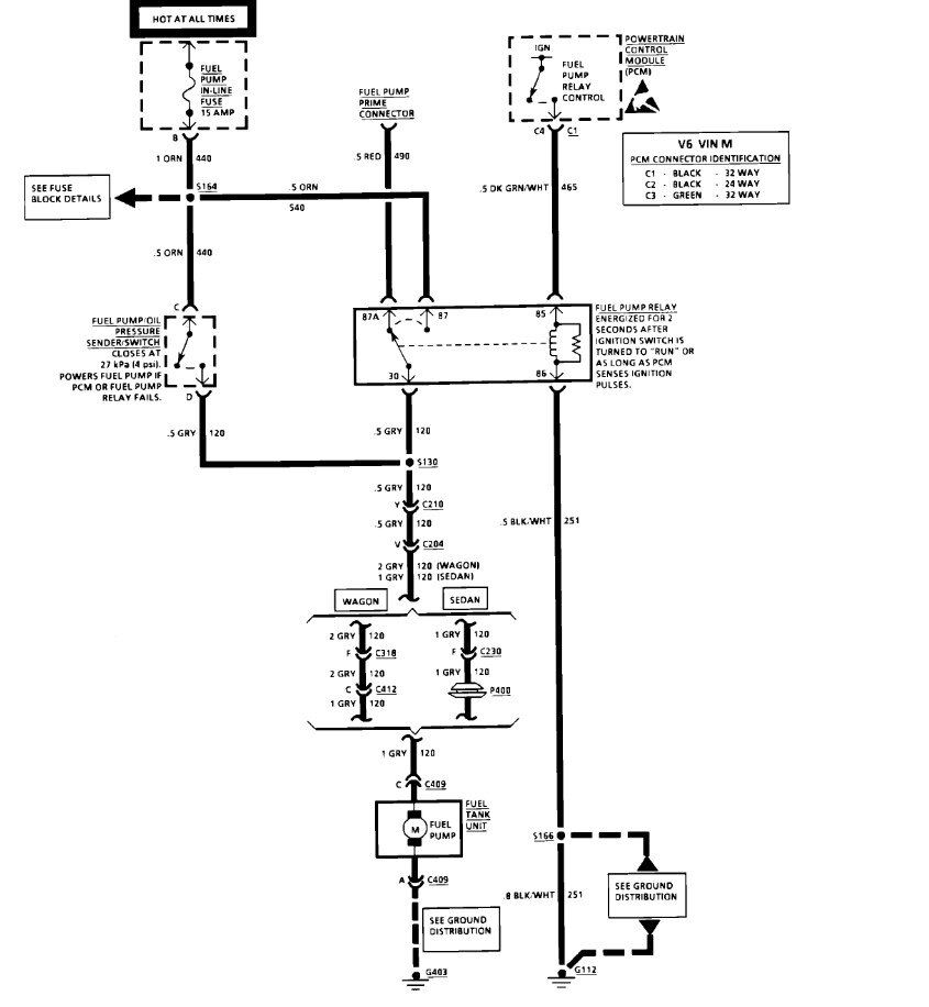
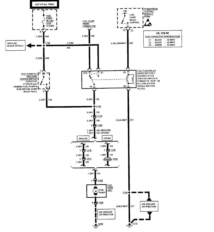
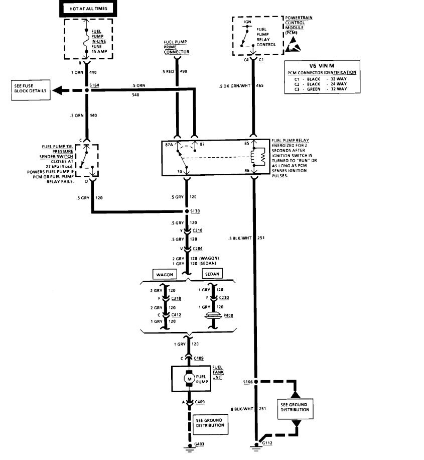
There are a couple ways you can test the pump on that car. First is to look near the fuse box and pump relay for a red wire that is wrapped in the harness but not connected. That is the pump prime feed. It bypasses the vehicle controls and will power the pump. The other method is to pull the pump relay out and put a short jumper wire between the 30 and 87 terminals, which will also turn on the pump.
Was this
answer
helpful?
Yes
No
Wednesday, April 16th, 2025 AT 10:17 AM

Please login or register to post a reply.