Saturday, June 16th, 2018 AT 11:43 PM
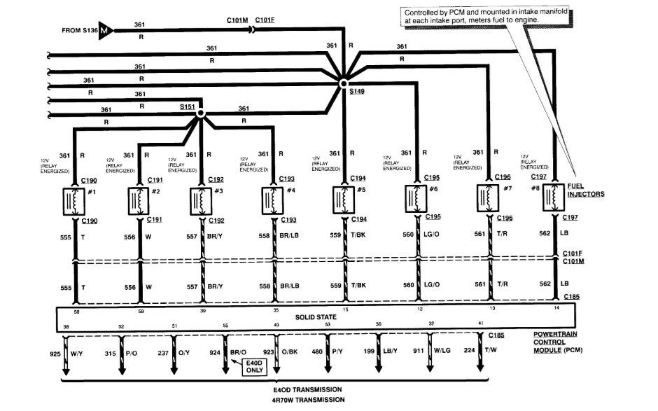
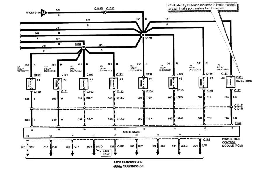
One injector does not work. Voltage test showed same on all. But when I ran a jumper wire from positive terminal of injector beside it to positive of one that does not work it works fine.


