Wednesday, March 30th, 2022 AT 12:35 PM
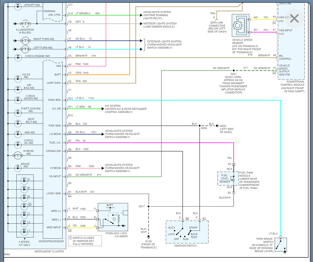
So, my fuel gauge is stuck on full and will not change no matter what, so I have to keep resetting my Tripp meter so that every 500km. I then know it needs to be refilled so that I can be sure I don’t run out of fuel. My brother said he can fix it but was just wondering if it’s possibly just the floater arm or if the float has fallen off, so the arm has no balance.





