Tuesday, March 1st, 2022 AT 12:59 AM
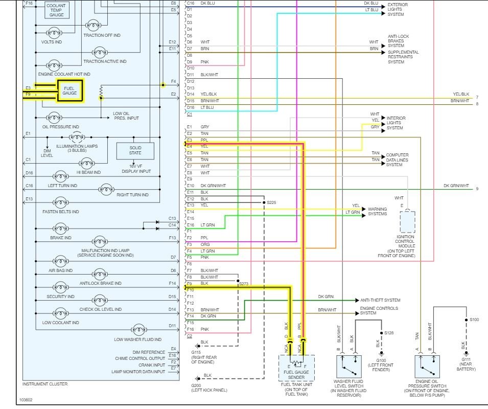
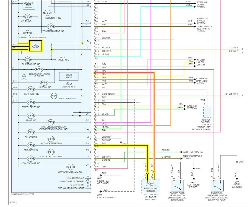
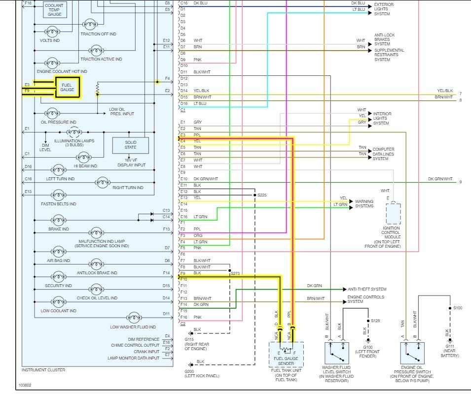
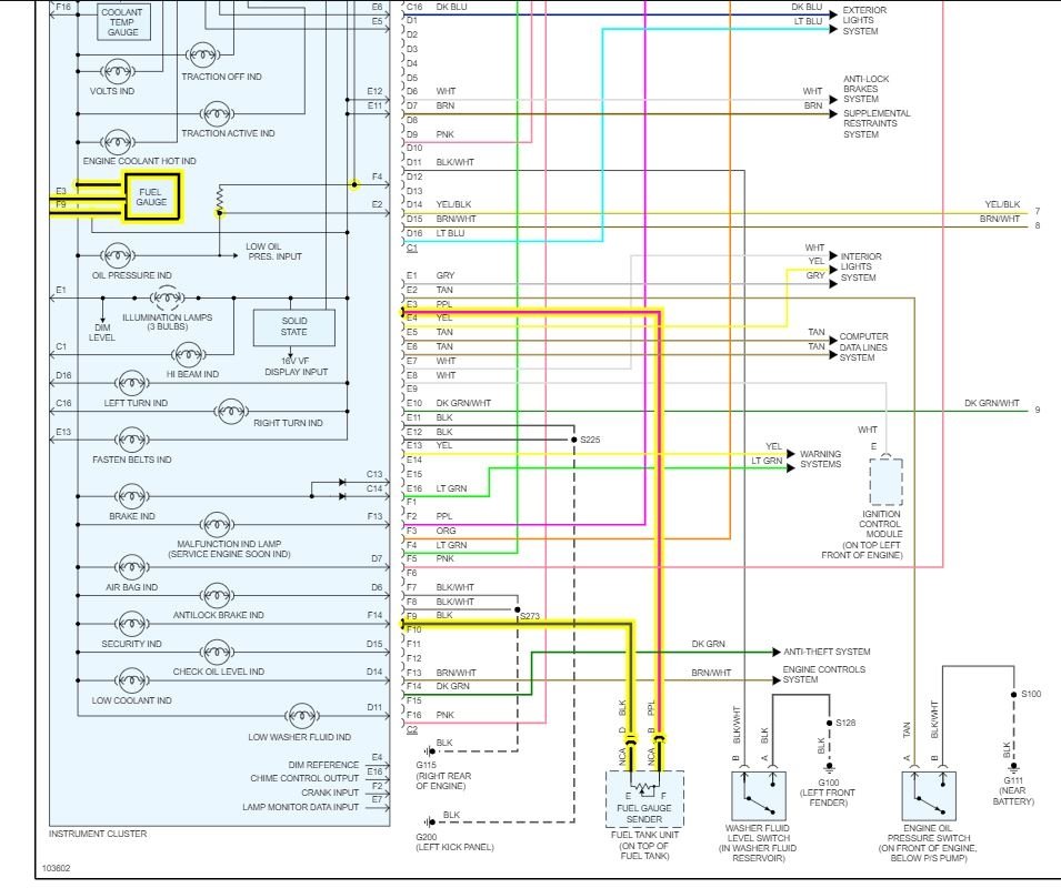
The fuel gauge stays at one position full or empty. I changed the sending unit in tank stayed the same, so I pulled the instrument cluster and put a new gauge a little change but still not reading. Found two wires going to tank pink one and a dark color one checked with test light pink light up dark one no light. Checked all fuses, no help. Did notice when I unplugged the wires to tank gauge went to the far right. Any help?




