Fuel gauge not working?

Tiny
JEROME4GROSS
  • MEMBER
  • 2008 FORD FOCUS
  • 4.0L
  • 4 CYL
  • 2WD
  • AUTOMATIC
  • 171,658 MILES
Fuel gauge does not work, what can I do to fix it?
Saturday, March 4th, 2023 AT 8:10 PM

1 Reply

Tiny
KEN L
  • MASTER CERTIFIED MECHANIC
  • 55,361 POSTS
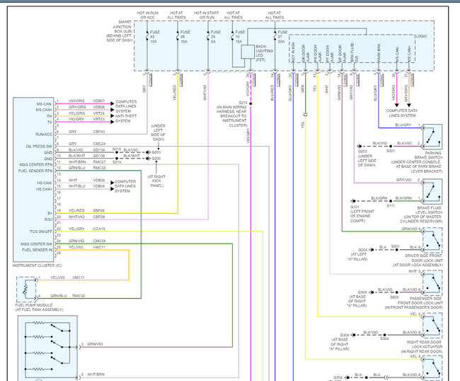
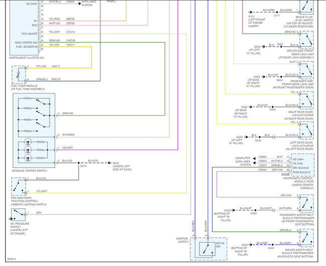
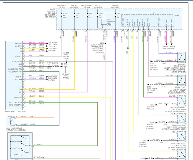
The first thing we need to do is check the fuse #43, #26 and #29 in the fuse panel on the left side of the dash here is a guide to help and the fuse location in the diagrams below.

https://www.2carpros.com/articles/how-to-check-a-car-fuse

If the fuses are good, it can be a bad sender in the tank or a bad fuse. to find out which you will need to locate the Yel/Vio and grn/blu wires in the harness headed to the fuel tank and connect them together temporarily. Turn the key on and then watch the gauge to see if the reading changes, the sender is bad and if not, the cluster needs to be replaced. I have included the fuel gauge wiring diagrams in the images below so you can see how the system works. Please let us know what you find. We are interested to see what it is.

Was this
answer
helpful?
Yes
No
Sunday, March 5th, 2023 AT 5:40 PM

Please login or register to post a reply.