Sunday, August 18th, 2019 AT 3:15 PM
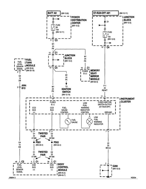
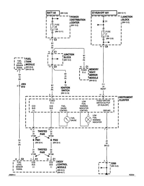
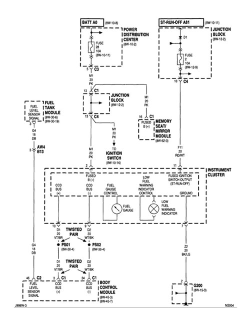
The low fuel light is on. I have replaced fuel pump and sending unit. I have removed cluster and soldered connections. Still no gauge. Am I correct in that the wiring goes though the BCM? Does the PCM control fuel gauge also? The van stalled and has no spark. I have ordered a new PCM, cam and crankshaft sensor hoping to getting it running again, while waiting on parts trying to solve fuel gauge problem too.












