Fuel bar blinking

2006 TOYOTA VITZ
12,432 MILES • 4 CYL • 2WD • AUTOMATIC
Avatar
EMMANUELNGANDU
  • MEMBER
  • 29 POSTS
The last fuel bar continuously blinks even when there is enough fuel in the tank. plugged in a diagnostic machine nothing no fault relating to that.
May 23, 2022 at 1:31 PM
Advertisement
Avatar
KASEKENNY
  • CAR REPAIR CONTRIBUTOR
  • 18,907 POSTS
There are a couple things that would cause this, but the likely cause is the fuel sender in the tank is not sending the correct info.

However, can you get a quick video of what this is doing?

If the whole gauge is flashing, then this is most likely a cluster issue or just a circuit issue.

So that means we need to check the power going to the circuit.

https://www.2carpros.com/articles/how-to-check-wiring

If we have power, then check this power while filling the tank and see if it moves slowly and smoothly.

If not, then the sender is the issue.

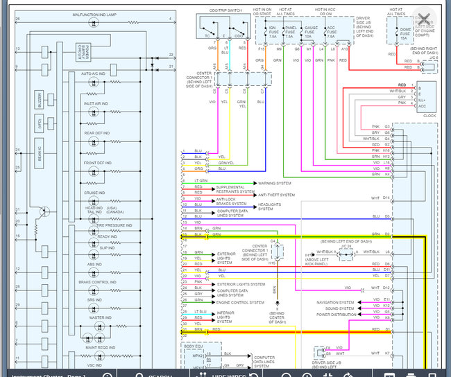
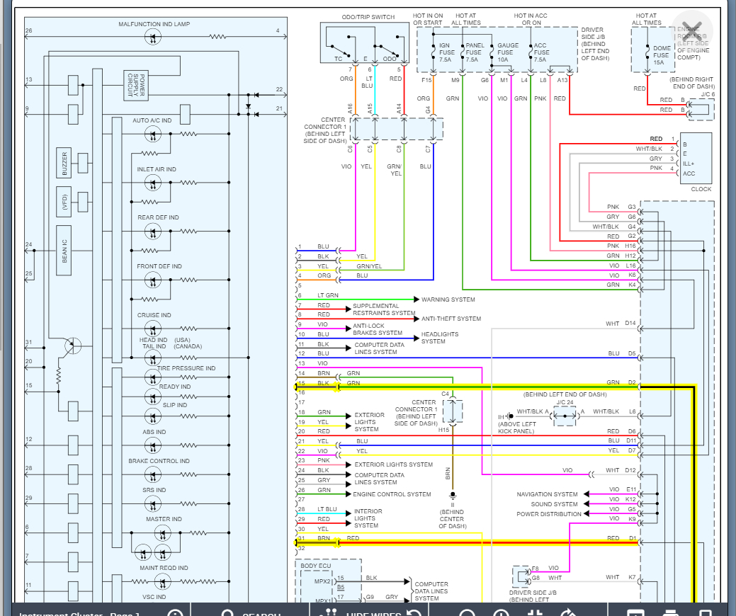
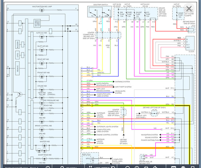
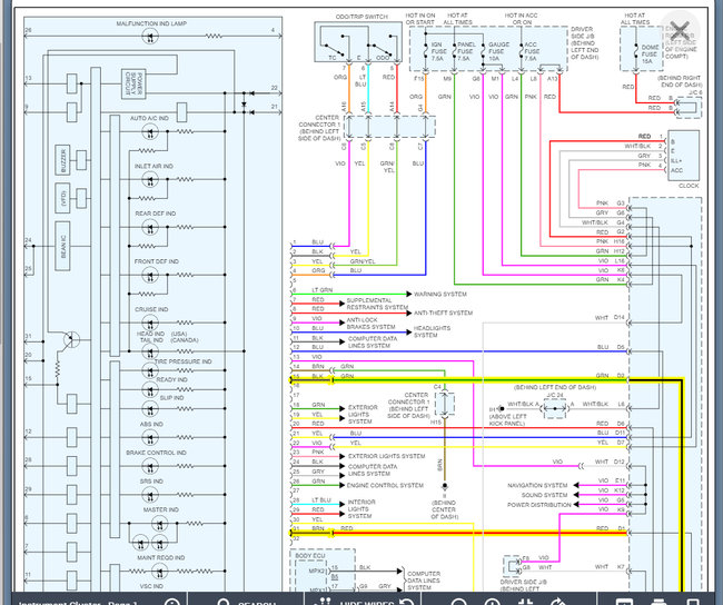
I am attaching the wiring diagram from the vehicle that we have in the USA. This is going to be slightly different, but the process is going to be the same.

Please let me know what questions you have, and we can go from there.

Thanks
May 24, 2022 at 4:46 PM
Advertisement
Avatar
EMMANUELNGANDU
  • MEMBER
  • 29 POSTS
Are these wiring diagrams for 1nz,ncp91 chassis?
May 25, 2022 at 3:23 AM
Avatar
KASEKENNY
  • CAR REPAIR CONTRIBUTOR
  • 18,907 POSTS
They are for 1NZ-FXE which is the closest I can find to the Vitz.
May 25, 2022 at 9:56 AM
Repair Safety Notice: This information is for general instructional purposes only. Vehicle repair can be dangerous. Verify all information, follow manufacturer service procedures, use proper tools and safety equipment, and consult a qualified repair shop when needed.