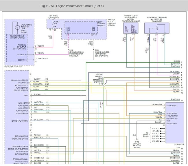
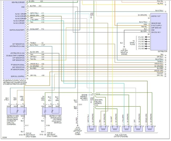
Wednesday, January 11th, 2017 AT 10:33 AM
Fuel shutting down after initial start. Will run for a few seconds then it shuts down, but will restart after I energize the pump.





