Wednesday, April 23rd, 2025 AT 11:34 AM
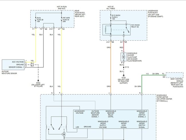
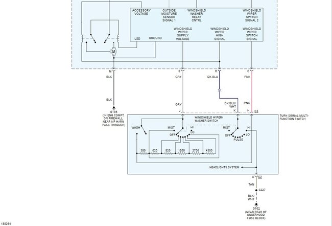
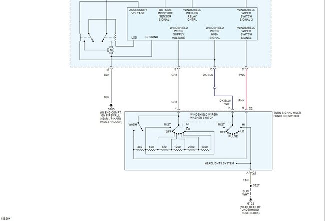
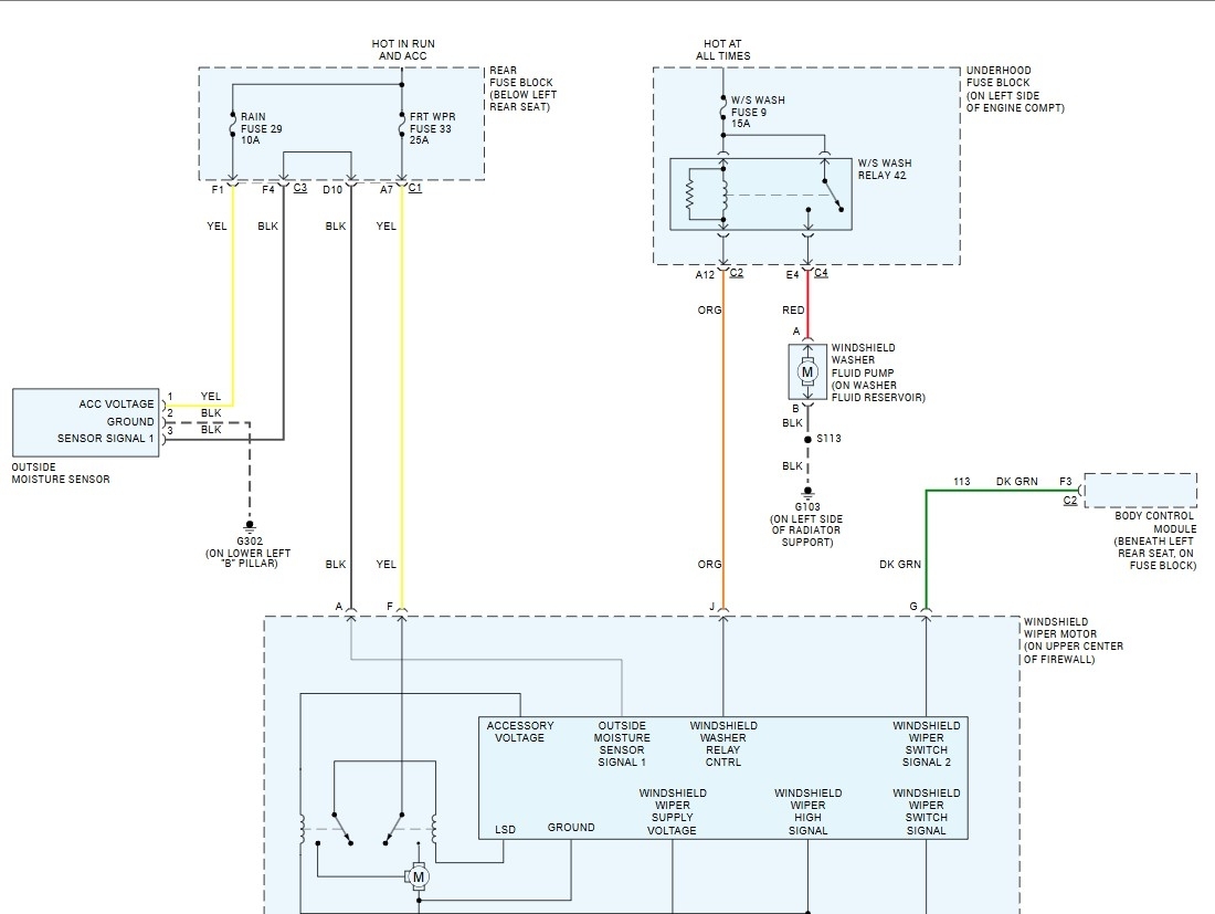
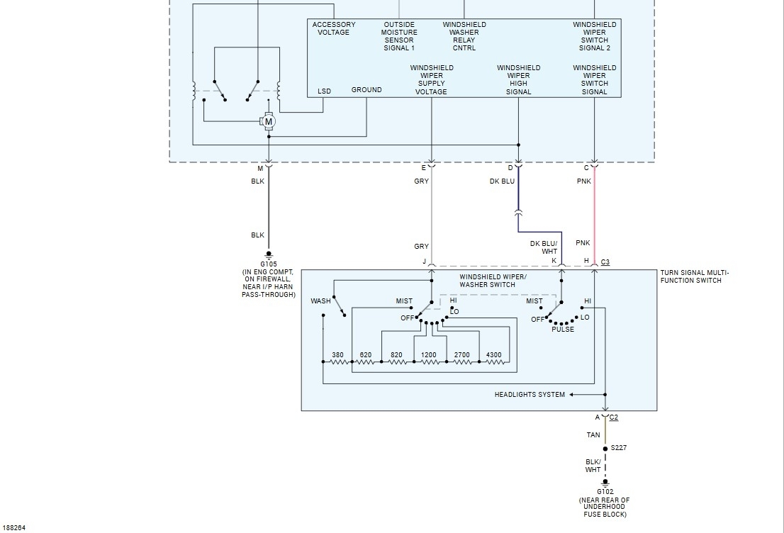
I have changed my front wiper motor two times in about 6 months because they stop working when I need them to work. I have checked fuses they are good. I can't find a relay for them. I have read the computer board inside of the motor can go bad. I can't purchase just the computer board. Wiring looks to be okay. I need to repair this as soon as possible because of a lot of rain will be headed our way in a few days. So please guide me in the right direction. Thank you for your time.


