Front wipers randomly turn on

Tiny
KENNELDG
  • MEMBER
  • 1997 PLYMOUTH VOYAGER
  • 3.3L
  • 6 CYL
  • 2WD
  • AUTOMATIC
  • 170,000 MILES
Front wipers sometimes come on randomly when I unlock the car, go over a pothole, or just any time while driving. Eventually it goes off but sometimes stops fully open.
I've replaced both the BCM and ECM to fix other electrical problems and replaced the wiper switch. What else can I check? Relay? Wiper motor? I heard there may be a separate intermittent wiper module.
Wednesday, June 1st, 2022 AT 11:02 AM

13 Replies

Tiny
KASEKENNY
  • MECHANIC
  • 18,907 POSTS
This could be a couple of issues so the way we need to figure this out is to start checking power through the wiper system when the wipers are on, and the switch is off.

Basically, we need to find out where the power is coming from. This is most likely a short or connection issue but normally a loose connection normally causes them to cut off.

https://www.2carpros.com/articles/how-to-check-wiring

On newer vehicles when the module loses connection it will default the wipers on as a safety measure. This vehicle does not have this.

So I suspect this issue is there is a wire that is rubbed through and when you hit the right bump it grounds out and turns the wipers on.

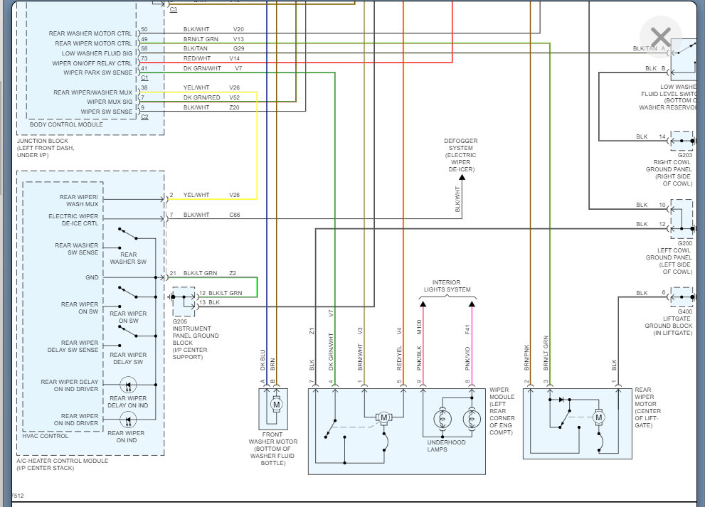
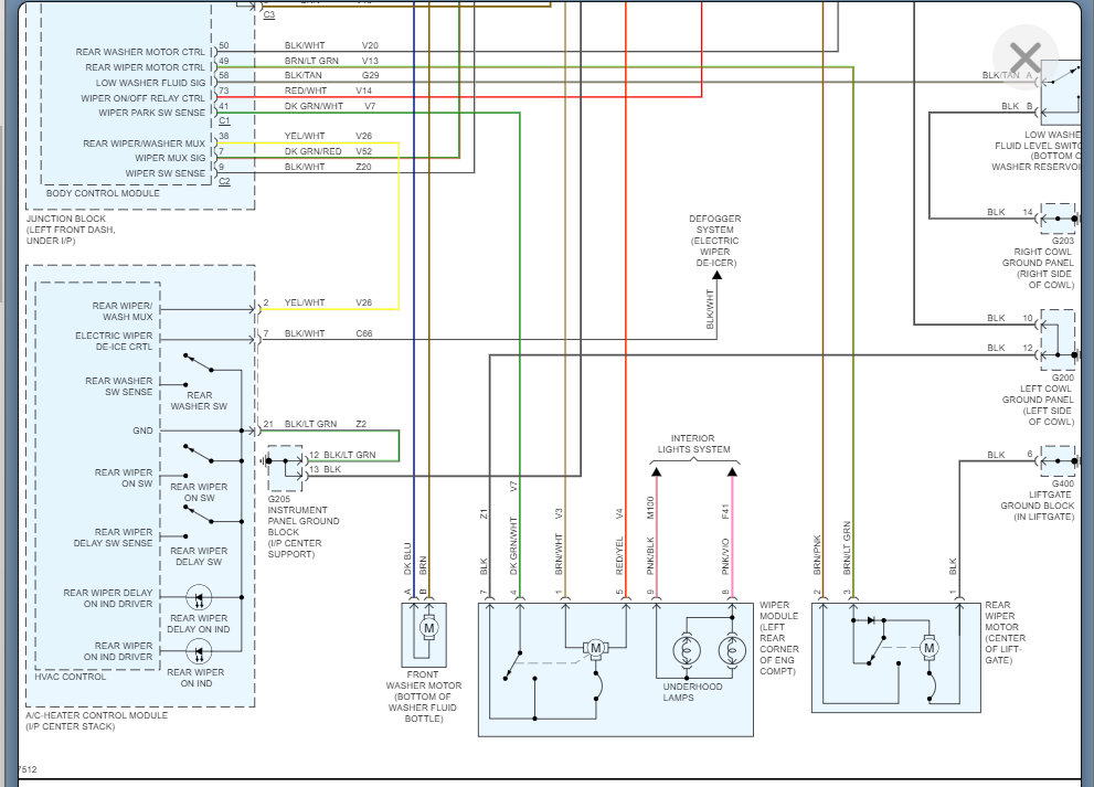
I am attaching the wiring diagram below but let's start at the motor and work backwards when the wipers are on to find where we do not have power.

Let me know if you have questions on this but this could be a relay issue as well so let's start with this and go from there.

Thanks
Was this
answer
helpful?
Yes
No
+1
Thursday, June 2nd, 2022 AT 8:27 AM
Tiny
KENNELDG
  • MEMBER
  • 34 POSTS
I haven't had a chance to check the power yet, but wondering if it could be the return to 0 function on the wiper motor, that keeps the wipers moving after the switch is turned off until the blades return to zero.
Was this
answer
helpful?
Yes
No
Thursday, June 2nd, 2022 AT 3:13 PM
Tiny
KASEKENNY
  • MECHANIC
  • 18,907 POSTS
You mean the program in the wiper motor that if you turn the switch off in any position other than 0 (parked position) that the wipers will finish that swipe and then stop in the parked position?

It could be the issue, or it could be the wiper motor itself. Either way, when this is happening that will show up because we will have voltage on the dark green/white wire when they are running, and the switch is off. This is the park control wire. Basically, when the motor is commanded off by the switch (turned off) then the BCM will keep the motor running until it reaches that parked position and then cuts it off.

No matter what, we need to test the voltage on these wires when the motor is running, and the switch is off to see where the voltage is coming from.
Was this
answer
helpful?
Yes
No
Thursday, June 2nd, 2022 AT 4:58 PM
Tiny
KENNELDG
  • MEMBER
  • 34 POSTS
So, both the red and the black/white are hot when the wipers are on. Often the wipers continue running when the switch is turned off. But if I touch the green/white with the tester when they are running with the switch off, the wipers stop immediately. Sometimes they remained stopped when released and sometimes resumed running. The green/white doesn't have enough voltage to light the tester but touching that wire can stop the wipers from running.
Was this
answer
helpful?
Yes
No
Friday, June 3rd, 2022 AT 10:25 AM
Tiny
KENNELDG
  • MEMBER
  • 34 POSTS
The red and black/white are both hot whenever the wipers are running, whether the switch is on or off. See previous note for green/white info.
Was this
answer
helpful?
Yes
No
Friday, June 3rd, 2022 AT 10:34 AM
Tiny
KASEKENNY
  • MECHANIC
  • 18,907 POSTS
That is interesting and not expected.

So, the BCM controls all wiper functions and the only way you are going to get voltage on both of the motor wires is if the BCM Is grounding the relays.

Do you think you can get a video of how you are testing the park circuit and it cuts the wipers off?

That makes me think we have a BCM issue because that wire is normally grounded and when you are probing it, I suspect you are just grounding the circuit and that causes the wiper motor to park the wipers.
Was this
answer
helpful?
Yes
No
Friday, June 3rd, 2022 AT 6:55 PM
Tiny
KENNELDG
  • MEMBER
  • 34 POSTS
As this is random it doesn't always turn it off when I touch the green/white, but the shorter video demonstrates that at the end. Sometimes when I turn the wipers off, they keep running as demonstrated. Sometimes they come on even when no one is in the car and the key is off.
I did change out the BCM recently to fix another problem and the wiper problem was unaffected by that change, so I don't believe it is the BCM. Think it must be the motor itself.
Was this
answer
helpful?
Yes
No
Friday, June 3rd, 2022 AT 8:23 PM
Tiny
KASEKENNY
  • MECHANIC
  • 18,907 POSTS
That is great. Okay, yes. I suspect the motor would be the issue.

Basically, the park switch is inside the motor assembly. The fact that you recently replaced the BCM pretty much leaves the motor. The only other thing it could be is a sticking relay. However, I thought you said you already replaced that.
Was this
answer
helpful?
Yes
No
Saturday, June 4th, 2022 AT 1:51 PM
Tiny
KENNELDG
  • MEMBER
  • 34 POSTS
Have a motor on order. No haven't checked the relay but plan to swap 2 identical ones. I suspect the motor.
Was this
answer
helpful?
Yes
No
Saturday, June 4th, 2022 AT 8:26 PM
Tiny
KENNELDG
  • MEMBER
  • 34 POSTS
Only problem is I see the motor is really a pain to replace so I'll check the relay first.
Was this
answer
helpful?
Yes
No
Saturday, June 4th, 2022 AT 8:28 PM
Tiny
KASEKENNY
  • MECHANIC
  • 18,907 POSTS
Good plan. The only reason I think the relay is the issue is because you had power on both sides of the motor which is fed directly from the relay. So, if the relay is sticking on then that would explain it as well.

However, I am with you that I suspect the motor is more likely.
Was this
answer
helpful?
Yes
No
Sunday, June 5th, 2022 AT 8:40 AM
Tiny
KENNELDG
  • MEMBER
  • 34 POSTS
So today, I switched relay b and c that regulate wiper high and low and wiper general respectively. Now the wipers seem to be working as intended. I think only once it missed the return to zero stop and it hasn't come on randomly at any time.
Sure is good I didn't have to change out the wiper motor as that is quite a task.
Thanks for your help.
Was this
answer
helpful?
Yes
No
Monday, June 6th, 2022 AT 8:12 PM
Tiny
KASEKENNY
  • MECHANIC
  • 18,907 POSTS
That is great. Thanks for updating us and letting us know that it was a relay issue.

Glad the wiper motor didn't need replaced either and I am glad I was wrong.

Thanks for using 2CarPros.
Was this
answer
helpful?
Yes
No
Tuesday, June 7th, 2022 AT 10:26 AM

Please login or register to post a reply.