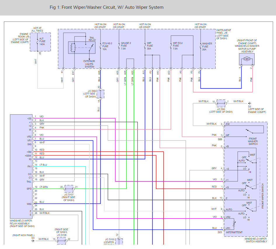
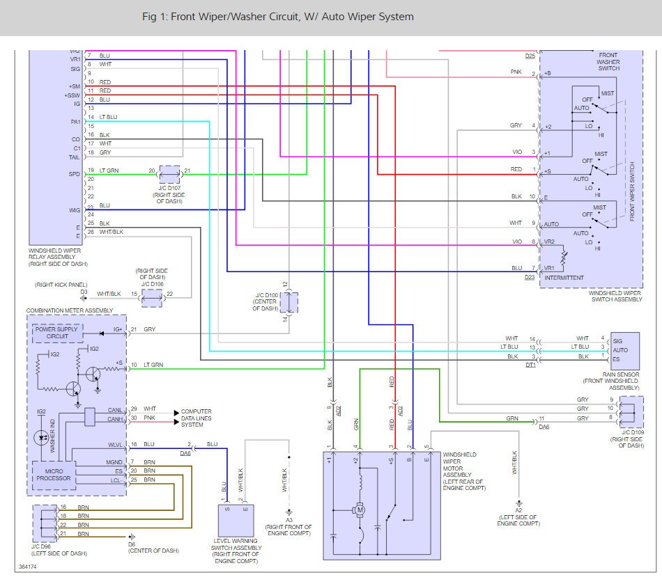
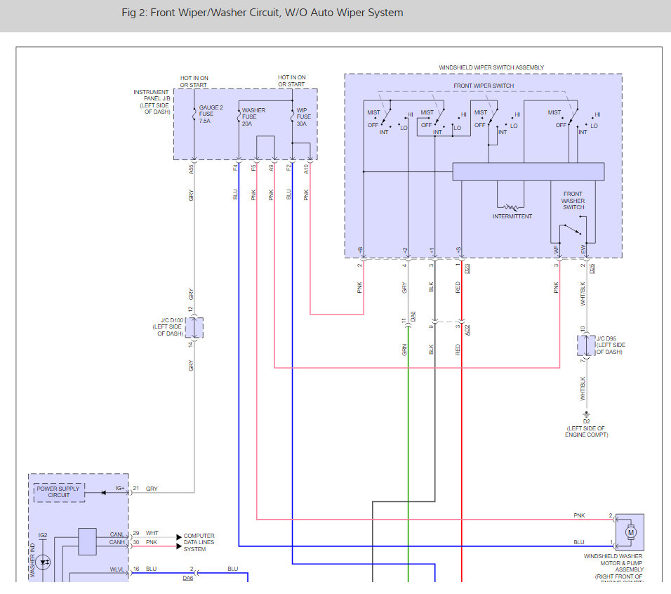
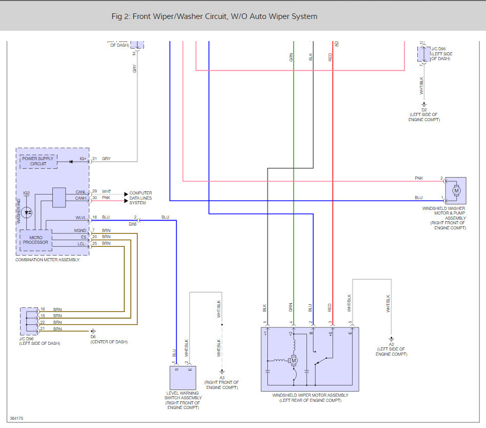
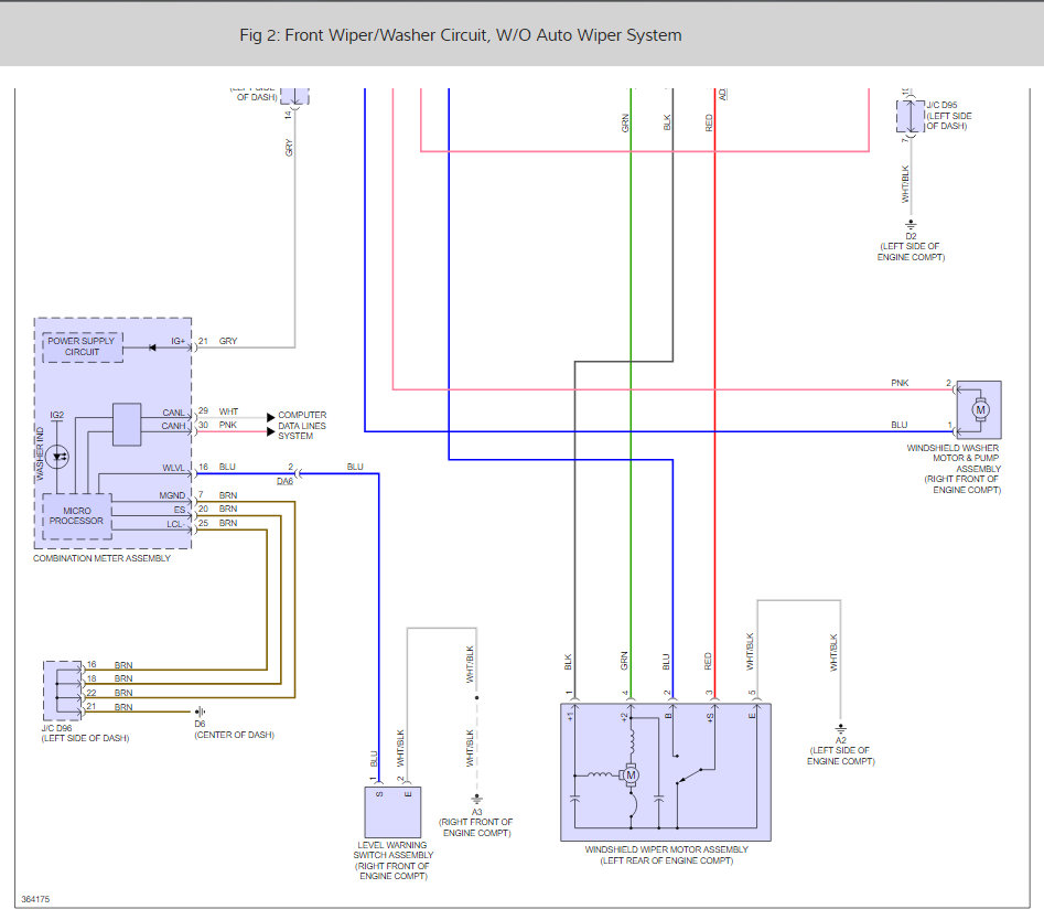
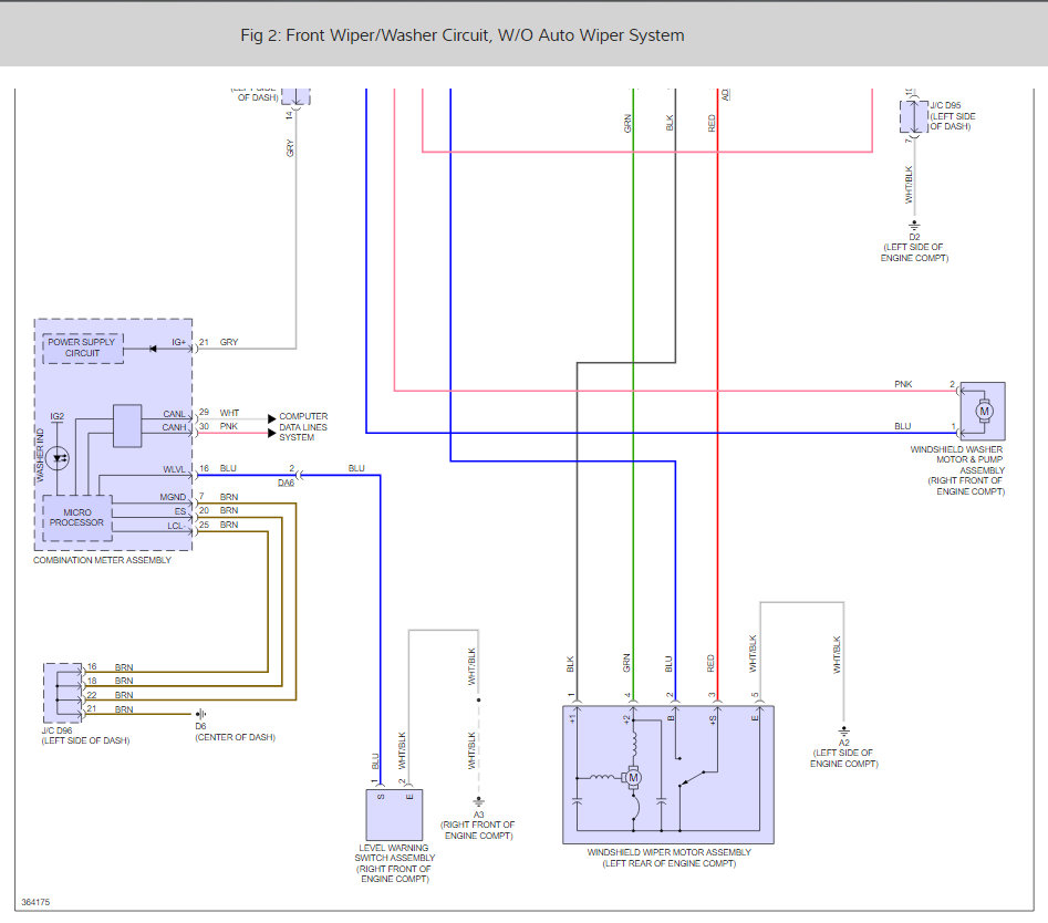
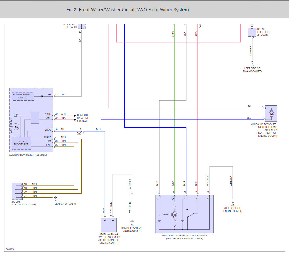
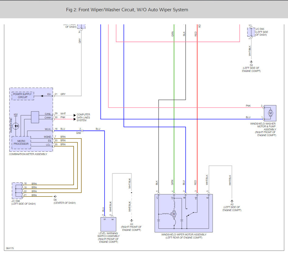
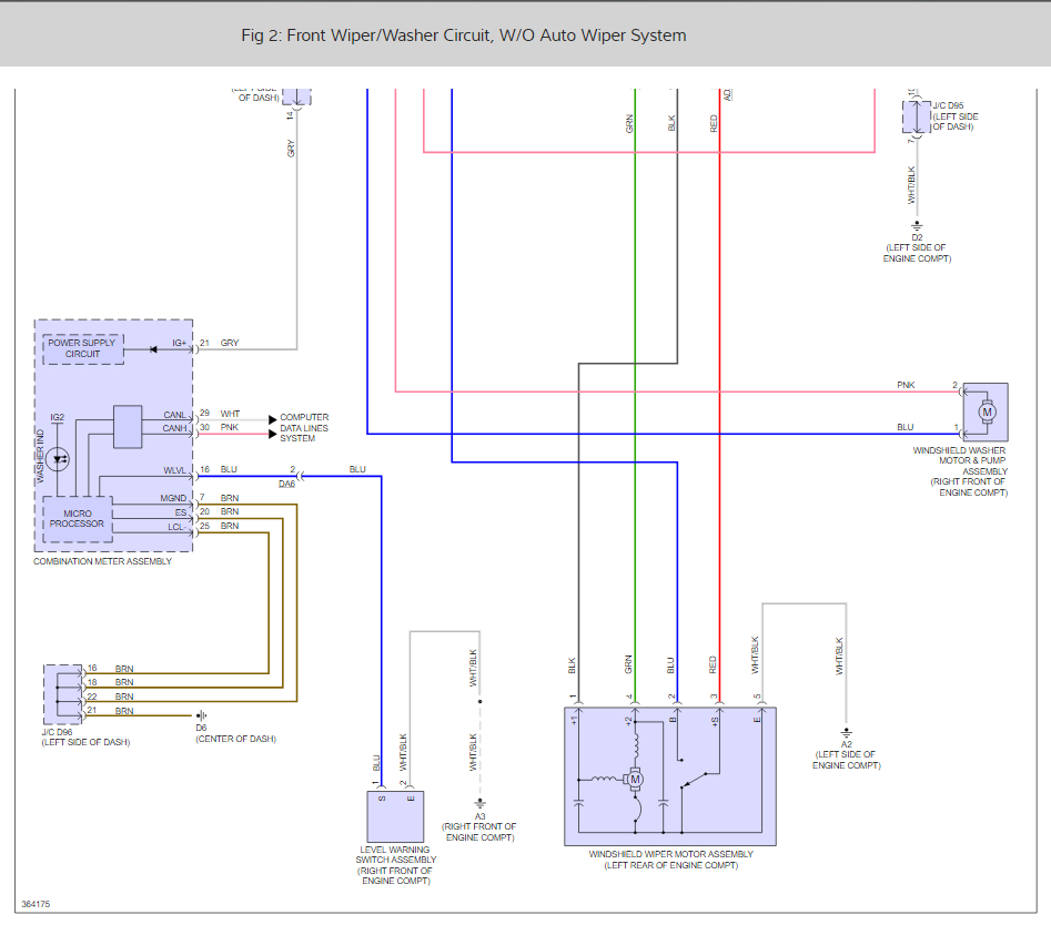
The front windshield wiper does not even move when I turn it on but the rear wiper will work perfectly. Could this be a major problem? Please let me know how much it will approximately cost and what can be done.
Thank you,
Zach
Monday, July 24th, 2017 AT 5:15 PM






