Front windows not working

Tiny
BARRY STONE
  • MEMBER
  • 2000 MERCEDES BENZ ML320
  • 0.5L
  • V6
  • 4WD
  • AUTOMATIC
  • 190,000 MILES
Both front windows stopped working at the same time.
Thursday, November 30th, 2017 AT 8:15 PM

1 Reply

Tiny
KASEKENNY
  • MECHANIC
  • 18,907 POSTS
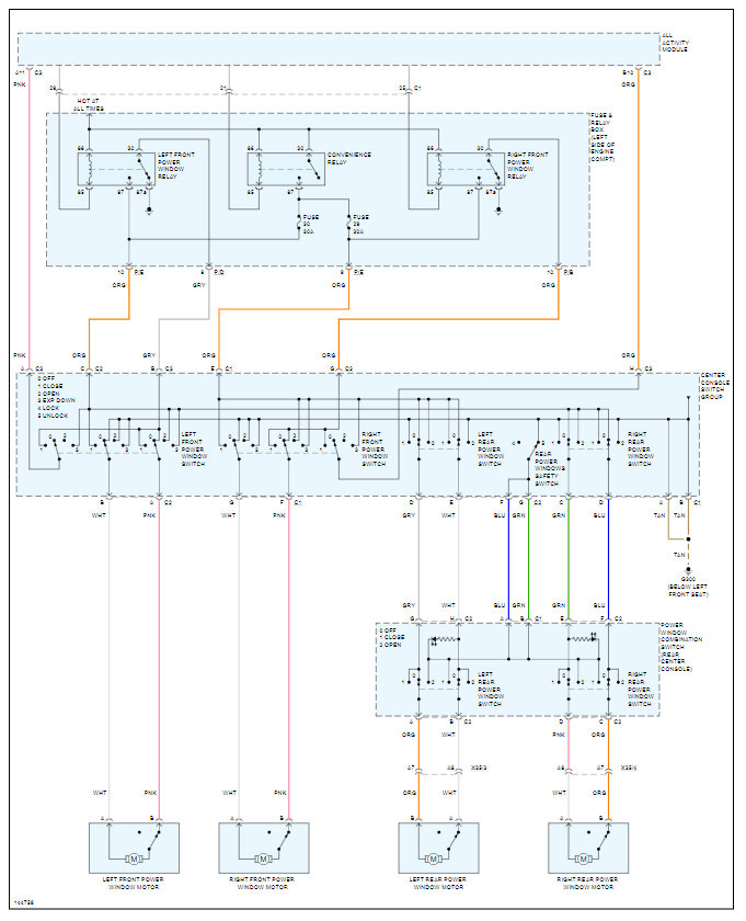
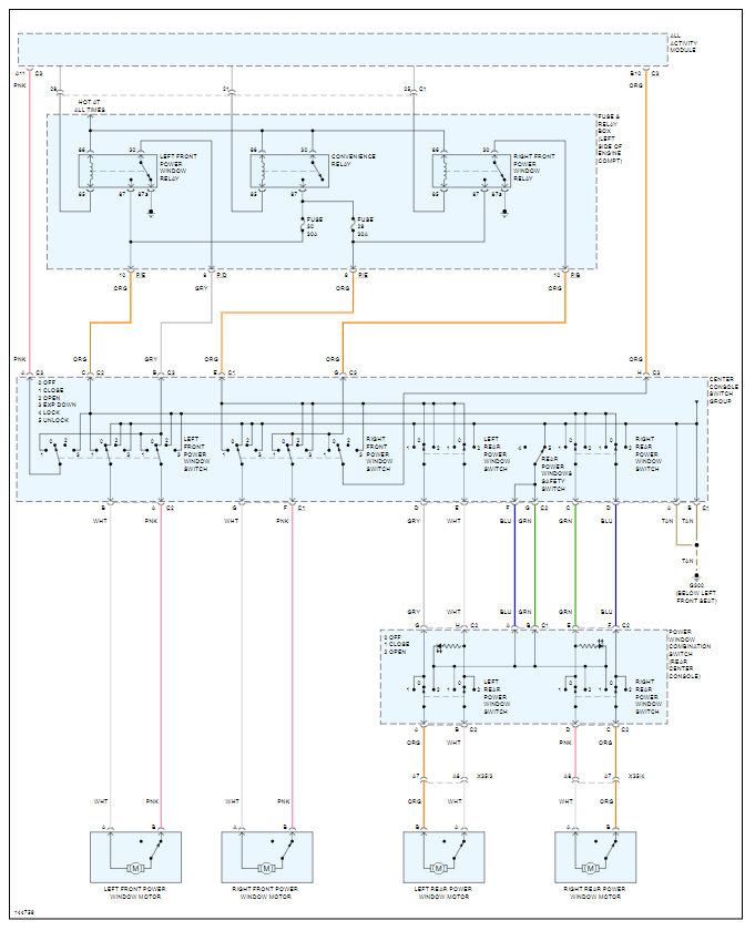
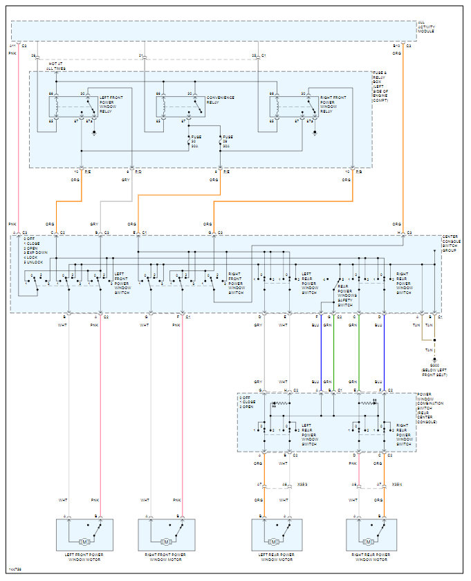
Take a look at the wiring diagram. If both front stopped working at the same time, I suspect the driver window switch is the issue. They each have their own relay so it is unlikely that they both failed at the same time. So that means the switch is the most likely issue. We need to test voltage coming out of the switch and coming into it from the relay. If you have it going in and not out then the switch is the issue.

Here is a guide that will help with this:

https://www.2carpros.com/articles/how-to-check-wiring

I am attaching the process on how to replace this switch. Let us know what other questions you have. Thanks
Was this
answer
helpful?
Yes
No
+1
Wednesday, December 16th, 2020 AT 9:12 AM

Please login or register to post a reply.