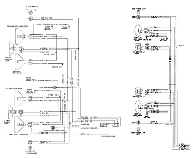
The replacement harness is a used one with some damage to the passenger set of turn signals and headlight socket, and I wired them up as well. The headlights worked instantly, dims and brights, but the turn signals up fron will not work, however the real brakes and signals work fine. I've checked the fuses all through, and replaced several, but turn/ BU fuse is fine. I am now tracing the lines from the column to the fuse box, and every thing is clean, no damage.
And im curious, if I have continuity at the bulb socket. Doesn't that mean the circuit is going all the way through, or?
Sunday, April 26th, 2026 AT 7:43 AM

