Front Speaker Signal Path for Amp Issue?

Tiny
B00TYSAL
  • MEMBER
  • 2023 KIA K900
  • 4,000 MILES
I am having a very strange issue, I have all 4 channels connected to my amp and have sound coming to all 4, however if I fade the sound to the front there is no sound and therefore cannot hear any phone calls either.

I have tapped into the wires in the kick panel that match the +/- of the respective speakers. Does anyone know or have a diagram of which wires are from the HU and how those run to the speakers?
Thursday, April 20th, 2023 AT 11:04 AM

10 Replies

Tiny
KEN L
  • MASTER CERTIFIED MECHANIC
  • 55,077 POSTS
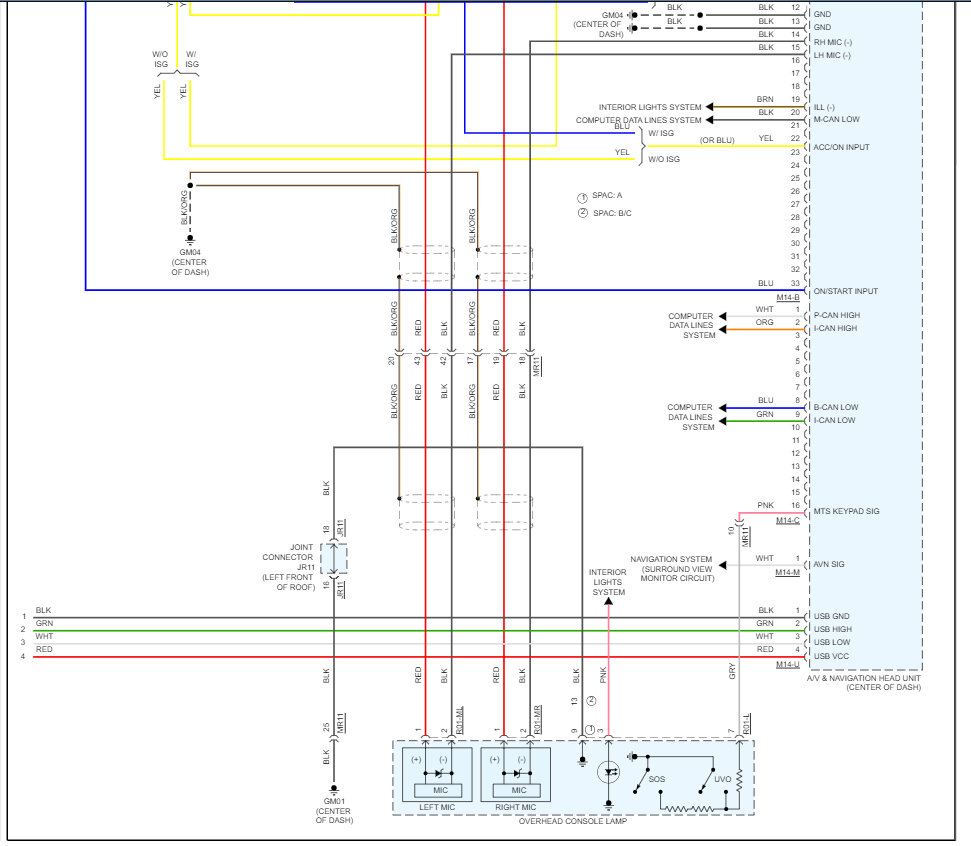
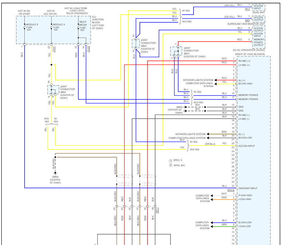
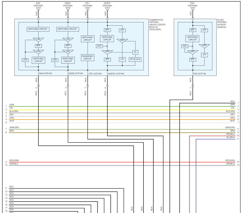
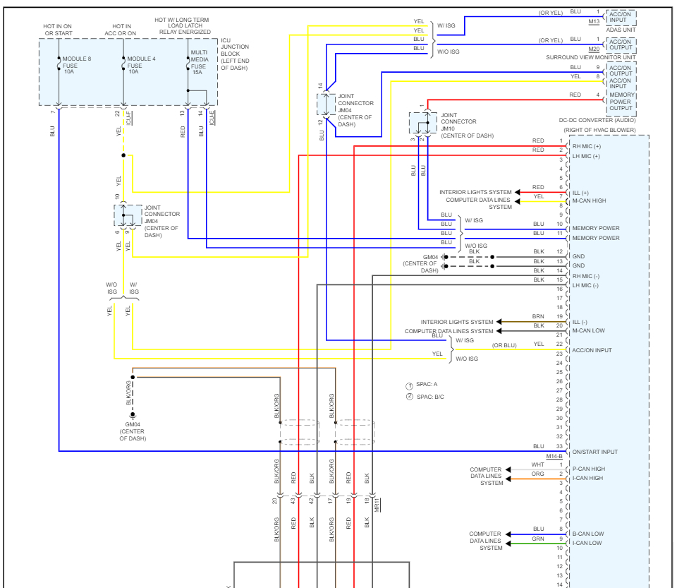
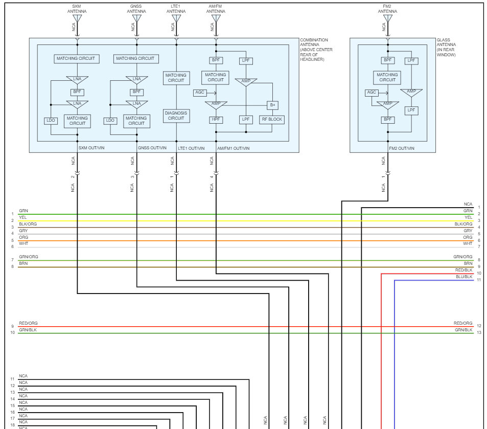
Yep, there are many wires to the radio system. here is a guide to help you test the connections and the radio wiring diagrams in the images below:

https://www.2carpros.com/articles/how-to-check-wiring

Check out the images (below). Please let us know if you need anything else to get the problem fixed.

Was this
answer
helpful?
Yes
No
+1
Friday, April 21st, 2023 AT 12:08 PM
Tiny
B00TYSAL
  • MEMBER
  • 7 POSTS
Wow, that's a lot. I have the standard non-Bose system. I see that I need that R/B wire that's direct to the passenger side front speakers, I believe I spliced into that as I found where that lead into the door jamb, but the issue is acting like I taped into maybe the RR signal wires. Do you have anything that shows which wire is which on the Molex connectors in the respective kick panels of the passenger and driver side?

The blue/silver is the output wire from my amp and the pink cable is for the input to the amp.
Was this
answer
helpful?
Yes
No
Friday, April 21st, 2023 AT 1:09 PM
Tiny
B00TYSAL
  • MEMBER
  • 7 POSTS
Also, I completely forgot to mention, I have a 2023 Kia K5 but there was no option for that in the drop-down menu. Standard audio, non-Bose system.
Was this
answer
helpful?
Yes
No
Friday, April 21st, 2023 AT 8:50 PM
Tiny
KEN L
  • MASTER CERTIFIED MECHANIC
  • 55,077 POSTS
Thanks for that, I added the K5 model to the list. Which connector view do you need, and I will try to find it for you, what does it plug into?
Was this
answer
helpful?
Yes
No
Saturday, April 22nd, 2023 AT 10:51 AM
Tiny
B00TYSAL
  • MEMBER
  • 7 POSTS
I'm trying to look at the Molex panels that are in the driver and passenger kick panels. The wiring from the radio leads into then but each connector has other things as well so there's not just the "audio" wires.
Was this
answer
helpful?
Yes
No
Saturday, April 22nd, 2023 AT 12:22 PM
Tiny
KEN L
  • MASTER CERTIFIED MECHANIC
  • 55,077 POSTS
Okay, do you have any questions about the wiring diagrams or? I am not sure what to do to help you.
Was this
answer
helpful?
Yes
No
Monday, April 24th, 2023 AT 10:33 AM
Tiny
B00TYSAL
  • MEMBER
  • 7 POSTS
Not sure why it's turned sideways, the right side of the image is the bottom of the car/floor. These are the panels in the passenger kick panel. Do you have anything that shows this layout and which wire does what? I need to find the wire that is coming from the radio that sends signal to the speaker on that side.

You can see the posi tap I connected as it's on the red/blue (-/+) but it seems as if that pair sends the Rear speaker signal because when I fade the sound forward there's nothing and when I fade it to the back, there's sound in the front speakers.
Was this
answer
helpful?
Yes
No
Monday, April 24th, 2023 AT 11:07 AM
Tiny
KEN L
  • MASTER CERTIFIED MECHANIC
  • 55,077 POSTS
They don't give us wiring diagrams like that, only individual systems. I would use the wiring diagrams above and see if you can find the wiring for the radio speakers, they should be together in the connector.
Was this
answer
helpful?
Yes
No
Tuesday, April 25th, 2023 AT 8:26 AM
Tiny
B00TYSAL
  • MEMBER
  • 7 POSTS
Since those above are for the K900, do you have those diagrams for a non-Bose (6 speakers) K5? For example, in the K5 the passenger front wires are red and blue, and the diagram above has subs, surround etc, for the upgraded sound package.
Was this
answer
helpful?
Yes
No
Wednesday, April 26th, 2023 AT 1:58 PM
Tiny
KEN L
  • MASTER CERTIFIED MECHANIC
  • 55,077 POSTS
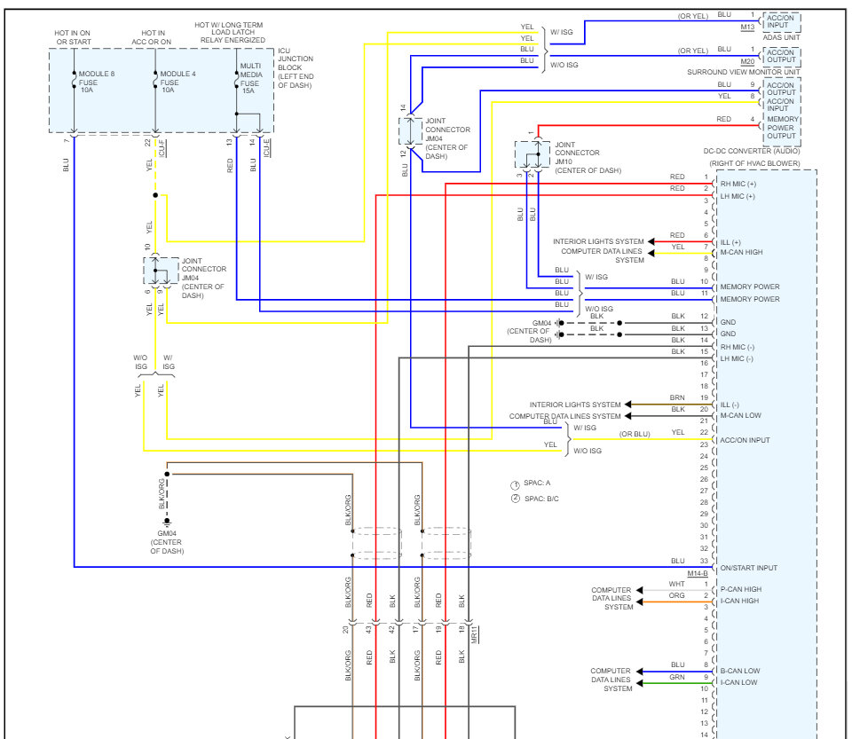
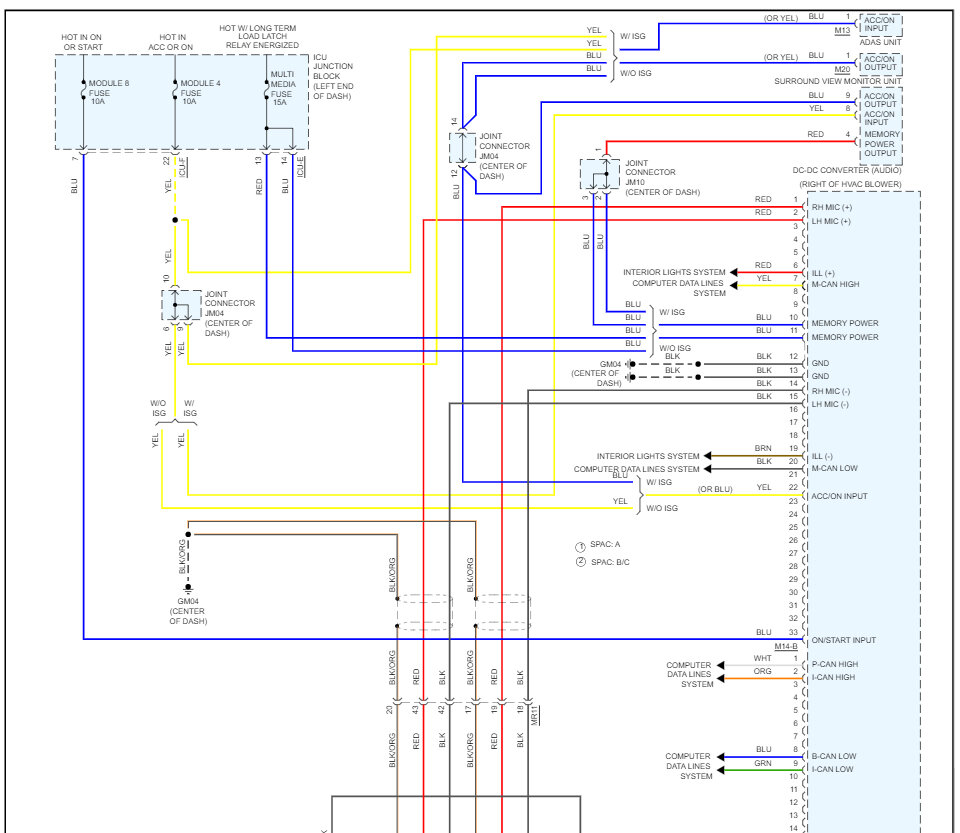
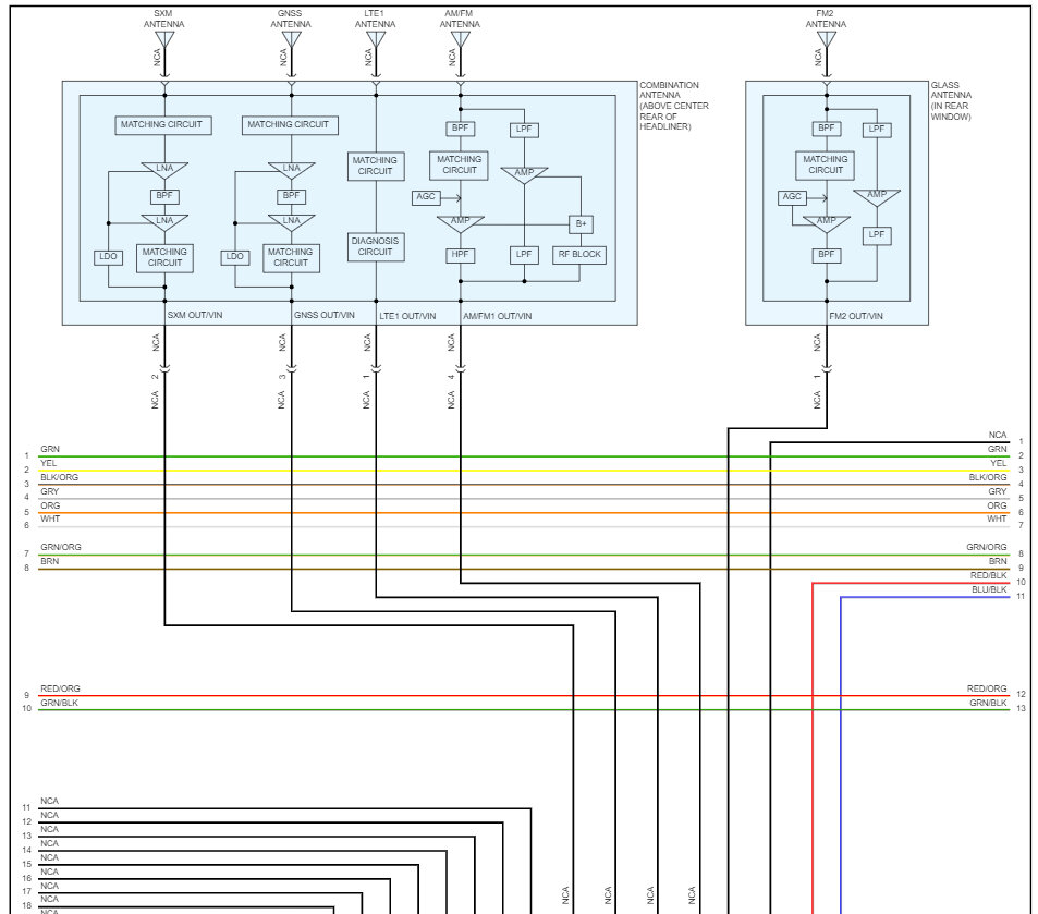
Sure, here are the basic radio wiring diagrams. Check out the images (below). Please let us know what you find.
Was this
answer
helpful?
Yes
No
+1
Thursday, April 27th, 2023 AT 11:22 AM

Please login or register to post a reply.

Related Speaker Content

Door Panel Removal & Speaker Replacement
VIDEO