Monday, February 28th, 2022 AT 11:20 AM
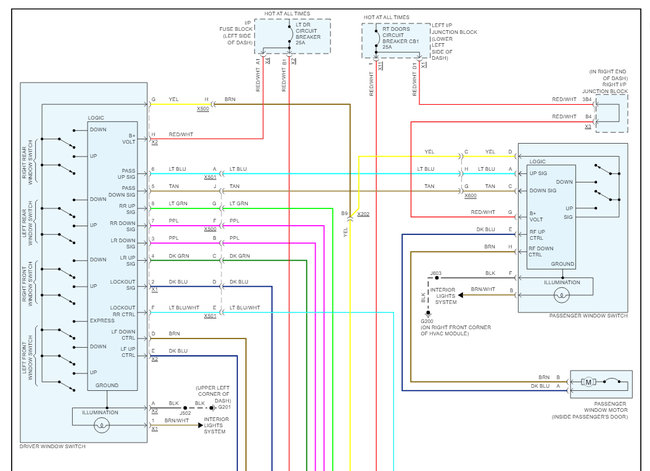
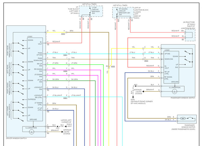
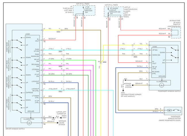
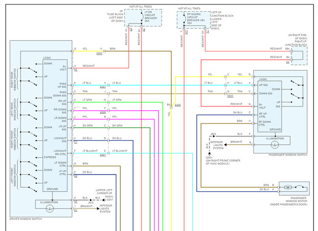
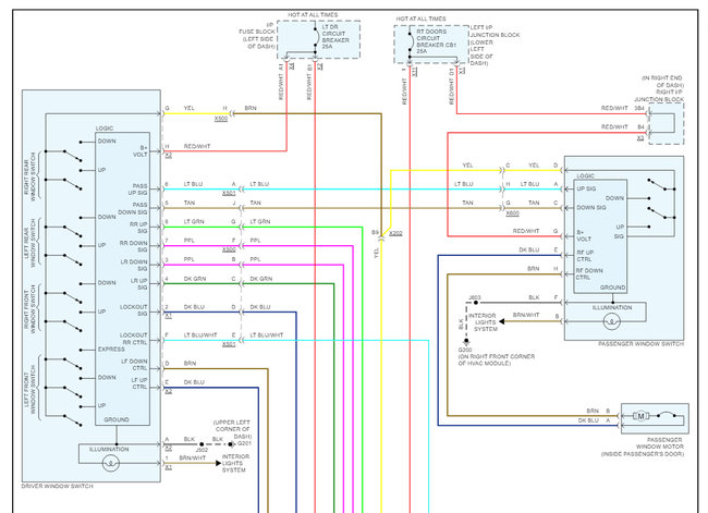
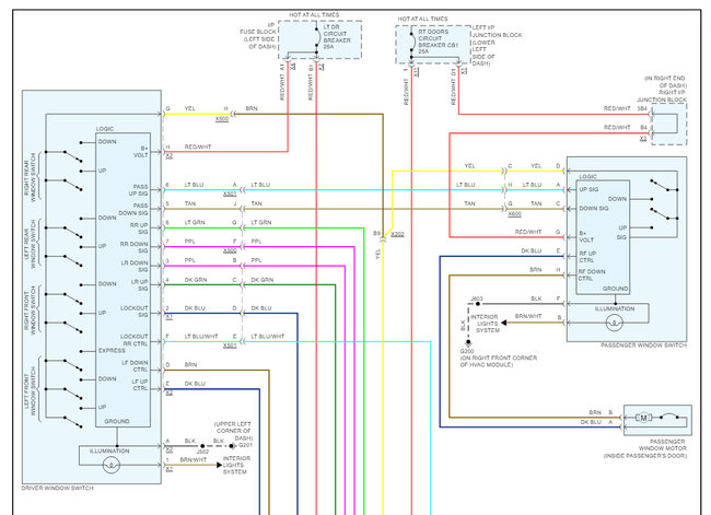
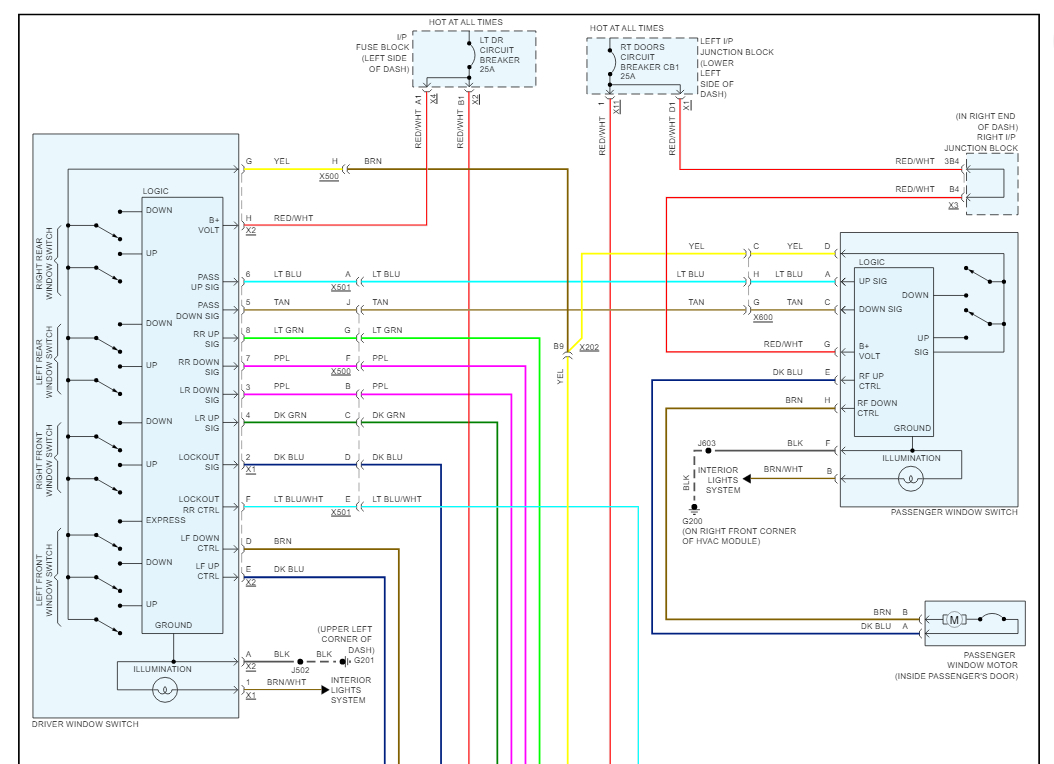
The red wire connected to the front right window switch connector broke. I disconnected it from the wire harness to fix it and disconnected the other wires and don’t know the correct way to reconnect all the wires back into the power window switch.




