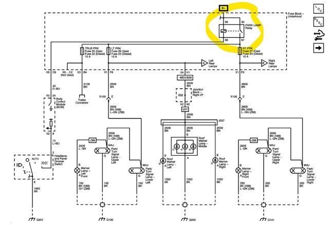
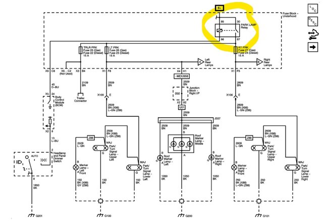
Sunday, February 27th, 2022 AT 9:57 AM
The truck listed above is 2500. Everything was fine. I drove home from work. No lights were on when parked. When I let the dogs out around 9:30pm the front passenger marker light was on and couldn’t get it to turn off. Drained the battery. I changed all bulbs and fuses are good. Any help would be really appreciated a lot!






















